k-part
Номер на схеме Каталожный номер Название Количество Детали
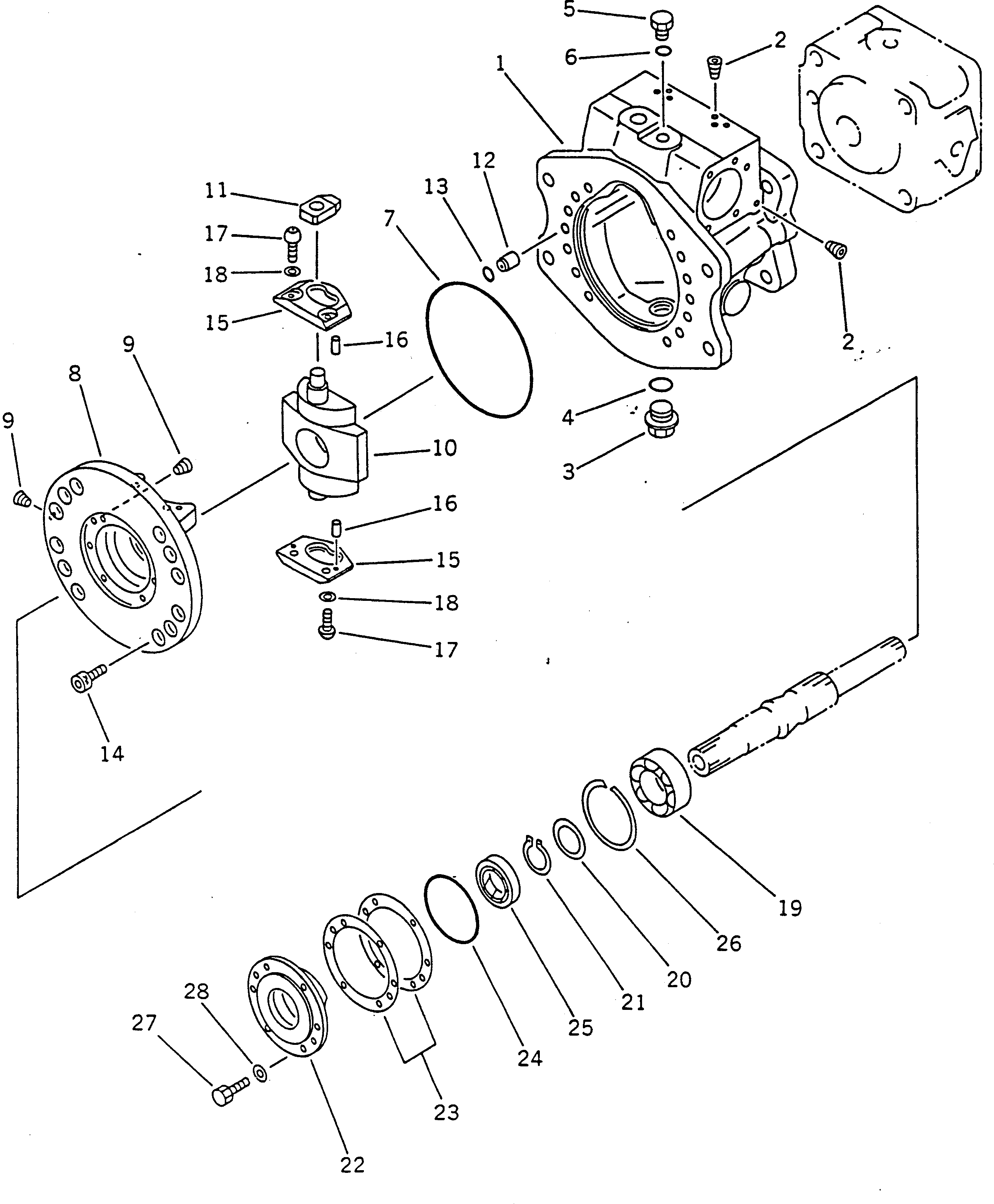
? (708-23-04014) PUMP ASS'Y,HYDRAULIC (HPV55+55) 1
SN: 36601-
KIT-FLAG: _-
SERIALNO: 36601-
? 708-23-04113 • PUMP SUB ASS'Y,HYDRAULIC 1
SN: 36601-
KIT-FLAG: _-
SERIALNO: 36601-
? (★708-23-00340) • • CASE ASS'Y,FRONT 1
SN: 36601-
KIT-FLAG: _-
SERIALNO: 36601-
? • • • CASE,FRONT 1
SN: 36601-
KIT-FLAG: _-
SERIALNO: 36601-
? • • • PLUG 14
SN: 36601-
KIT-FLAG: _-
SERIALNO: 36601-
? 07044-12412 • • PLUG 1
SN: 36601-
KIT-FLAG: _-
SERIALNO: 36601-
? 07002-02434 • • O-RING 1
SN: 36601-
KIT-FLAG: _-
SERIALNO: 36601-
? 720-68-19870 • • PLUG 1
SN: 36601-
KIT-FLAG: _-
SERIALNO: 36601-
? 07002-01223 • • O-RING 1
SN: 36601-
KIT-FLAG: _-
SERIALNO: 36601-
? (★706-73-42370) • • O-RING 1
SN: 36601-
KIT-FLAG: _-
SERIALNO: 36601-
? (★708-23-00360) • • CRADLE ASS'Y,FRONT 1
SN: 36601-
KIT-FLAG: _-
SERIALNO: 36601-
? (★708-23-00630) • • • CRADLE SUB ASS'Y,FRONT 1
SN: 36601-
KIT-FLAG: _-
SERIALNO: 36601-
? • • • • CRADLE,FRONT 1
SN: 36601-
KIT-FLAG: _-
SERIALNO: 36601-
? • • • • PLUG 3
SN: 36601-
KIT-FLAG: _-
SERIALNO: 36601-
? (★708-23-13410) • • • CAM,CAM 1
SN: 36601-
KIT-FLAG: _-
SERIALNO: 36601-
? (★708-23-14120) • • SLIDER 1
SN: 36601-
KIT-FLAG: _-
SERIALNO: 36601-
? (★708-23-12330) • • JOINT 1
SN: 36601-
KIT-FLAG: _-
SERIALNO: 36601-
? (★07000-12015) • • O-RING 1
SN: 36601-
KIT-FLAG: _-
SERIALNO: 36601-
? (★708-25-12350) • • BOLT 12
SN: 36601-
KIT-FLAG: _-
SERIALNO: 36601-
? (★708-23-12340) • • PLATE 2
SN: 36601-
KIT-FLAG: _-
SERIALNO: 36601-
? (★708-23-12370) • • PIN 4
SN: 36601-
KIT-FLAG: _-
SERIALNO: 36601-
? (★708-23-12350) • • SCREW 4
SN: 36601-
KIT-FLAG: _-
SERIALNO: 36601-
? (★01643-30823) • • WASHER 4
SN: 36601-
KIT-FLAG: _-
SERIALNO: 36601-
? (★708-23-12751) • • BEARING 1
SN: 36601-
KIT-FLAG: _-
SERIALNO: 36601-
? (★708-23-05011) • • WASHER KIT 1
SN: 36601-
KIT-FLAG: _-
SERIALNO: 36601-
? • • • WASHER, 2.60MM 1
SN: 36601-
KIT-FLAG: _-
SERIALNO: 36601-
? • • • WASHER, 2.70MM 1
SN: 36601-
KIT-FLAG: _-
SERIALNO: 36601-
? • • • WASHER, 2.80MM 1
SN: 36601-
KIT-FLAG: _-
SERIALNO: 36601-
? • • • WASHER, 2.90MM 1
SN: 36601-
KIT-FLAG: _-
SERIALNO: 36601-
? (★708-23-12840) • • RING,SNAP 1
SN: 36601-
KIT-FLAG: _-
SERIALNO: 36601-
? (★708-23-12852) • • HOUSING 1
SN: 36601-
KIT-FLAG: _-
SERIALNO: 36601-
? (★708-23-05130) • • SHIM KIT 1
SN: 36601-
KIT-FLAG: _-
SERIALNO: 36601-
? • • • SHIM 1
SN: 36601-
KIT-FLAG: _-
SERIALNO: 36601-
? • • • SHIM 2
SN: 36601-
KIT-FLAG: _-
SERIALNO: 36601-
? 07000-02065 • • O-RING 1
SN: 36601-
KIT-FLAG: _-
SERIALNO: 36601-
? 708-8D-12220 • • SEAL,OIL 1
SN: 36601-
KIT-FLAG: _-
SERIALNO: 36601-
? (★708-23-12660) • • RING 1
SN: 36601-
KIT-FLAG: _-
SERIALNO: 36601-
? 01010-30616 • • BOLT 6
SN: 36601-
KIT-FLAG: _-
SERIALNO: 36601-
? 01643-30623 • • WASHER 6
SN: 36601-
KIT-FLAG: _-
SERIALNO: 36601-

Excavators Komatsu / PC120-5C S/N 36601-UP (Custom Spec.)(pc120-0c) / HYDRAULIC PUMP (PUMP SUB ASS