| Номер на схеме | Каталожный номер | Название | Количество | Детали | |||
|---|---|---|---|---|---|---|---|
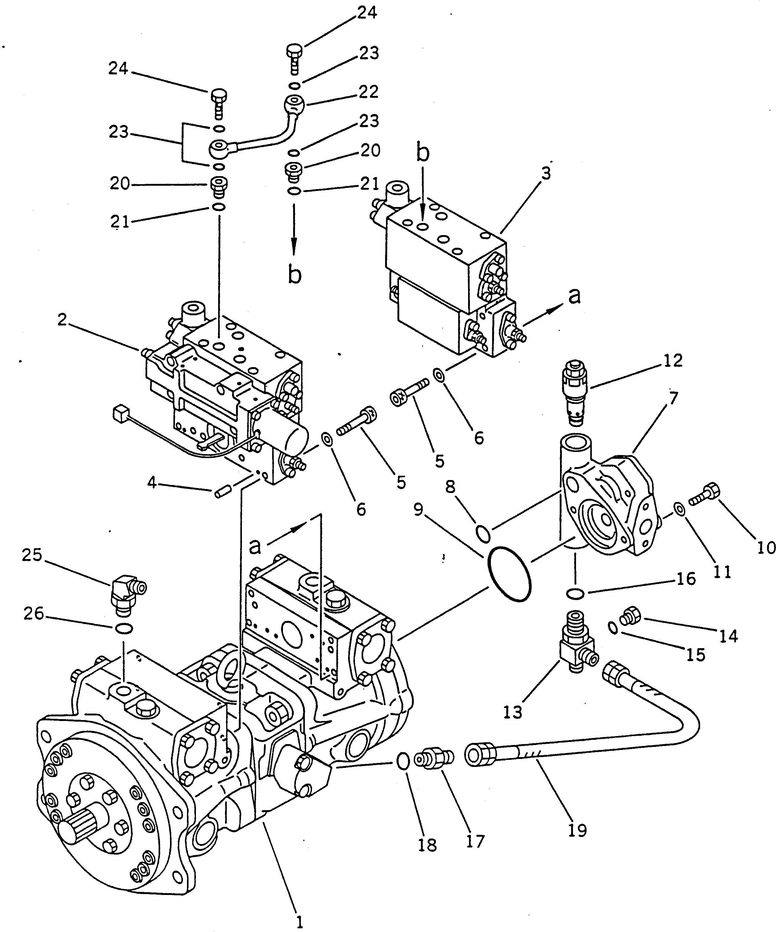
| ? | 708-23-04014 | PUMP ASS'Y,HYDRAULIC (HPV55+55) | 1 | SN: 36601- KIT-FLAG: _- SERIALNO: 36601- |
|||
| ? | (708-23-04113) | • PUMP SUB ASS'Y,HYDRAULIC | 1 | SN: 36601- KIT-FLAG: _- SERIALNO: 36601- |
|||
| ? | (708-23-04512) | • VALVE ASS'Y,SERVO, FRONT | 1 | SN: 36601- KIT-FLAG: _- SERIALNO: 36601- |
|||
| ? | (708-23-04612) | • VALVE ASS'Y,SERVO, REAR | 1 | SN: 36601- KIT-FLAG: _- SERIALNO: 36601- |
|||
| ? | 04020-00616 | • PIN,DOWEL | 4 | SN: 36601- KIT-FLAG: _- SERIALNO: 36601- |
|||
| ? | 708-25-19130 | • BOLT | 8 | SN: 36601- KIT-FLAG: _- SERIALNO: 36601- |
|||
| ? | 01643-50823 | • WASHER | 8 | SN: 36601- KIT-FLAG: _- SERIALNO: 36601- |
|||
| ? | (704-24-26401) | • PUMP ASS'Y,(BAR20) | 1 | SN: 36601- KIT-FLAG: _- SERIALNO: 36601- |
|||
| ? | 07000-02018 | • O-RING | 1 | SN: 36601- KIT-FLAG: _- SERIALNO: 36601- |
|||
| ? | 07000-02075 | • O-RING | 1 | SN: 36601- KIT-FLAG: _- SERIALNO: 36601- |
|||
| ? | 01010-51085 | • BOLT | 3 | SN: 36601- KIT-FLAG: _- SERIALNO: 36601- |
|||
| ? | 01643-31032 | • WASHER | 3 | SN: 36601- KIT-FLAG: _- SERIALNO: 36601- |
|||
| ? | (708-23-04311) | • VALVE ASS'Y,RELIEF | 1 | SN: 36601- KIT-FLAG: _- SERIALNO: 36601- |
|||
| ? | 708-23-19220 | • TEE | 1 | SN: 36601- KIT-FLAG: _- SERIALNO: 36601- |
|||
| ? | 07040-11007 | • PLUG | 1 | SN: 36601- KIT-FLAG: _- SERIALNO: 36601- |
|||
| ? | 07002-01023 | • O-RING | 1 | SN: 36601- KIT-FLAG: _- SERIALNO: 36601- |
|||
| ? | 07002-02434 | • O-RING | 1 | SN: 36601- KIT-FLAG: _- SERIALNO: 36601- |
|||
| ? | 07230-10315 | • UNION | 1 | SN: 36601- KIT-FLAG: _- SERIALNO: 36601- |
|||
| ? | 07002-02034 | • O-RING | 1 | SN: 36601- KIT-FLAG: _- SERIALNO: 36601- |
|||
| ? | 07102-20303 | • HOSE | 1 | SN: 36601- KIT-FLAG: _- SERIALNO: 36601- |
|||
| ? | 706-46-53260 | • PLUG | 2 | SN: 36601- KIT-FLAG: _- SERIALNO: 36601- |
|||
| ? | 07002-01423 | • O-RING | 2 | SN: 36601- KIT-FLAG: _- SERIALNO: 36601- |
|||
| ? | 708-23-19120 | • TUBE | 1 | SN: 36601- KIT-FLAG: _- SERIALNO: 36601- |
|||
| ? | 07000-02012 | • O-RING | 4 | SN: 36601- KIT-FLAG: _- SERIALNO: 36601- |
|||
| ? | 706-46-53180 | • BOLT,JOINT | 2 | SN: 36601- KIT-FLAG: _- SERIALNO: 36601- |
|||
| ? | 20S-62-21230 | • ELBOW | 1 | SN: 36601- KIT-FLAG: _- SERIALNO: 36601- |
|||
| ? | 07002-02434 | • O-RING | 1 | SN: 36601- KIT-FLAG: _- SERIALNO: 36601- |
