| Номер на схеме | Каталожный номер | Название | Количество | Детали | |||
|---|---|---|---|---|---|---|---|
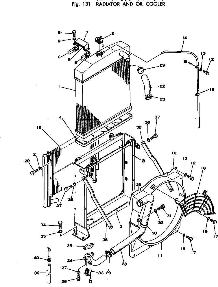
| ? | 203-03-00010 | RADIATOR ASS'Y | 1 | SN: 10001- KIT-FLAG: _- SERIALNO: 10001- |
|||
| ? | 203-03-21100 | • CORE ASS'Y | 1 | SN: 10001- KIT-FLAG: _- SERIALNO: 10001- |
|||
| ? | 101-03-13141 | • CAP | 1 | SN: 10001- KIT-FLAG: _- SERIALNO: 10001- |
|||
| ? | 203-03-31121 | FRAME | 1 | SN: 10001- KIT-FLAG: _- SERIALNO: 10001- |
|||
| ? | 203-03-21160 | SEAT | 1 | SN: 10001- KIT-FLAG: _- SERIALNO: 10001- |
|||
| ? | 205-03-51180 | SEAT,RUBBER | 2 | SN: 10001- KIT-FLAG: _- SERIALNO: 10001- |
|||
| ? | 110-03-11440 | SHIM, 0.5MM | 16 | SN: 10001- KIT-FLAG: _- SERIALNO: 10001- |
|||
| ? | 110-03-11420 | CLAMP | 2 | SN: 10001- KIT-FLAG: _- SERIALNO: 10001- |
|||
| ? | 01010-30816 | BOLT | 8 | SN: 10001- KIT-FLAG: _- SERIALNO: 10001- |
|||
| ? | 01602-00825 | WASHER,SPRING | 8 | SN: 10001- KIT-FLAG: _- SERIALNO: 10001- |
|||
| ? | 203-03-31281 | SHROUD,UPPER | 1 | SN: 10001- KIT-FLAG: _- SERIALNO: 10001- |
|||
| ? | 203-03-31290 | SHROUD,LOWER | 1 | SN: 10001- KIT-FLAG: _- SERIALNO: 10001- |
|||
| ? | 01010-31016 | BOLT | 12 | SN: 10001- KIT-FLAG: _- SERIALNO: 10001- |
|||
| ? | 01643-31032 | WASHER | 12 | SN: 10001- KIT-FLAG: _- SERIALNO: 10001- |
|||
| ? | 203-03-21180 | TUBE | 1 | SN: 10001- KIT-FLAG: _- SERIALNO: 10001- |
|||
| ? | 232-03-11210 | CLIP | 2 | SN: 10001- KIT-FLAG: _- SERIALNO: 10001- |
|||
| ? | 203-03-31143 | GUARD,FAN | 1 | SN: 10001- KIT-FLAG: _- SERIALNO: 10001- |
|||
| ? | 01010-31020 | BOLT | 2 | SN: 10001- KIT-FLAG: _- SERIALNO: 10001- |
|||
| ? | 01643-31032 | WASHER | 2 | SN: 10001- KIT-FLAG: _- SERIALNO: 10001- |
|||
| ? | 203-03-31110 | COOLER,OIL | 1 | SN: 10001- KIT-FLAG: _- SERIALNO: 10001- |
|||
| ? | 01010-31016 | BOLT | 6 | SN: 10001- KIT-FLAG: _- SERIALNO: 10001- |
|||
| ? | 01643-31032 | WASHER | 6 | SN: 10001- KIT-FLAG: _- SERIALNO: 10001- |
|||
| ? | 20D-03-11230 | HOSE | 1 | SN: 10001- KIT-FLAG: _- SERIALNO: 10001- |
|||
| ? | 07281-00709 | CLAMP | 2 | SN: 10001- KIT-FLAG: _- SERIALNO: 10001- |
|||
| ? | 203-03-31310 | TUBE | 1 | SN: 10001- KIT-FLAG: _- SERIALNO: 10001- |
|||
| ? | 110-03-11490 | GASKET | 1 | SN: 10001- KIT-FLAG: _- SERIALNO: 10001- |
|||
| ? | 01010-31230 | BOLT | 2 | SN: 10001- KIT-FLAG: _- SERIALNO: 10001- |
|||
| ? | 01643-31232 | WASHER | 2 | SN: 10001- KIT-FLAG: _- SERIALNO: 10001- |
|||
| ? | 20D-03-11220 | HOSE | 1 | SN: 10001- KIT-FLAG: _- SERIALNO: 10001- |
|||
| ? | 07281-00709 | CLAMP | 2 | SN: 10001- KIT-FLAG: _- SERIALNO: 10001- |
|||
| ? | 20D-03-11241 | CLIP | 1 | SN: 10001- KIT-FLAG: _- SERIALNO: 10001- |
|||
| ? | 01010-31220 | BOLT | 1 | SN: 10001- KIT-FLAG: _- SERIALNO: 10001- |
|||
| ? | 01643-31232 | WASHER | 1 | SN: 10001- KIT-FLAG: _- SERIALNO: 10001- |
|||
| ? | 07730-20004 | VALVE,DRAIN | 1 | SN: 10001- KIT-FLAG: _- SERIALNO: 10001- |
|||
| ? | 01010-31230 | BOLT | 4 | SN: 10001- KIT-FLAG: _- SERIALNO: 10001- |
|||
| ? | 01643-31232 | WASHER | 4 | SN: 10001- KIT-FLAG: _- SERIALNO: 10001- |
|||
| ? | 203-03-31272 | STAY | 2 | SN: 10639- KIT-FLAG: _- SERIALNO: 10639- |
|||
| ? | 203-03-31271 | STAY | 2 | SN: 10001-10638 KIT-FLAG: _- SERIALNO: 10001-10638 |
|||
| ? | 01010-31240 | BOLT | 4 | SN: 10639- KIT-FLAG: _- SERIALNO: 10639- |
|||
| ? | 01010-31235 | BOLT | 4 | SN: 10001-10638 KIT-FLAG: _- SERIALNO: 10001-10638 |
|||
| ? | 01643-31232 | WASHER | 4 | SN: 10001- KIT-FLAG: _- SERIALNO: 10001- |
|||
| ? | 07270-01517 | TUBE | 1 | SN: 10001- KIT-FLAG: _- SERIALNO: 10001- |
|||
| ? | 07280-01920 | CLAMP | 1 | SN: 10001- KIT-FLAG: _- SERIALNO: 10001- |
