| Номер на схеме | Каталожный номер | Название | Количество | Детали | |||
|---|---|---|---|---|---|---|---|
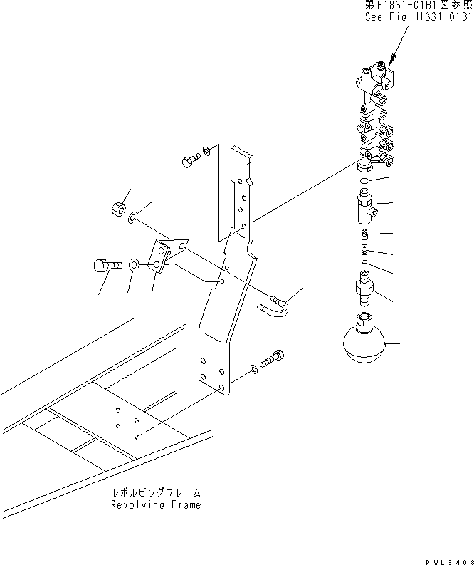
| ? | 203-62-65391 | BRACKET | 1 | SN: 40001- |
|||
| ? | 01010-81025 | BOLT | 2 | SN: 40001- |
|||
| ? | 01643-31032 | WASHER | 2 | SN: 40001- |
|||
| ? | 07283-23442 | CLIP | 1 | SN: 40001- |
|||
| ? | 01599-01011 | NUT | 2 | SN: 40001- |
|||
| ? | 01643-31032 | WASHER | 2 | SN: 40001- |
|||
| ? | 203-60-62200 | VALVE ASS'Y | 1 | SN: 40001- |
|||
| ? | 07002-02034 | • O-RING | 1 | SN: 40001- |
|||
| ? | 203-60-62141 | • NIPPLE | 1 | SN: 40001- |
|||
| ? | 203-60-62150 | • POPPET | 1 | SN: 40001- |
|||
| ? | ☆ | • ELBOW | 1 | SN: 40001- |
|||
| ? | 700-30-63160 | • SPRING | 1 | SN: 40001- |
|||
| ? | 07002-02034 | O-RING | 2 | SN: 40001- |
|||
| ? | 20Y-60-11410 | ACCUMULATOR | 1 | SN: 40001- |