| Номер на схеме | Каталожный номер | Название | Количество | Детали | |||
|---|---|---|---|---|---|---|---|
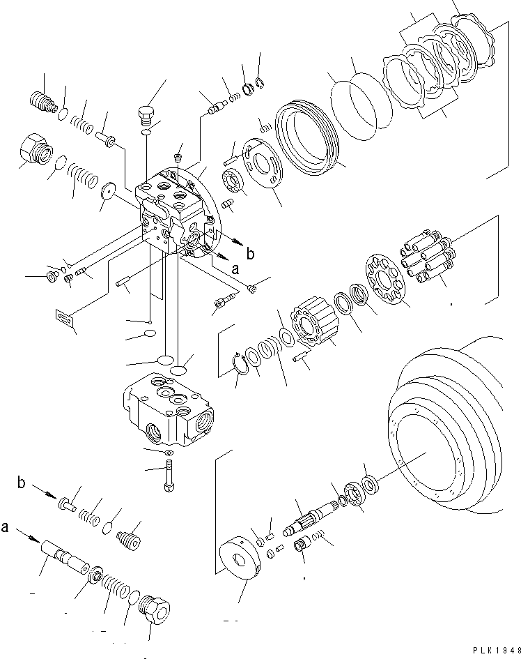
| ? | 203-60-63110 | TRAVEL MOTOR ASS'Y | 2 | SN: 42157- |
|||
| ? | THIS ASSEMBLY CONSISTS OF ALL PARTS SHOWN IN FIGS.Y1651-01A0C ? 02A0C AND 03A0C. | ||||||
| ? | TZ276B200000JR | • MOTOR | 1 | SN: 42157- |
|||
| ? | TZ276B210000-J | • • FLANGE ASS'Y | 1 | SN: 42157- |
|||
| ? | TZ276B210100-J | • • • FLANGE KIT | 1 | SN: 42157- |
|||
| ? | ☆ | • • • • FLANGE | 1 | SN: 42157- |
|||
| ? | ☆ | • • • • SPOOL | 1 | SN: 42157- |
|||
| ? | TZGM1-8 | • • • • PLUG | 3 | SN: 42157- |
|||
| ? | TZGDL1-16-S | • • • • PLUG | 7 | SN: 42157- |
|||
| ? | TZ263B2079-01 | • • • • FILTER | 1 | SN: 42157- |
|||
| ? | TZ121F2070-00 | • • • • ORIFICE | 1 | SN: 42157- |
|||
| ? | TZ850A0006-00 | • • • • PLATE ? NAME | 1 | SN: 42157- |
|||
| ? | TZ860A2051-00 | • • • PLUG | 2 | SN: 42157- |
|||
| ? | TZ869A2052-00 | • • • RETAINER | 2 | SN: 42157- |
|||
| ? | TZ860A2053-02 | • • • PLUG | 2 | SN: 42157- |
|||
| ? | TZ860A2054-01 | • • • VALVE | 2 | SN: 42157- |
|||
| ? | TZ860A2056-00 | • • • SPRING | 2 | SN: 42157- |
|||
| ? | TZ860A2055-00 | • • • SPRING | 2 | SN: 42157- |
|||
| ? | TZJB2401-P26-9 | • • • O-RING (K1) | 2 | SN: 42157- |
|||
| ? | 07000-12016 | • • • O-RING (K1) | 2 | SN: 42157- |
|||
| ? | 07000-12010 | • • • O-RING (K1) | 2 | SN: 42157- |
|||
| ? | TZ200B2073-00 | • • • VALVE | 1 | SN: 42157- |
|||
| ? | TZ300B2039-00 | • • • STOPPER | 1 | SN: 42157- |
|||
| ? | TZ300B2042-00 | • • • RING | 1 | SN: 42157- |
|||
| ? | TZ300B2043-01 | • • • SPRING | 1 | SN: 42157- |
|||
| ? | 04260-00952 | • • • BALL | 2 | SN: 42157- |
|||
| ? | TZ512B2021-00 | • • • PLUG | 2 | SN: 42157- |
|||
| ? | 04260-00793 | • • • BALL | 2 | SN: 42157- |
|||
| ? | TZ269B2002-00 | • • SHAFT | 1 | SN: 42157- |
|||
| ? | TZ263B200301-J | • • PLATE | 1 | SN: 42157- |
|||
| ? | TZ263B2004-04 | • • BLOCK | 1 | SN: 42157- |
|||
| ? | TZ263B2105-00 | • • PISTON KIT | 1 | SN: 42157- |
|||
| ? | ☆ | • • • PISTON ASS'Y | 9 | SN: 42157- |
|||
| ? | ☆ | • • • • PISTON | 1 | SN: 42157- |
|||
| ? | ☆ | • • • • SHOE | 1 | SN: 42157- |
|||
| ? | TZ263B2007-01 | • • PLATE | 1 | SN: 42157- |
|||
| ? | TZ263B2008-00 | • • BOWL | 1 | SN: 42157- |
|||
| ? | TZ263B2009-01 | • • PLATE | 1 | SN: 42157- |
|||
| ? | TZ880A2010-00 | • • WASHER | 2 | SN: 42157- |
|||
| ? | TZ263B2011-03 | • • WASHER | 1 | SN: 42157- |
|||
| ? | TZ266B2012-00 | • • PISTON | 1 | SN: 42157- |
|||
| ? | TZ800A2013-00 | • • SPRING | 8 | SN: 42157- |
|||
| ? | TZ263B2093-01 | • • SPRING | 1 | SN: 42157- |
|||
| ? | TZ800A2015-00 | • • PLATE | 2 | SN: 42157- |
|||
| ? | TZ800A2016-00 | • • PLATE | 2 | SN: 42157- |
|||
| ? | TZ263B2074-00 | • • PLATE | 1 | SN: 42157- |
|||
| ? | TZ100A2021-00 | • • PLUG | 1 | SN: 42157- |
|||
| ? | TZ15Z-25-42-10 | • • SEAL (K1) | 1 | SN: 42157- |
|||
| ? | TZ266B2035-00 | • • O-RING (K1) | 1 | SN: 42157- |
|||
| ? | 07000-12018 | • • O-RING (K1) | 2 | SN: 42157- |
|||
| ? | TZ266B2039-00 | • • O-RING (K1) | 1 | SN: 42157- |
|||
| ? | TZJB1354-4-10 | • • PIN | 1 | SN: 42157- |
|||
| ? | TZJB1354-10-25 | • • PIN | 2 | SN: 42157- |
|||
| ? | 01252-31030 | • • BOLT | 8 | SN: 42157- |
|||
| ? | TZTH-R-42 | • • RING | 1 | SN: 42157- |
|||
| ? | TZ263B2048-00 | • • BEARING | 1 | SN: 42157- |
|||
| ? | TZ263B2049-00 | • • BEARING | 1 | SN: 42157- |
|||
| ? | TZ263B2098-00 | • • PIN | 3 | SN: 42157- |
|||
| ? | TZ263B2070-00 | • • • PISTON | 1 | SN: 42157- |
|||
| ? | ☆ | • • • • PISTON | 1 | SN: 42157- |
|||
| ? | ☆ | • • • • SHOE | 1 | SN: 42157- |
|||
| ? | TZ263B2076-02 | • • PIVOT | 2 | SN: 42157- |
|||
| ? | TZ263B2014-00 | • • COLLAR | 1 | SN: 42157- |
|||
| ? | 01252-30865 | • • BOLT | 4 | SN: 42157- |
|||
| ? | TZ263B2077-01 | • • PIN | 2 | SN: 42157- |
|||
| ? | 07002-02034 | • • O-RING (K1) | 1 | SN: 42157- |
|||
| ? | TZSW-M8 | • • WASHER | 4 | SN: 42157- |
|||
| ? | TZ263B2090-00 | • • SPRING | 1 | SN: 42157- |
|||
| ? | 07000-12011 | • • O-RING (K1) | 2 | SN: 42157- |