| Номер на схеме | Каталожный номер | Название | Количество | Детали | |||
|---|---|---|---|---|---|---|---|
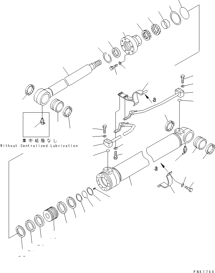
| ? | (☉202-63-X9010) | CYLINDER GROUP,(L.H.) | 1 | SN: 46473- |
|||
| ? | (☉202-63-X2700) | CYLINDER GROUP,(L.H.) | 1 | SN: 45000-46472 |
|||
| ? | (☉202-63-X9020) | CYLINDER GROUP,(R.H.) | 1 | SN: 46473- |
|||
| ? | (☉202-63-X2710) | CYLINDER GROUP,(R.H.) | 1 | SN: 45000-46472 |
|||
| ? | ==================== | ||||||
| ? | 202-63-02700 | CYLINDER ASS'Y,BOOM | 2 | SN: 45000- |
|||
| ? | 202-63-55140 | • CYLINDER | 1 | SN: 45000- |
|||
| ? | 707-76-70230 | • BUSHING | 1 | SN: 40001- |
|||
| ? | 07145-00070 | • SEAL,DUST (KIT) | 2 | SN: 40001- |
|||
| ? | 07020-00675 | • FITTING,GREASE | 1 | SN: 40001- |
|||
| ? | 707-27-95921 | • HEAD,CYLINDER | 1 | SN: 45000- |
|||
| ? | 707-52-90420 | • BUSHING | 1 | SN: 45000- |
|||
| ? | 707-51-65030 | • PACKING,ROD (KIT) | 1 | SN: 40001- |
|||
| ? | 707-51-65630 | • RING,BUFFER (KIT) | 1 | SN: 40001- |
|||
| ? | 07000-15085 | • O-RING (KIT) | 1 | SN: 45000- |
|||
| ? | 707-35-90970 | • RING,BACK-UP (KIT) | 1 | SN: 45000- |
|||
| ? | 144-63-92170 | • SEAL,DUST (KIT) | 1 | SN: 40001- |
|||
| ? | 07179-12079 | • RING,SNAP | 1 | SN: 40001- |
|||
| ? | 01010-81465 | • BOLT | 12 | SN: 40001- |
|||
| ? | 705-17-04980 | • WASHER | 12 | SN: 40001- |
|||
| ? | 202-63-55120 | • ROD | 1 | SN: 45000- |
|||
| ? | 707-76-70230 | • BUSHING | 1 | SN: 45000- |
|||
| ? | 07145-00070 | • SEAL,DUST (KIT) | 2 | SN: 40001- |
|||
| ? | 07020-00675 | • FITTING,GREASE | 1 | SN: 40001- |
|||
| ? | 707-36-95531 | • PISTON | 1 | SN: 45000- |
|||
| ? | 707-44-95180 | • RING,PISTON (KIT) | 1 | SN: 40001- |
|||
| ? | 707-39-95120 | • RING,WEAR (KIT) | 2 | SN: 40001- |
|||
| ? | 707-44-95911 | • RING | 2 | SN: 40001- |
|||
| ? | 01310-01016 | • SCREW | 1 | SN: 45000- |
|||
| ? | 707-34-55020 | • O-RING (KIT) | 1 | SN: 45000- |
|||
| ? | 707-35-90610 | • RING,BACK-UP (KIT) | 2 | SN: 45000- |
|||
| ? | 202-63-55170 | TUBE,L.H. | 1 | SN: 45000- |
|||
| ? | 202-63-55270 | TUBE,R.H. | 1 | SN: 45000- |
|||
| ? | 202-63-54380 | TUBE,L.H. | 1 | SN: 40001- |
|||
| ? | 202-63-54480 | TUBE,R.H. | 1 | SN: 40001- |
|||
| ? | 07000-13025 | O-RING (KIT) | 2 | SN: 40001- |
|||
| ? | 01010-80850 | BOLT | 8 | SN: 45000- |
|||
| ? | 01643-50823 | WASHER | 8 | SN: 40001- |
|||
| ? | 707-88-96950 | BAND | 1 | SN: 40001- |
|||
| ? | 707-88-95480 | BRACKET | 1 | SN: 40001- |
|||
| ? | 01010-81035 | BOLT | 2 | SN: 45000- |
|||
| ? | 01643-51032 | WASHER | 2 | SN: 40001- |
|||
| ? | 01010-81030 | BOLT | 4 | SN: 40001- |
|||
| ? | 01643-31032 | WASHER | 4 | SN: 40001- |
|||
| ? | ==================== | ||||||
| ? | 707-98-36250 | SERVICE KIT | 2 | SN: 45000- |