| Номер на схеме | Каталожный номер | Название | Количество | Детали | |||
|---|---|---|---|---|---|---|---|
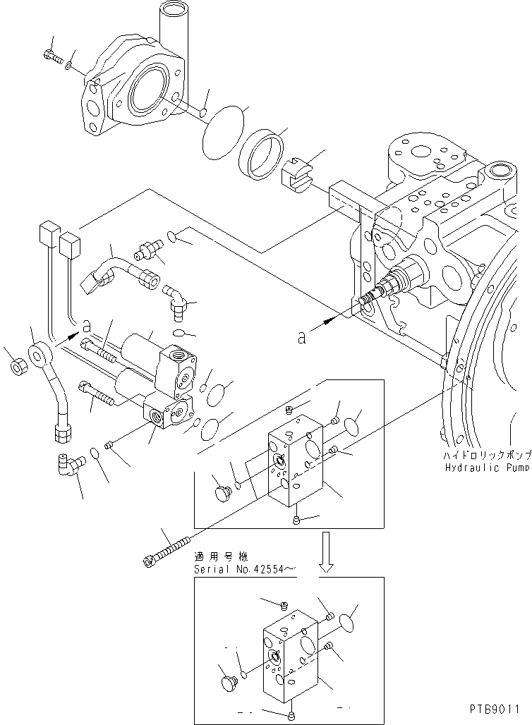
| ? | (708-1L-00431) | PUMP ASS'Y | 1 | SN: 42554-44999 |
|||
| ? | (708-1L-00430) | PUMP ASS'Y | 1 | SN: 42157-42553 |
|||
| ? | THESE ASSEMBLIES CONSIST OF ALL PARTS SHOWN IN FIGS.Y1600-41A0 TO Y1600-50A0. | ||||||
| ? | 01010-81085 | • BOLT | 3 | SN: 42554-44999 |
|||
| ? | 01010-81080 | • BOLT | 3 | SN: 42157-42553 |
|||
| ? | 01643-51032 | • WASHER | 3 | SN: 42157-44999 |
|||
| ? | 07000-02070 | • O-RING | 1 | SN: 42157-44999 |
|||
| ? | 07000-02018 | • O-RING | 1 | SN: 42157-44999 |
|||
| ? | 708-2L-29140 | • COUPLING | 1 | SN: 42157-44999 |
|||
| ? | 708-2L-29211 | • COLLAR | 1 | SN: 42157-44999 |
|||
| ? | 702-21-07010 | • VALVE ASS'Y | 2 | SN: 42157-44999 |
|||
| ? | (★708-2L-04171) | • BLOCK ASS'Y | 1 | SN: 42157-42553 |
|||
| ? | ☆ | • • BLOCK | 1 | SN: 42157-42553 |
|||
| ? | ☆ | • • PLUG | 4 | SN: 42157-42553 |
|||
| ? | 709-32-11760 | • • O-RING | 1 | SN: 42157-42553 |
|||
| ? | 07040-11007 | • • PLUG | 1 | SN: 42157-42553 |
|||
| ? | 07002-11023 | • • O-RING | 1 | SN: 42157-42553 |
|||
| ? | 01252-60865 | • BOLT | 2 | SN: 42157-44999 |
|||
| ? | 203-60-62220 | • BOLT | 4 | SN: 42157-44999 |
|||
| ? | 07235-10210 | • ELBOW | 1 | SN: 42157-44999 |
|||
| ? | 708-2L-23950 | • O-RING | 1 | SN: 42554-44999 |
|||
| ? | 07002-01423 | • O-RING | 1 | SN: 42157-42553 |
|||
| ? | 07230-20210 | • UNION | 1 | SN: 42157-44999 |
|||
| ? | 708-2L-23950 | • O-RING | 1 | SN: 42554-44999 |
|||
| ? | 07002-01423 | • O-RING | 1 | SN: 42157-42553 |
|||
| ? | 01582-11008 | • NUT | 1 | SN: 42157-44999 |
|||
| ? | 708-1L-29310 | • HOSE | 1 | SN: 42157-44999 |
|||
| ? | 708-2L-29410 | • HOSE | 1 | SN: 42157-44999 |
|||
| ? | 708-2L-23960 | • O-RING | 2 | SN: 42554-44999 |
|||
| ? | 700-93-11320 | • O-RING | 2 | SN: 42157-42553 |
|||
| ? | 07000-B2011 | • O-RING | 2 | SN: 42554-44999 |
|||
| ? | 07000-02011 | • O-RING | 2 | SN: 42157-42553 |
|||
| ? | 708-1L-29330 | • ELBOW | 1 | SN: 42157-44999 |
|||
| ? | 708-2L-23950 | • O-RING | 1 | SN: 42554-44999 |
|||
| ? | 07002-11423 | • O-RING | 1 | SN: 42157-42553 |
|||
| ? | 708-1L-29340 | • ORIFICE | 1 | SN: 42157-44999 |
|||
| ? | 708-2L-04290 | • BLOCK ASS'Y | 1 | SN: 42554-44999 |
|||
| ? | ☆ | • • BLOCK | 1 | SN: 42554-44999 |
|||
| ? | ☆ | • • PLUG | 4 | SN: 42554-44999 |
|||
| ? | 708-2L-23970 | • • O-RING | 1 | SN: 42554-44999 |
|||
| ? | 07040-11007 | • • PLUG | 1 | SN: 42554-44999 |
|||
| ? | 708-2L-23920 | • • O-RING | 1 | SN: 42554-44999 |