| Номер на схеме | Каталожный номер | Название | Количество | Детали | |||
|---|---|---|---|---|---|---|---|
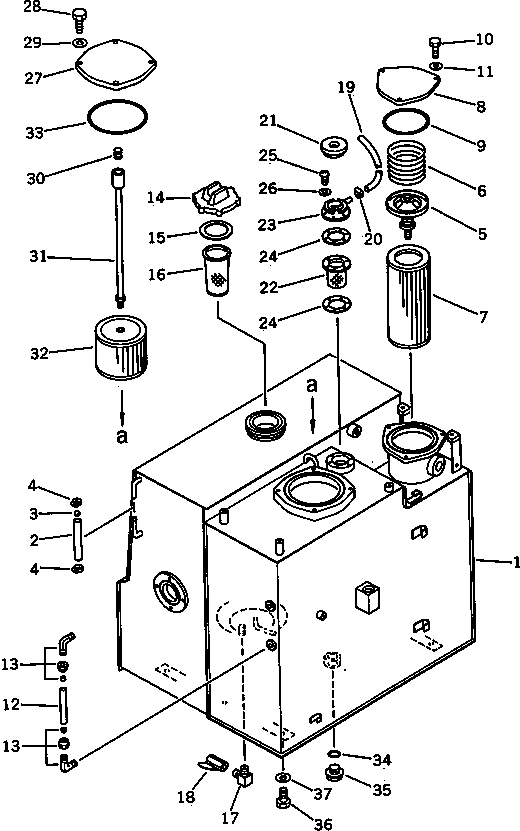
| ? | 203-60-00200 | HYDRAULIC TANK ASS'Y | 1 | SN: 18001-20399 KIT-FLAG: _- SERIALNO: 18001-20399 |
|||
| ? | 203-60-00210 | HYDRAULIC TANK ASS'Y | 1 | SN: 18001-20399 KIT-FLAG: _- SERIALNO: 18001-20399 |
|||
| ? | 203-60-42112 | • TANK | 1 | SN: 18001-20399 KIT-FLAG: _- SERIALNO: 18001-20399 |
|||
| ? | 203-60-42210 | • TANK,(FOR SELF SUPPLY PUMP) | 1 | SN: 18001-20399 KIT-FLAG: _- SERIALNO: 18001-20399 |
|||
| ? | 203-60-42180 | • TUBE | 1 | SN: 18001-@ KIT-FLAG: _- SERIALNO: 18001-@ |
|||
| ? | 201-04-21160 | • BALL,FLOAT | 1 | SN: 18001-@ KIT-FLAG: _- SERIALNO: 18001-@ |
|||
| ? | 07281-00197 | • CLAMP | 2 | SN: 18001-@ KIT-FLAG: _- SERIALNO: 18001-@ |
|||
| ? | 175-60-27300 | • VALVE ASS'Y | 1 | SN: 18001-@ KIT-FLAG: _- SERIALNO: 18001-@ |
|||
| ? | 175-60-27340 | • SPRING | 1 | SN: 18001-@ KIT-FLAG: _- SERIALNO: 18001-@ |
|||
| ? | 175-60-27380 | • ELEMENT | 1 | SN: 18001-@ KIT-FLAG: _- SERIALNO: 18001-@ |
|||
| ? | 203-60-31172 | • COVER | 1 | SN: 18001-@ KIT-FLAG: _- SERIALNO: 18001-@ |
|||
| ? | 07000-05155 | • O-RING | 1 | SN: 18001-@ KIT-FLAG: _- SERIALNO: 18001-@ |
|||
| ? | 01010-51025 | • BOLT | 3 | SN: 18001-@ KIT-FLAG: _- SERIALNO: 18001-@ |
|||
| ? | 01643-31032 | • WASHER | 3 | SN: 18001-@ KIT-FLAG: _- SERIALNO: 18001-@ |
|||
| ? | 203-60-31160 | • TUBE | 1 | SN: 18001-@ KIT-FLAG: _- SERIALNO: 18001-@ |
|||
| ? | 203-60-31100 | • ELBOW ASS'Y | 2 | SN: 18001-@ KIT-FLAG: _- SERIALNO: 18001-@ |
|||
| ? | 07050-21200 | • CAP | 1 | SN: 18001-@ KIT-FLAG: _- SERIALNO: 18001-@ |
|||
| ? | 07091-11200 | • CAP,(FOR VANDALISM PROTECTION) | 1 | SN: 18001-@ KIT-FLAG: _- SERIALNO: 18001-@ |
|||
| ? | 07050-21202 | • • GASKET | 1 | SN: 18001-@ KIT-FLAG: _- SERIALNO: 18001-@ |
|||
| ? | 07056-18416 | • STRAINER | 1 | SN: 18001-@ KIT-FLAG: _- SERIALNO: 18001-@ |
|||
| ? | 20D-68-11670 | • ELBOW | 1 | SN: 18001-@ KIT-FLAG: _- SERIALNO: 18001-@ |
|||
| ? | 07700-40240 | • VALVE | 1 | SN: 18001-@ KIT-FLAG: _- SERIALNO: 18001-@ |
|||
| ? | 203-60-12170 | • TUBE | 1 | SN: 18001-@ KIT-FLAG: _- SERIALNO: 18001-@ |
|||
| ? | 07280-01110 | • CLAMP | 1 | SN: 18001-@ KIT-FLAG: _- SERIALNO: 18001-@ |
|||
| ? | 201-60-12190 | • CAP ASS'Y | 1 | SN: 18001-@ KIT-FLAG: _- SERIALNO: 18001-@ |
|||
| ? | 205-60-51480 | • SCREEN | 1 | SN: 18001-@ KIT-FLAG: _- SERIALNO: 18001-@ |
|||
| ? | 201-60-12171 | • FILLER NECK | 1 | SN: 18001-@ KIT-FLAG: _- SERIALNO: 18001-@ |
|||
| ? | 205-60-51460 | • GASKET | 2 | SN: 18001-@ KIT-FLAG: _- SERIALNO: 18001-@ |
|||
| ? | 01220-40516 | • SCREW | 6 | SN: 18001-@ KIT-FLAG: _- SERIALNO: 18001-@ |
|||
| ? | 01601-20513 | • WASHER,SPRING | 6 | SN: 18001-@ KIT-FLAG: _- SERIALNO: 18001-@ |
|||
| ? | 21K-60-11180 | • COVER | 1 | SN: 18001-@ KIT-FLAG: _- SERIALNO: 18001-@ |
|||
| ? | 01010-51025 | • BOLT | 4 | SN: 18001-@ KIT-FLAG: _- SERIALNO: 18001-@ |
|||
| ? | 01643-31032 | • WASHER | 4 | SN: 18001-@ KIT-FLAG: _- SERIALNO: 18001-@ |
|||
| ? | 12R-60-11230 | • SPRING | 1 | SN: 18001-@ KIT-FLAG: _- SERIALNO: 18001-@ |
|||
| ? | 203-60-42160 | • ROD | 1 | SN: 18001-@ KIT-FLAG: _- SERIALNO: 18001-@ |
|||
| ? | 21K-60-11190 | • STRAINER | 1 | SN: 18001-@ KIT-FLAG: _- SERIALNO: 18001-@ |
|||
| ? | 07000-05180 | • O-RING | 1 | SN: 18001-@ KIT-FLAG: _- SERIALNO: 18001-@ |
|||
| ? | 07002-03634 | • O-RING | 1 | SN: 18001-@ KIT-FLAG: _- SERIALNO: 18001-@ |
|||
| ? | 07044-13620 | • PLUG | 1 | SN: 18001-@ KIT-FLAG: _- SERIALNO: 18001-@ |
|||
| ? | 01010-51435 | BOLT | 6 | SN: 18001-@ KIT-FLAG: _- SERIALNO: 18001-@ |
|||
| ? | 01643-31445 | WASHER | 6 | SN: 18001-@ KIT-FLAG: _- SERIALNO: 18001-@ |
