k-part
Номер на схеме Каталожный номер Название Количество Детали
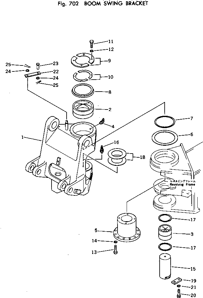
? 202-70-00100 BRACKET ASS'Y 1
SN: 10001-
KIT-FLAG: _-
SERIALNO: 10001-
? • BRACKET 1
SN: 10001-
KIT-FLAG: _-
SERIALNO: 10001-
? 202-70-48340 • BUSHING 1
SN: 10001-
KIT-FLAG: _-
SERIALNO: 10001-
? 202-70-48350 • BUSHING 1
SN: 10001-
KIT-FLAG: _-
SERIALNO: 10001-
? 07020-00675 FITTING 1
SN: 10001-
KIT-FLAG: _-
SERIALNO: 10001-
? 202-70-48530 SHAFT 1
SN: 10001-
KIT-FLAG: _-
SERIALNO: 10001-
? 202-70-48420 SPACER 1
SN: 10001-
KIT-FLAG: _-
SERIALNO: 10001-
? 202-70-48410 RING 1
SN: 10001-
KIT-FLAG: _-
SERIALNO: 10001-
? 201-70-28570 SEAL 1
SN: 10001-
KIT-FLAG: _-
SERIALNO: 10001-
? 202-70-48431 COVER 2
SN: 10003-
KIT-FLAG: _-
SERIALNO: 10003-
? 202-70-48430 COVER 2
SN: 10001-10002
KIT-FLAG: _-
SERIALNO: 10001-10002
? 202-70-48440 PLATE 2
SN: 10001-
KIT-FLAG: _-
SERIALNO: 10001-
? 01010-51230 BOLT 4
SN: 10001-
KIT-FLAG: _-
SERIALNO: 10001-
? 01643-31232 WASHER 4
SN: 10001-
KIT-FLAG: _-
SERIALNO: 10001-
? 01010-51450 BOLT 12
SN: 10001-
KIT-FLAG: _-
SERIALNO: 10001-
? 01643-31445 WASHER 12
SN: 10001-
KIT-FLAG: _-
SERIALNO: 10001-
? 202-70-48360 PIN 1
SN: 10001-
KIT-FLAG: _-
SERIALNO: 10001-
? 07020-00675 FITTING 1
SN: 10001-
KIT-FLAG: _-
SERIALNO: 10001-
? 07145-00120 SEAL 2
SN: 10001-
KIT-FLAG: _-
SERIALNO: 10001-
? 202-70-48390 SPACER, 0.5MM 1
SN: 10001-
KIT-FLAG: _-
SERIALNO: 10001-
? 202-70-48380 SPACER, 1.0MM 1
SN: 10001-
KIT-FLAG: _-
SERIALNO: 10001-
? 04082-00616 LOCK 1
SN: 10001-
KIT-FLAG: _-
SERIALNO: 10001-
? 01010-51640 BOLT 2
SN: 10001-
KIT-FLAG: _-
SERIALNO: 10001-
? 01643-31645 WASHER 2
SN: 10001-
KIT-FLAG: _-
SERIALNO: 10001-
? 201-60-11240 LINK 1
SN: 10001-
KIT-FLAG: _-
SERIALNO: 10001-
? 201-60-11230 PIN 1
SN: 10001-
KIT-FLAG: _-
SERIALNO: 10001-
? 01641-21626 WASHER 2
SN: 10001-
KIT-FLAG: _-
SERIALNO: 10001-
? 04050-14025 PIN 2
SN: 10001-
KIT-FLAG: _-
SERIALNO: 10001-

Excavators Komatsu / PC100U-2 S/N 10001-UP(pc100u-c) / BOOM SWING BRACKET(210020 : 702)