k-part
Номер на схеме Каталожный номер Название Количество Детали
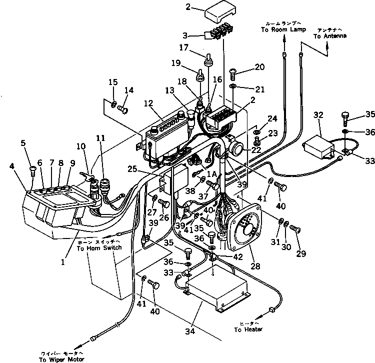
? 203-06-41676 WIRE ASS'Y 1
SN: 20400-21927
? 22W-06-13590 • DIODE 2
SN: 20400-@
? 205-06-71480 • FUSE BOX 1
SN: 20400-@
? 205-06-73180 • FUSE ? 15A 9
SN: 20400-@
? (7861-21-1101) PANEL ASS'Y 1
SN: 20913-21895
? (□7861-21-1100) PANEL ASS'Y 1
SN: 18001-20912
? 01220-40616 SCREW 4
SN: 18001-@
? 205-06-71311 SWITCH,MODE 1
SN: 18001-@
? 205-06-71321 SWITCH,HEATER 1
SN: 18001-@
? 205-06-71331 SWITCH,LAMP 1
SN: 18001-@
? 205-06-71341 SWITCH,WIPER 1
SN: 18001-@
? 201-06-21510 SWITCH,STARTING 1
SN: 18001-@
? 203-06-41810 LAMP 1
SN: 18001-@
? 08111-02430 • BULB ? 3W 1
SN: 18001-@
? 203-06-42110 RADIO 1
SN: 21065-@
? □20G-06-15111 RADIO 1
SN: 20400-21064
? 203-06-41930 LIGHTER 1
SN: 18001-@
? 01220-40412 SCREW 2
SN: 18001-@
? 01601-20410 WASHER,SPRING 2
SN: 18001-@
? 203-06-41570 SWITCH,AUTO DECELERATION 1
SN: 18001-@
? 203-06-41610 CAP 1
SN: 18001-@
? 203-06-41570 SWITCH,PARKING BRAKE 1
SN: 18001-@
? 203-06-41680 CAP 1
SN: 18001-@
? 01220-40616 SCREW 2
SN: 20400-@
? 01643-30623 WASHER 2
SN: 20400-@
? 203-06-41920 BUZZER 1
SN: 18001-@
? 01220-40612 SCREW 1
SN: 18001-@
? 01602-20619 WASHER,SPRING 1
SN: 18001-@
? 7861-72-3000 CONTROLLER ASS'Y 1
SN: .-21927
? □7861-01-3000 CONTROLLER ASS'Y 1
SN: 18001-.
? 01010-50612 BOLT 4
SN: 18001-21927
? 01602-20619 WASHER,SPRING 4
SN: 18001-21927
? 20G-06-15120 SPEAKER 1
SN: 18001-@
? 01220-40420 SCREW 4
SN: 18001-@
? 01601-20410 WASHER,SPRING 4
SN: 18001-@
? 01641-20405 WASHER 4
SN: 18001-@
? 203-06-41790 RESISTOR 1
SN: 18001-@
? 08036-01814 CLIP 2
SN: 18001-@
? 21K-06-21150 BOX 1
SN: 20400-@
? 01010-50816 BOLT 6
SN: 18001-@
? 01643-30823 WASHER 6
SN: 18001-@
? 01010-50610 BOLT 1
SN: 18001-@
? 01602-20619 WASHER,SPRING 1
SN: 18001-@
? 08036-01814 CLIP 4
SN: 18001-@
? 01010-51016 BOLT 2
SN: 18001-@
? 01602-21030 WASHER,SPRING 2
SN: 18001-@
? 08036-03014 CLIP 1
SN: 20400-@

Excavators Komatsu / PC100S-3 S/N 18001-UP(pc100s-r) / INSTRUMENT PANEL (FOR WRIST CONTROL) (WITH AUTO DECELERATION)    (WITH SWING MECHANICAL BRAKE)(#20400-21927)(030270 : 1413A)