| Номер на схеме | Каталожный номер | Название | Количество | Детали | |||
|---|---|---|---|---|---|---|---|
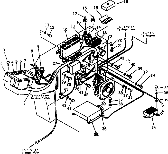
| ? | 203-06-41673 | WIRE ASS'Y | 1 | SN: 18313-20399 |
|||
| ? | 203-06-41672 | WIRE ASS'Y | 1 | SN: 18001-18312 |
|||
| ? | (7861-21-1100) | PANEL ASS'Y | 1 | SN: 18001-@ |
|||
| ? | 01220-40616 | SCREW | 4 | SN: 18001-@ |
|||
| ? | 205-06-71311 | SWITCH,MODE | 1 | SN: 18001-@ |
|||
| ? | 205-06-71321 | SWITCH,HEATER | 1 | SN: 18001-@ |
|||
| ? | 205-06-71331 | SWITCH,LAMP | 1 | SN: 18001-@ |
|||
| ? | 205-06-71341 | SWITCH,WIPER | 1 | SN: 18001-@ |
|||
| ? | 201-06-21510 | SWITCH,STARTING | 1 | SN: 18001-@ |
|||
| ? | 203-06-41810 | LAMP | 1 | SN: 18001-@ |
|||
| ? | 08111-02430 | • BULB ? 3W | 1 | SN: 18001-@ |
|||
| ? | 20G-06-15111 | RADIO | 1 | SN: 20400-@ |
|||
| ? | □20G-06-15110 | RADIO | 1 | SN: 18001-20399 |
|||
| ? | 203-06-41930 | LIGHTER | 1 | SN: 20400-@ |
|||
| ? | □195-822-6151 | LIGHTER | 1 | SN: 18001-20399 |
|||
| ? | 01220-40412 | SCREW | 2 | SN: 18001-@ |
|||
| ? | 01601-20410 | WASHER,SPRING | 2 | SN: 18001-@ |
|||
| ? | 203-06-41570 | SWITCH,AUTO DECELERATION | 1 | SN: 18001-@ |
|||
| ? | 203-06-41610 | CAP | 1 | SN: 18001-@ |
|||
| ? | 203-06-41570 | SWITCH,PARKING BRAKE | 1 | SN: 18001-@ |
|||
| ? | 203-06-41680 | CAP | 1 | SN: 18001-@ |
|||
| ? | 203-06-41540 | BOX,FUSE | 1 | SN: 18001-20399 |
|||
| ? | 08040-04000 | FUSE ? 40A | 1 | SN: 18001-20399 |
|||
| ? | 08040-03000 | FUSE ? 30A | 1 | SN: 18001-20399 |
|||
| ? | 08040-02000 | FUSE ? 20A | 1 | SN: 18001-20399 |
|||
| ? | 08040-01000 | FUSE ? 10A | 3 | SN: 18001-20399 |
|||
| ? | 203-06-41920 | BUZZER | 1 | SN: 20400-@ |
|||
| ? | □175-06-51210 | BUZZER | 1 | SN: 18001-20399 |
|||
| ? | 01220-40612 | SCREW | 1 | SN: 18001-@ |
|||
| ? | 01602-20619 | WASHER,SPRING | 1 | SN: 18001-@ |
|||
| ? | 22W-06-13450 | RELAY ASS'Y | 1 | SN: 18001-20399 |
|||
| ? | 01010-50612 | BOLT | 1 | SN: 18001-20399 |
|||
| ? | 01602-20619 | WASHER,SPRING | 1 | SN: 18001-20399 |
|||
| ? | 22W-06-13590 | DIODE | 2 | SN: 18001-20399 |
|||
| ? | 7861-72-3000 | CONTROLLER ASS'Y | 1 | SN: 19901-@ |
|||
| ? | □7861-01-3000 | CONTROLLER ASS'Y | 1 | SN: 18001-19900 |
|||
| ? | 01010-50612 | BOLT | 4 | SN: 18001-@ |
|||
| ? | 01602-20619 | WASHER,SPRING | 4 | SN: 18001-@ |
|||
| ? | 20G-06-15120 | SPEAKER | 1 | SN: 18001-@ |
|||
| ? | 01220-40420 | SCREW | 4 | SN: 18001-@ |
|||
| ? | 01601-20410 | WASHER,SPRING | 4 | SN: 18001-@ |
|||
| ? | 01641-20405 | WASHER | 4 | SN: 18001-@ |
|||
| ? | 203-06-41790 | RESISTOR | 1 | SN: 18001-@ |
|||
| ? | 08036-01814 | CLIP | 2 | SN: 18001-@ |
|||
| ? | 203-06-41282 | CONTROL BOX ASS'Y | 1 | SN: 18596-20399 |
|||
| ? | 203-06-41281 | CONTROL BOX ASS'Y | 1 | SN: 18001-18595 |
|||
| ? | 01010-50816 | BOLT | 6 | SN: 18001-@ |
|||
| ? | 01643-30823 | WASHER | 6 | SN: 18001-@ |
|||
| ? | 01010-50610 | BOLT | 1 | SN: 18001-@ |
|||
| ? | 01602-20619 | WASHER,SPRING | 1 | SN: 18001-@ |
|||
| ? | 08036-01814 | CLIP | 4 | SN: 18001-@ |
|||
| ? | 01010-51016 | BOLT | 2 | SN: 18001-@ |
|||
| ? | 01602-21030 | WASHER,SPRING | 2 | SN: 18001-@ |
