| Номер на схеме | Каталожный номер | Название | Количество | Детали | |||
|---|---|---|---|---|---|---|---|
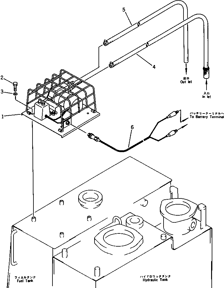
| ? | 203-04-41120 | PUMP ASS'Y | 1 | SN: 18001- |
|||
| ? | 01010-51020 | BOLT | 4 | SN: 18001- |
|||
| ? | 01643-31032 | WASHER | 4 | SN: 18001- |
|||
| ? | 203-04-41140 | HOSE ASS'Y | 1 | SN: 18001- |
|||
| ? | 203-14-41150 | HOSE | 1 | SN: 18001- |
|||
| ? | 203-04-41130 | CABLE | 1 | SN: 18001- |
