k-part
Номер на схеме Каталожный номер Название Количество Детали
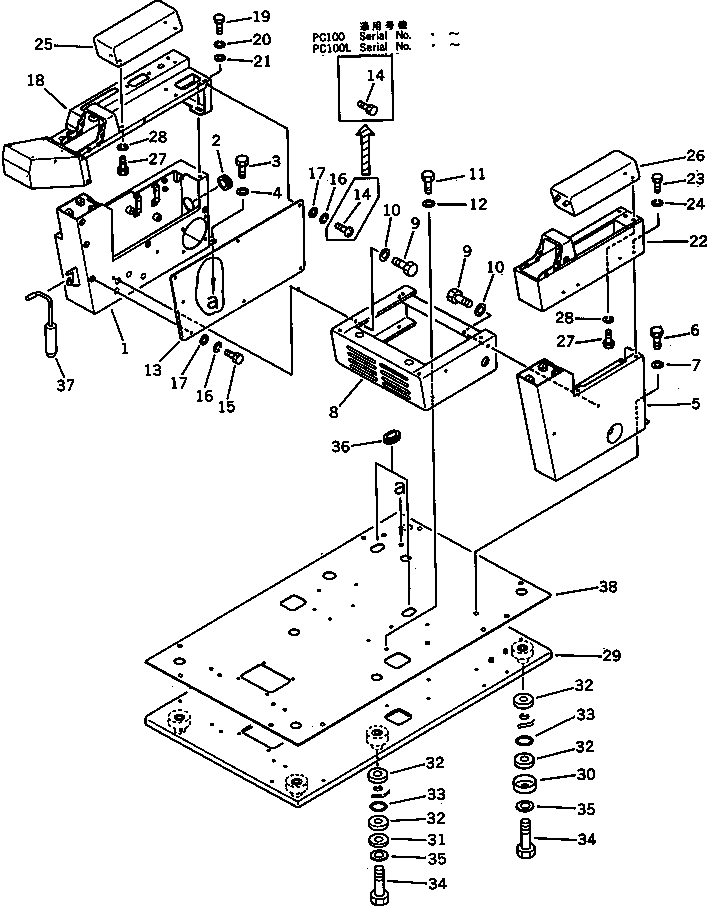
? 203-54-41521 BOX,R.H. 1
SN: 18248-20399
? 08037-05016 GROMMET 1
SN: 18001-@
? 01010-51225 BOLT 5
SN: 18001-@
? 01643-31232 WASHER 5
SN: 18001-@
? 203-54-41532 BOX,L.H. 1
SN: 19440-20399
? 203-54-41531 BOX,L.H. 1
SN: 18248-19439
? 01010-51225 BOLT 2
SN: 18001-@
? 01643-31232 WASHER 2
SN: 18001-@
? 203-54-41113 BRACKET 1
SN: 20400-@
? □203-54-41112 BRACKET 1
SN: 18248-20399
? 01010-51025 BOLT 4
SN: 18001-@
? 01643-31032 WASHER 4
SN: 18001-@
? 01010-51230 BOLT 4
SN: 18001-@
? 01643-31232 WASHER 4
SN: 18001-@
? 203-54-41193 COVER 1
SN: 20400-@
? □203-54-41192 COVER 1
SN: 18001-20399
? 01010-50612 BOLT 6
SN: .-@
? 01220-40612 SCREW 6
SN: 18001-.
? 01010-50612 BOLT 1
SN: 18001-@
? 01602-20619 WASHER,SPRING 7
SN: 18001-@
? 01640-20610 WASHER 7
SN: 18001-@
? 203-54-41122 BOX,R.H. 1
SN: 18248-20399
? 01010-50820 BOLT 3
SN: 18001-@
? 01602-20825 WASHER,SPRING 3
SN: 18001-@
? 01643-30823 WASHER 3
SN: 18001-@
? 203-54-41133 BOX,L.H. 1
SN: 19440-20400
? 203-54-41132 BOX,L.H. 1
SN: 18248-19439
? 01010-50820 BOLT 4
SN: 18001-@
? 01602-20825 WASHER,SPRING 4
SN: 18001-@
? 203-54-41172 CUSHION,R.H. 1
SN: 18248-@
? 203-54-41182 CUSHION,L.H. 1
SN: 18248-@
? 01010-50820 BOLT 8
SN: 18001-@
? 01602-20825 WASHER,SPRING 8
SN: 18001-@
? 203-54-41142 FRAME,FLOOR 1
SN: 18248-20399
? 201-54-21860 COLLAR 4
SN: 18001-@
? 205-54-51950 PLATE 2
SN: 18001-@
? 203-54-21110 CUSHION 12
SN: 18001-@
? 07000-03035 O-RING 6
SN: 18001-@
? 01010-51675 BOLT 6
SN: 18001-@
? 01643-31645 WASHER 6
SN: 18001-@
? 176-911-4160 GROMMET 2
SN: 18001-@
? 203-54-41412 PIN 1
SN: 18248-@
? 203-54-41251 MAT,FLOOR 1
SN: 18001-@

Excavators Komatsu / PC100S-3 S/N 18001-UP(pc100s-r) / OPERATOR