k-part
Номер на схеме Каталожный номер Название Количество Детали
? 203-06-67114 WIRING HARNESS 1
SN: 15270-
KIT-FLAG: _-
SERIALNO: 15270-
? □203-06-67113 WIRING HARNESS 1
SN: 15234-15269
KIT-FLAG: _-
SERIALNO: 15234-15269
? 203-06-67112 WIRING HARNESS 1
SN: 15200-15233
KIT-FLAG: _-
SERIALNO: 15200-15233
? 20Y-06-25240 • DIODE, 1.5A 1
SN: 15234-
KIT-FLAG: _-
SERIALNO: 15234-
? 20Y-06-25250 • DIODE, 1.5A 2
SN: 15234-
KIT-FLAG: _-
SERIALNO: 15234-
? 20Y-06-25260 • DIODE, 1.5A 2
SN: 15234-
KIT-FLAG: _-
SERIALNO: 15234-
? 08020-00000 • DIODE 10
SN: 15200-15233
KIT-FLAG: _-
SERIALNO: 15200-15233
? 20Y-06-31660 • FUSIBLE LINK, 30A,(CN-M11) 1
SN: 15270-
KIT-FLAG: _-
SERIALNO: 15270-
? 20Y-06-15150 • FUSIBLE LINK,(CN-M11) 1
SN: 15001-15269
KIT-FLAG: _-
SERIALNO: 15001-15269
? 20Y-06-15150 • FUSIBLE LINK 2
SN: 15001-
KIT-FLAG: _-
SERIALNO: 15001-
? 113-899-7950 CLIP 1
SN: 15001-
KIT-FLAG: _-
SERIALNO: 15001-
? 01010-81230 BOLT 1
SN: 15200-
KIT-FLAG: _-
SERIALNO: 15200-
? 01643-31232 WASHER 1
SN: 15001-
KIT-FLAG: _-
SERIALNO: 15001-
? 08036-02514 CLIP 4
SN: 15276-
KIT-FLAG: _-
SERIALNO: 15276-
? 08036-02514 CLIP 3
SN: 15001-15275
KIT-FLAG: _-
SERIALNO: 15001-15275
? 01010-81220 BOLT 1
SN: 15276-
KIT-FLAG: _-
SERIALNO: 15276-
? 01643-31232 WASHER 1
SN: 15276-
KIT-FLAG: _-
SERIALNO: 15276-
? 01010-81225 BOLT 3
SN: 15200-
KIT-FLAG: _-
SERIALNO: 15200-
? 01643-31232 WASHER 3
SN: 15001-
KIT-FLAG: _-
SERIALNO: 15001-
? 08036-01814 CLIP 1
SN: 15001-
KIT-FLAG: _-
SERIALNO: 15001-
? 04434-51012 CLIP 1
SN: 15276-
KIT-FLAG: _-
SERIALNO: 15276-
? 08036-01814 CLIP 1
SN: 15001-15275
KIT-FLAG: _-
SERIALNO: 15001-15275
? 01010-81220 BOLT 2
SN: 15200-
KIT-FLAG: _-
SERIALNO: 15200-
? 01643-31232 WASHER 2
SN: 15001-
KIT-FLAG: _-
SERIALNO: 15001-
? 08034-00536 BAND 1
SN: 15001-
KIT-FLAG: _-
SERIALNO: 15001-
? 203-06-61820 BRACKET 2
SN: 15001-
KIT-FLAG: _-
SERIALNO: 15001-
? 01010-81230 BOLT 2
SN: 15200-
KIT-FLAG: _-
SERIALNO: 15200-
? 01643-31232 WASHER 2
SN: 15001-
KIT-FLAG: _-
SERIALNO: 15001-
? 20Y-06-21460 CLIP 4
SN: 15001-
KIT-FLAG: _-
SERIALNO: 15001-
? 01010-81020 BOLT 1
SN: 15200-
KIT-FLAG: _-
SERIALNO: 15200-
? 01643-31032 WASHER 1
SN: 15001-
KIT-FLAG: _-
SERIALNO: 15001-
? 08038-00519 CAP 2
SN: 15001-
KIT-FLAG: _-
SERIALNO: 15001-
? 113-899-7950 CLIP 6
SN: 15001-
KIT-FLAG: _-
SERIALNO: 15001-
? 01010-81225 BOLT 6
SN: 15200-
KIT-FLAG: _-
SERIALNO: 15200-
? 01643-31232 WASHER 6
SN: 15001-
KIT-FLAG: _-
SERIALNO: 15001-
? 08035-03014 CLIP 1
SN: 15001-
KIT-FLAG: _-
SERIALNO: 15001-
? 01010-81220 BOLT 1
SN: 15200-
KIT-FLAG: _-
SERIALNO: 15200-
? 01643-31232 WASHER 1
SN: 15001-
KIT-FLAG: _-
SERIALNO: 15001-
? 203-06-66130 BRACKET 1
SN: 15118-
KIT-FLAG: _-
SERIALNO: 15118-
? 01010-81225 BOLT 2
SN: 15118-
KIT-FLAG: _-
SERIALNO: 15118-
? 01643-31232 WASHER 2
SN: 15118-
KIT-FLAG: _-
SERIALNO: 15118-
? 203-06-67161 BRACKET 1
SN: 15118-
KIT-FLAG: _-
SERIALNO: 15118-
? 01010-81225 BOLT 1
SN: 15118-
KIT-FLAG: _-
SERIALNO: 15118-
? 01643-31232 WASHER 1
SN: 15118-
KIT-FLAG: _-
SERIALNO: 15118-
? 203-06-67150 WIRING HARNESS 1
SN: 15118-
KIT-FLAG: _-
SERIALNO: 15118-
? 08036-01214 CLIP 1
SN: 15118-
KIT-FLAG: _-
SERIALNO: 15118-
? 01010-81220 BOLT 1
SN: 15200-
KIT-FLAG: _-
SERIALNO: 15200-
? 01643-31232 WASHER 1
SN: 15118-
KIT-FLAG: _-
SERIALNO: 15118-
? 08038-10519 CAP 2
SN: 15001-
KIT-FLAG: _-
SERIALNO: 15001-

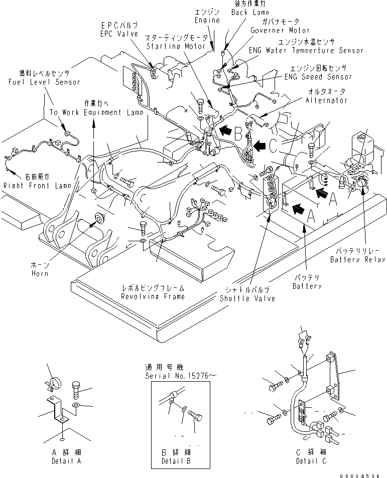
Excavators Komatsu / PC100L-6 S/N 15001-UP(pc100l-c) / WIRING (MAIN HARNESS)(#15200-)(120150 : E0200-02A0D)
?
?
?
?
?
?
?
?
?
?
?
?
?
?
?
?
?
?
?
?
?
?
?
?
?
?
?
?
?
?
?
?
?
?
?
?
?
?
?
?
?
?
?
?
?
?
?
?