| Номер на схеме | Каталожный номер | Название | Количество | Детали | |||
|---|---|---|---|---|---|---|---|
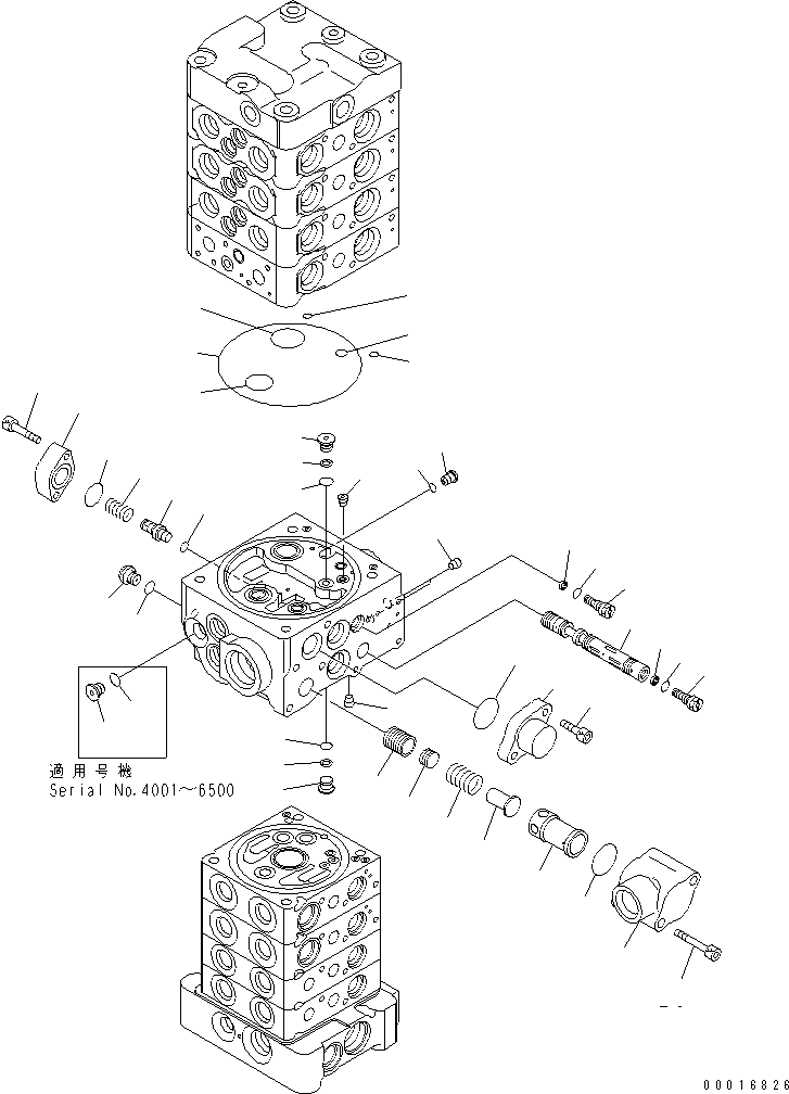
| ? | (723-28-50800) | CONTROL VALVE | 1 | SN: 6501- |
|||
| ? | (723-28-50400) | CONTROL VALVE | 1 | SN: 4001-6500 |
|||
| ? | THESE ASSEMBLIES CONSIST OF ALL PARTS SHOWN IN FIGS.Y1664-31A0 TO Y1664-55A0. | ||||||
| ? | ☆ | • BODY GROUP | 1 | SN: 6501- |
|||
| ? | ☆ | • BODY GROUP | 1 | SN: 4001-6500 |
|||
| ? | ☆ | • • SPOOL | 1 | SN: 4001- |
|||
| ? | ☆ | • • PLUG | 1 | SN: 4001- |
|||
| ? | ☆ | • • ORIFICE | 1 | SN: 4001- |
|||
| ? | ☆ | • • RING | 1 | SN: 4001- |
|||
| ? | ☆ | • • O-RING | 2 | SN: 4001- |
|||
| ? | 723-26-16330 | • • SPRING | 1 | SN: 4001- |
|||
| ? | 723-26-16340 | • • FLANGE | 1 | SN: 4001- |
|||
| ? | 722-12-19120 | • • O-RING | 1 | SN: 4001- |
|||
| ? | 01252-60625 | • • BOLT | 2 | SN: 4001- |
|||
| ? | 723-11-14350 | • • ORIFICE | 1 | SN: 4001- |
|||
| ? | 722-12-15160 | • • RING | 1 | SN: 4001- |
|||
| ? | 07002-10823 | • • O-RING | 1 | SN: 4001- |
|||
| ? | 723-26-16650 | • • FLANGE | 1 | SN: 4001- |
|||
| ? | 723-11-19110 | • • O-RING | 1 | SN: 4001- |
|||
| ? | 01252-60820 | • • BOLT | 2 | SN: 4001- |
|||
| ? | ☆ | • • CASE | 1 | SN: 4001- |
|||
| ? | 723-11-19110 | • • O-RING | 1 | SN: 4001- |
|||
| ? | ☆ | • • SLEEVE | 1 | SN: 4001- |
|||
| ? | 723-26-16420 | • • RETAINER | 1 | SN: 4001- |
|||
| ? | ☆ | • • PISTON | 1 | SN: 4001- |
|||
| ? | ☆ | • • VALVE | 1 | SN: 4001- |
|||
| ? | 723-26-16450 | • • SPRING | 1 | SN: 4001- |
|||
| ? | 01252-60855 | • • BOLT | 2 | SN: 4001- |
|||
| ? | 702-21-55620 | • • PLUG | 1 | SN: 4001-6500 |
|||
| ? | 07002-11423 | • • O-RING | 1 | SN: 4001-6500 |
|||
| ? | 708-8E-16160 | • • PLUG | 1 | SN: 4001- |
|||
| ? | 07002-11023 | • • O-RING | 1 | SN: 4001- |
|||
| ? | ☆ | • • PLUG | 9 | SN: 4001- |
|||
| ? | 723-11-27280 | • • PLUG | 1 | SN: 4001- |
|||
| ? | 07002-10823 | • • O-RING | 1 | SN: 4001- |
|||
| ? | 723-26-16460 | • • PLUG | 2 | SN: 4001- |
|||
| ? | 07000-11007 | • • O-RING | 2 | SN: 4001- |
|||
| ? | 07001-01007 | • • RING,BACK-UP | 2 | SN: 4001- |
|||
| ? | 07000-12120 | • • O-RING | 1 | SN: 4001- |
|||
| ? | 07000-12020 | • • O-RING | 1 | SN: 4001- |
|||
| ? | 723-26-15840 | • • O-RING | 1 | SN: 4001- |
|||
| ? | 07000-11008 | • • O-RING | 1 | SN: 4001- |
|||
| ? | 702-21-54260 | • • O-RING | 2 | SN: 4001- |