k-part
Номер на схеме Каталожный номер Название Количество Детали
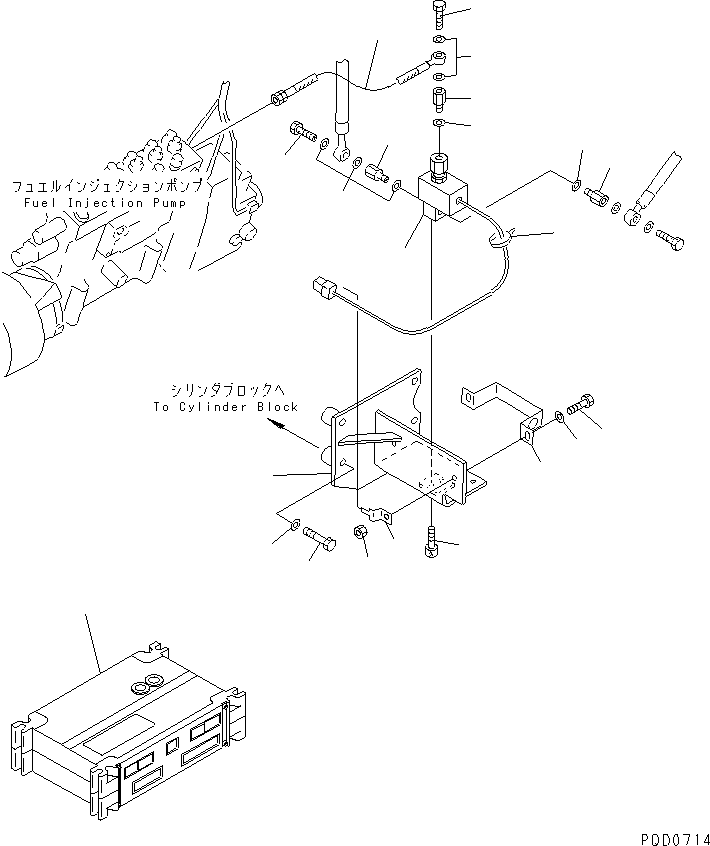
? 6162-75-4640 BRACKET 1
SN: 17389-
? 01010-81250 BOLT 4
SN: 17389-
? 01643-31232 WASHER 4
SN: 17389-
? 600-815-7581 VALVE 1
SN: 17389-
? 6215-71-9120 CLAMP 1
SN: 17389-
? 01010-81030 BOLT 2
SN: 17389-
? 01580-01008 NUT 2
SN: 17389-
? 01643-31032 WASHER 2
SN: 17389-
? 01252-30520 BOLT 2
SN: 17389-
? 08034-00519 BAND 1
SN: 17389-
? 6162-73-4670 NIPPLE 3
SN: 17389-
? 07206-31014 BOLT,JOINT 2
SN: 17389-
? 07005-01412 GASKET (K2) 7
SN: 17389-
? 08053-01510 CLIP 1
SN: 17389-
? 6162-75-4620 HOSE 1
SN: 17389-
? 7818-52-1004 CONTROLLER,(CHASSIS MOUNT) 1
SN: 20990-
? □7818-52-1003 CONTROLLER,(CHASSIS MOUNT) 1
SN: .-20989
? □7818-52-1001 CONTROLLER,(CHASSIS MOUNT) 1
SN: 18537-.
? □7818-52-1000 CONTROLLER,(CHASSIS MOUNT) 1
SN: 17389-18536

Engines Komatsu / SAA6D170E-2A S/N 17389-UP(saa6d17c) / FUEL CONTROL LINKAGE(031120 : A4710-A6B5)
?
?
?
?
?
?
?
?
?
?
?
?
?
?
?
?
?
?
?
?
?
?