k-part
Номер на схеме Каталожный номер Название Количество Детали
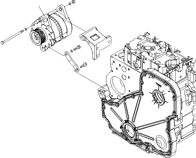
? (600-861-6111) ALTERNATOR A. (60A),(SEE FIG.A601P-02C1A) 1
SN: 26866735-
KIT-FLAG: _-
SERIALNO: 26866735-
? (□600-861-6110) ALTERNATOR A. (60A),(SEE FIG.A601P-02C1) 1
SN: 26850001-26866734
KIT-FLAG: _-
SERIALNO: 26850001-26866734

Engines Komatsu / SAA6D114E-3D-WT S/N 26850001-UP(saa6d3pc) / ALTERNATOR (60A)(030740 : A601P-01C1)
?