| Номер на схеме | Каталожный номер | Название | Количество | Детали | |||
|---|---|---|---|---|---|---|---|
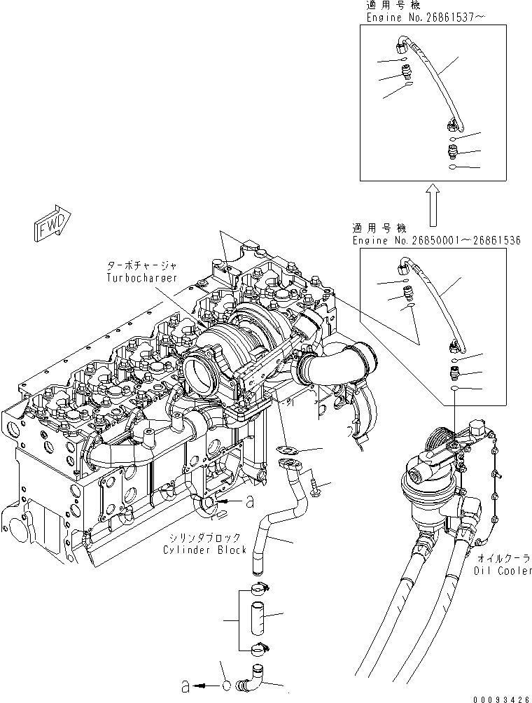
| ? | 6745-51-8130 | HOSE | 1 | SN: 26850001- KIT-FLAG: _- SERIALNO: 26850001- |
|||
| ? | 6745-61-8160 | CONNECTOR ASS'Y | 2 | SN: 26861537- KIT-FLAG: _- SERIALNO: 26861537- |
|||
| ? | □6732-51-8180 | CONNECTOR ASS'Y | 2 | SN: 26850001-26861536 KIT-FLAG: _- SERIALNO: 26850001-26861536 |
|||
| ? | 6737-51-8770 | • O-RING | 1 | SN: 26861537- KIT-FLAG: S- SERIALNO: 26861537- |
|||
| ? | 6736-51-8710 | • O-RING | 1 | SN: 26850001-26861536 KIT-FLAG: S- SERIALNO: 26850001-26861536 |
|||
| ? | 6732-81-8860 | • O-RING | 1 | SN: 26861537- KIT-FLAG: S- SERIALNO: 26861537- |
|||
| ? | 6732-81-8850 | • CONNECTOR | 1 | SN: 26850001-26861536 KIT-FLAG: _- SERIALNO: 26850001-26861536 |
|||
| ? | ☆ | • UNION | 1 | SN: 26861537- KIT-FLAG: _- SERIALNO: 26861537- |
|||
| ? | 6732-81-8860 | • O-RING | 1 | SN: 26850001-26861536 KIT-FLAG: S- SERIALNO: 26850001-26861536 |
|||
| ? | 6732-51-8370 | HOSE | 1 | SN: 26850001- KIT-FLAG: _- SERIALNO: 26850001- |
|||
| ? | 07281-00359 | CLAMP | 2 | SN: 26850001- KIT-FLAG: _- SERIALNO: 26850001- |
|||
| ? | 6745-51-8110 | TUBE | 1 | SN: 26850001- KIT-FLAG: _- SERIALNO: 26850001- |
|||
| ? | 6731-51-8150 | O-RING | 1 | SN: 26850001- KIT-FLAG: S- SERIALNO: 26850001- |
|||
| ? | 6745-51-8120 | CONNECTOR | 1 | SN: 26850001- KIT-FLAG: _- SERIALNO: 26850001- |
|||
| ? | 01435-60820 | BOLT | 2 | SN: 26863503- KIT-FLAG: _- SERIALNO: 26863503- |
|||
| ? | 6732-71-3220 | BOLT | 2 | SN: 26850001-26863502 KIT-FLAG: _- SERIALNO: 26850001-26863502 |
|||
| ? | 6207-51-7690 | GASKET | 1 | SN: 26850001- KIT-FLAG: S- SERIALNO: 26850001- |