k-part
Номер на схеме Каталожный номер Название Количество Детали
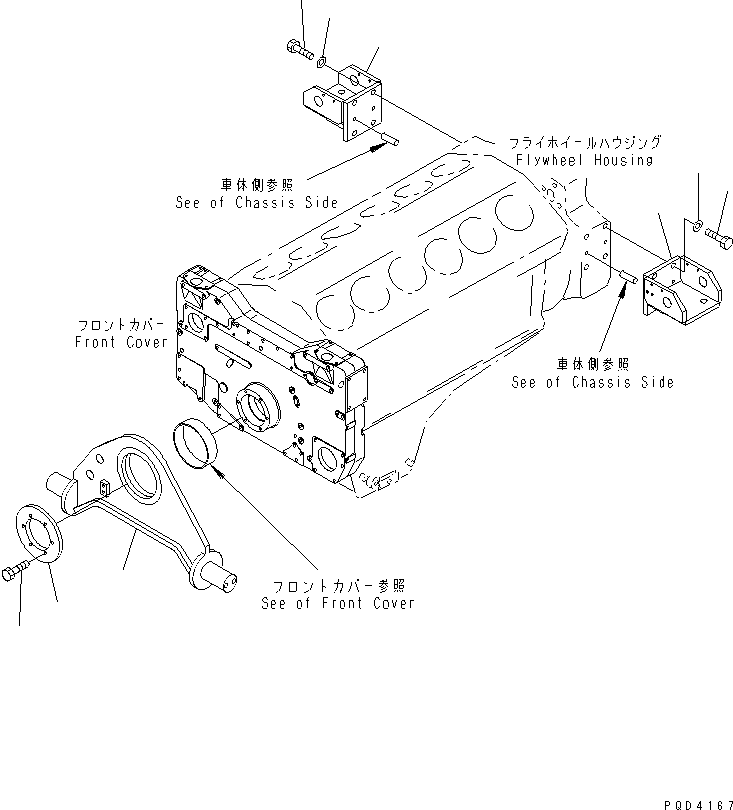
? 198-01-51111 SUPPORT,FRONT 1
SN: 11797-
? 6215-21-3180 PLATE 1
SN: 11797-
? 01010-81245 BOLT 6
SN: 11797-
? 6215-21-3310 BRACKET,REAR 2
SN: 11797-
? 6215-2L-3310 BRACKET,REAR (FOR SHIPPING) 2
SN: 11797-
? 01010-62050 BOLT 8
SN: 12702-
? □01010-32050 BOLT 8
SN: 11797-12701
? 01643-32060 WASHER 8
SN: 11797-

Engines Komatsu / SDA12V140-1C S/N 11797-UP(sda12v0c) / ENGINE SUPPORT AND BRACKET(030390 : A2250-A7C2)
?
?
?
?
?
?
?
?
?