| Номер на схеме | Каталожный номер | Название | Количество | Детали | |||
|---|---|---|---|---|---|---|---|
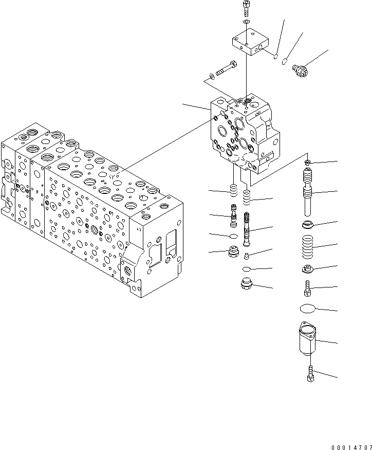
| ? | (723-48-26104) | CONTROL VALVE | 1 | SN: 25097- KIT-FLAG: _- SERIALNO: 25097- |
|||
| ? | (723-48-26103) | CONTROL VALVE | 1 | SN: 20560-25096 KIT-FLAG: _- SERIALNO: 20560-25096 |
|||
| ? | (723-48-26102) | CONTROL VALVE | 1 | SN: 20079-20559 KIT-FLAG: _- SERIALNO: 20079-20559 |
|||
| ? | (723-48-26101) | CONTROL VALVE | 1 | SN: 20001-20078 KIT-FLAG: _- SERIALNO: 20001-20078 |
|||
| ? | THESE ASSEMBLIES CONSIST OF ALL PARTS SHOWN IN FIGS.Y1664-01A0 TO Y1664-23A0. | SERIALNO: |
|||||
| ? | 723-40-71201 | • VALVE ASS'Y | 1 | SN: 20079- KIT-FLAG: _- SERIALNO: 20079- |
|||
| ? | 723-40-71200 | • VALVE ASS'Y | 1 | SN: 20001-20078 KIT-FLAG: _- SERIALNO: 20001-20078 |
|||
| ? | ☆ | • • BODY,VALVE | 1 | SN: 20001- KIT-FLAG: _- SERIALNO: 20001- |
|||
| ? | ☆ | • • SPOOL | 1 | SN: 20001- KIT-FLAG: _- SERIALNO: 20001- |
|||
| ? | ☆ | • • PLUG | 1 | SN: 20001- KIT-FLAG: _- SERIALNO: 20001- |
|||
| ? | 723-40-71330 | • • RETAINER | 1 | SN: 20001- KIT-FLAG: _- SERIALNO: 20001- |
|||
| ? | 723-40-71340 | • • SPRING | 1 | SN: 20001- KIT-FLAG: _- SERIALNO: 20001- |
|||
| ? | 01252-60816 | • • BOLT | 1 | SN: 20001- KIT-FLAG: _- SERIALNO: 20001- |
|||
| ? | 723-46-15111 | • • CASE | 1 | SN: 20001- KIT-FLAG: _- SERIALNO: 20001- |
|||
| ? | 723-40-71350 | • • RETAINER | 1 | SN: 20001- KIT-FLAG: _- SERIALNO: 20001- |
|||
| ? | 07430-71380 | • • O-RING | 1 | SN: 20001- KIT-FLAG: _- SERIALNO: 20001- |
|||
| ? | 01252-60820 | • • BOLT | 2 | SN: 20001- KIT-FLAG: _- SERIALNO: 20001- |
|||
| ? | ☆ | • • SPOOL | 1 | SN: 20079- KIT-FLAG: _- SERIALNO: 20079- |
|||
| ? | ☆ | • • SPOOL | 1 | SN: 20001-20078 KIT-FLAG: _- SERIALNO: 20001-20078 |
|||
| ? | 723-40-71440 | • • SPRING | 1 | SN: 20001- KIT-FLAG: _- SERIALNO: 20001- |
|||
| ? | ☆ | • • PLUG | 1 | SN: 20001- KIT-FLAG: _- SERIALNO: 20001- |
|||
| ? | 709-74-91860 | • • PLUG | 1 | SN: 20001- KIT-FLAG: _- SERIALNO: 20001- |
|||
| ? | 07002-12434 | • • O-RING | 1 | SN: 20001- KIT-FLAG: _- SERIALNO: 20001- |
|||
| ? | ☆ | • • SPOOL | 1 | SN: 20001- KIT-FLAG: _- SERIALNO: 20001- |
|||
| ? | 723-40-71390 | • • SPRING | 1 | SN: 20001- KIT-FLAG: _- SERIALNO: 20001- |
|||
| ? | 723-40-61150 | • • PLUG | 1 | SN: 20001- KIT-FLAG: _- SERIALNO: 20001- |
|||
| ? | 07002-12434 | • • O-RING | 1 | SN: 20001- KIT-FLAG: _- SERIALNO: 20001- |
|||
| ? | 723-40-91600 | • • VALVE ASS'Y,RELIEF | 1 | SN: 20001- KIT-FLAG: _- SERIALNO: 20001- |
|||
| ? | 702-16-53920 | • • • O-RING | 1 | SN: 20001- KIT-FLAG: _- SERIALNO: 20001- |
|||
| ? | 07002-11623 | • • • O-RING | 1 | SN: 20001- KIT-FLAG: _- SERIALNO: 20001- |