| Номер на схеме | Каталожный номер | Название | Количество | Детали | |||
|---|---|---|---|---|---|---|---|
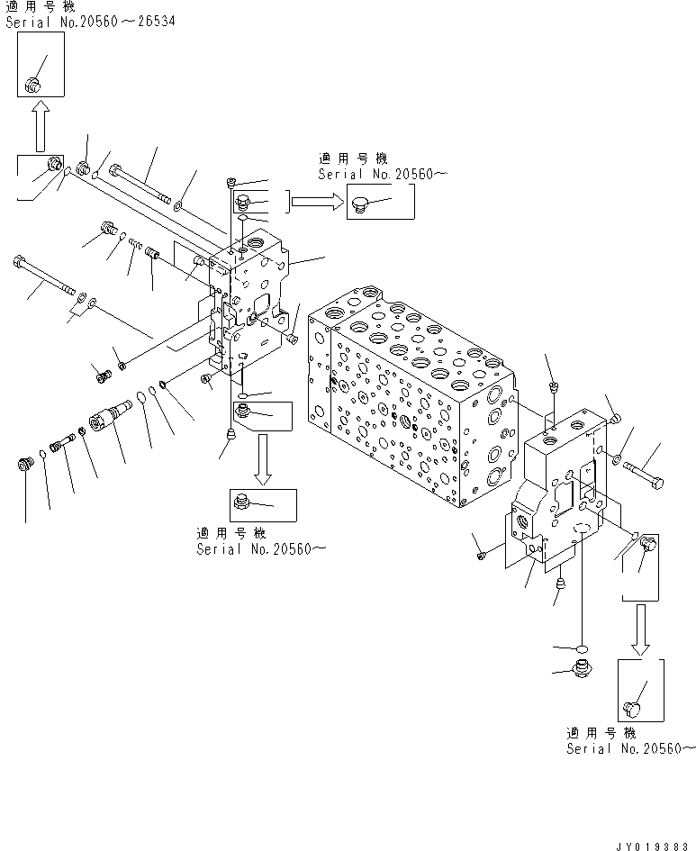
| ? | (723-47-26105) | CONTROL VALVE | 1 | SN: 25571- KIT-FLAG: _- SERIALNO: 25571- |
|||
| ? | (723-47-26104) | CONTROL VALVE | 1 | SN: 25097-25570 KIT-FLAG: _- SERIALNO: 25097-25570 |
|||
| ? | (723-47-26103) | CONTROL VALVE | 1 | SN: 20560-25096 KIT-FLAG: _- SERIALNO: 20560-25096 |
|||
| ? | (723-47-26102) | CONTROL VALVE | 1 | SN: 20079-20559 KIT-FLAG: _- SERIALNO: 20079-20559 |
|||
| ? | (723-47-26101) | CONTROL VALVE | 1 | SN: 20001-20078 KIT-FLAG: _- SERIALNO: 20001-20078 |
|||
| ? | THESE ASSEMBLIES CONSIST OF ALL PARTS SHOWN IN FIGS.Y1662-01A0 TO Y1662-20A0. | SERIALNO: |
|||||
| ? | 723-46-00660 | • COVER ASS'Y | 1 | SN: 20001- KIT-FLAG: _- SERIALNO: 20001- |
|||
| ? | ☆ | • • COVER,A | 1 | SN: 20001- KIT-FLAG: _- SERIALNO: 20001- |
|||
| ? | ☆ | • • PLUG | 7 | SN: 20001- KIT-FLAG: _- SERIALNO: 20001- |
|||
| ? | ☆ | • • PLUG | 1 | SN: 20001- KIT-FLAG: _- SERIALNO: 20001- |
|||
| ? | 723-46-00742 | • COVER ASS'Y | 1 | SN: 20001- KIT-FLAG: _- SERIALNO: 20001- |
|||
| ? | ☆ | • • COVER,B | 1 | SN: 20001- KIT-FLAG: _- SERIALNO: 20001- |
|||
| ? | ☆ | • • PLUG | 8 | SN: 20001- KIT-FLAG: _- SERIALNO: 20001- |
|||
| ? | 708-8E-16250 | • PLUG | 4 | SN: 26535- KIT-FLAG: _- SERIALNO: 26535- |
|||
| ? | 708-8E-16250 | • PLUG | 5 | SN: 20560-26534 KIT-FLAG: _- SERIALNO: 20560-26534 |
|||
| ? | 723-46-15180 | • PLUG | 5 | SN: 20001-20559 KIT-FLAG: _- SERIALNO: 20001-20559 |
|||
| ? | 07002-11823 | • O-RING | 4 | SN: 26535- KIT-FLAG: _- SERIALNO: 26535- |
|||
| ? | 07002-11823 | • O-RING | 5 | SN: 20001-26534 KIT-FLAG: _- SERIALNO: 20001-26534 |
|||
| ? | 723-46-17600 | • PLUG ASS'Y | 1 | SN: 20001- KIT-FLAG: _- SERIALNO: 20001- |
|||
| ? | 723-46-17610 | • • SLEEVE | 1 | SN: 20001- KIT-FLAG: _- SERIALNO: 20001- |
|||
| ? | 723-46-17640 | • • PLUG | 1 | SN: 20001- KIT-FLAG: _- SERIALNO: 20001- |
|||
| ? | 702-21-55760 | • • FILTER | 1 | SN: 20001- KIT-FLAG: _- SERIALNO: 20001- |
|||
| ? | 07002-11423 | • • O-RING | 1 | SN: 20001- KIT-FLAG: _- SERIALNO: 20001- |
|||
| ? | 07000-11007 | • • O-RING | 1 | SN: 20001- KIT-FLAG: _- SERIALNO: 20001- |
|||
| ? | 07001-01007 | • • RING,BACK-UP | 1 | SN: 20001- KIT-FLAG: _- SERIALNO: 20001- |
|||
| ? | 708-8E-16160 | • • PLUG | 1 | SN: 20001- KIT-FLAG: _- SERIALNO: 20001- |
|||
| ? | 07002-11023 | • • O-RING | 1 | SN: 20001- KIT-FLAG: _- SERIALNO: 20001- |
|||
| ? | 723-40-82220 | • FILTER | 2 | SN: 20001- KIT-FLAG: _- SERIALNO: 20001- |
|||
| ? | 723-46-17550 | • PLUG | 2 | SN: 20001- KIT-FLAG: _- SERIALNO: 20001- |
|||
| ? | 723-46-15190 | • VALVE | 2 | SN: 20001- KIT-FLAG: _- SERIALNO: 20001- |
|||
| ? | 723-46-14140 | • SPRING | 2 | SN: 20001- KIT-FLAG: _- SERIALNO: 20001- |
|||
| ? | 708-8E-16160 | • PLUG | 2 | SN: 20001- KIT-FLAG: _- SERIALNO: 20001- |
|||
| ? | 07002-11023 | • O-RING | 2 | SN: 20001- KIT-FLAG: _- SERIALNO: 20001- |
|||
| ? | 709-74-91860 | • PLUG | 1 | SN: 20001- KIT-FLAG: _- SERIALNO: 20001- |
|||
| ? | 07002-12434 | • O-RING | 1 | SN: 20001- KIT-FLAG: _- SERIALNO: 20001- |
|||
| ? | 708-8H-11530 | • PLUG | 1 | SN: 20001- KIT-FLAG: _- SERIALNO: 20001- |
|||
| ? | 07002-11423 | • O-RING | 1 | SN: 20001- KIT-FLAG: _- SERIALNO: 20001- |
|||
| ? | 01010-61490 | • BOLT | 4 | SN: 20001- KIT-FLAG: _- SERIALNO: 20001- |
|||
| ? | 01643-31445 | • WASHER | 10 | SN: 20001- KIT-FLAG: _- SERIALNO: 20001- |
|||
| ? | 01011-61455 | • BOLT | 4 | SN: 20001- KIT-FLAG: _- SERIALNO: 20001- |