| Номер на схеме | Каталожный номер | Название | Количество | Детали | |||
|---|---|---|---|---|---|---|---|
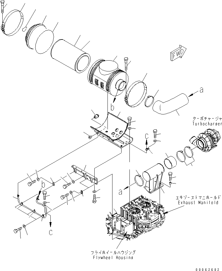
| ? | 6240-81-7701 | AIR CLEANER ASS'Y | 1 | SN: 610001- KIT-FLAG: _- SERIALNO: 610001- |
|||
| ? | 6240-81-7710 | BODY,AIR CLEANER | 1 | SN: 610001- KIT-FLAG: _- SERIALNO: 610001- |
|||
| ? | 600-185-6100 | ELEMENT ASS'Y | 1 | SN: 610001- KIT-FLAG: _- SERIALNO: 610001- |
|||
| ? | 600-184-1671 | • O-RING | 1 | SN: 610001- KIT-FLAG: _- SERIALNO: 610001- |
|||
| ? | 600-185-6110 | • ELEMENT,OUTER | 1 | SN: 610001- KIT-FLAG: _- SERIALNO: 610001- |
|||
| ? | ☆ | • ELEMENT,INNER | 1 | SN: 610001- KIT-FLAG: _- SERIALNO: 610001- |
|||
| ? | 600-184-1632 | COVER | 1 | SN: 610001- KIT-FLAG: _- SERIALNO: 610001- |
|||
| ? | 600-184-2810 | • PLATE,MARK | 1 | SN: 610001- KIT-FLAG: _- SERIALNO: 610001- |
|||
| ? | 6240-11-9910 | BAND | 2 | SN: 610001- KIT-FLAG: _- SERIALNO: 610001- |
|||
| ? | 6643-11-4641 | BOLT | 2 | SN: 610001- KIT-FLAG: _- SERIALNO: 610001- |
|||
| ? | 6245-11-8710 | BRACKET | 1 | SN: 610001- KIT-FLAG: _- SERIALNO: 610001- |
|||
| ? | 01010-81230 | BOLT | 5 | SN: 610001- KIT-FLAG: _- SERIALNO: 610001- |
|||
| ? | 01643-31232 | WASHER | 5 | SN: 610001- KIT-FLAG: _- SERIALNO: 610001- |
|||
| ? | 01010-81235 | BOLT | 1 | SN: 610001- KIT-FLAG: _- SERIALNO: 610001- |
|||
| ? | 01643-31232 | WASHER | 1 | SN: 610001- KIT-FLAG: _- SERIALNO: 610001- |
|||
| ? | 426-06-11570 | BRACKET | 1 | SN: 610001- KIT-FLAG: _- SERIALNO: 610001- |
|||
| ? | 6245-11-8720 | BRACKET | 1 | SN: 610001- KIT-FLAG: _- SERIALNO: 610001- |
|||
| ? | 01010-81230 | BOLT | 4 | SN: 610001- KIT-FLAG: _- SERIALNO: 610001- |
|||
| ? | 01643-31232 | WASHER | 4 | SN: 610001- KIT-FLAG: _- SERIALNO: 610001- |
|||
| ? | 01010-81240 | BOLT | 5 | SN: 610001- KIT-FLAG: _- SERIALNO: 610001- |
|||
| ? | 01643-31232 | WASHER | 5 | SN: 610001- KIT-FLAG: _- SERIALNO: 610001- |
|||
| ? | 01010-81235 | BOLT | 2 | SN: 610001- KIT-FLAG: _- SERIALNO: 610001- |
|||
| ? | 01643-31232 | WASHER | 2 | SN: 610001- KIT-FLAG: _- SERIALNO: 610001- |
|||
| ? | 426-01-11310 | BRACKET | 2 | SN: 610001- KIT-FLAG: _- SERIALNO: 610001- |
|||
| ? | 6245-11-7540 | HOSE | 1 | SN: 610001- KIT-FLAG: _- SERIALNO: 610001- |
|||
| ? | 208-01-72180 | CLAMP | 2 | SN: 610189- KIT-FLAG: _- SERIALNO: 610189- |
|||
| ? | 07289-00170 | CLAMP | 2 | SN: 610001-610188 KIT-FLAG: _- SERIALNO: 610001-610188 |
|||
| ? | 6245-11-7510 | TUBE,SUPPORT | 1 | SN: 610001- KIT-FLAG: _- SERIALNO: 610001- |
|||
| ? | 01010-E1270 | BOLT | 4 | SN: 610001- KIT-FLAG: _- SERIALNO: 610001- |
|||
| ? | 6144-81-6680 | SPACER | 4 | SN: 610001- KIT-FLAG: _- SERIALNO: 610001- |
|||
| ? | 6245-11-8731 | HOSE | 1 | SN: 610189- KIT-FLAG: _- SERIALNO: 610189- |
|||
| ? | 6245-11-8730 | HOSE | 1 | SN: 610001-610188 KIT-FLAG: _- SERIALNO: 610001-610188 |
|||
| ? | 208-01-72180 | CLAMP | 2 | SN: 610189- KIT-FLAG: _- SERIALNO: 610189- |
|||
| ? | 07289-00170 | CLAMP | 2 | SN: 610001-610188 KIT-FLAG: _- SERIALNO: 610001-610188 |
|||
| ? | 08672-01000 | INDICATOR,DUST | 1 | SN: 610001- KIT-FLAG: _- SERIALNO: 610001- |
|||
| ? | 08671-70140 | HOSE | 1 | SN: 610001- KIT-FLAG: _- SERIALNO: 610001- |
|||
| ? | 01010-81020 | BOLT | 1 | SN: 610001- KIT-FLAG: _- SERIALNO: 610001- |
|||
| ? | 01643-31032 | WASHER | 1 | SN: 610001- KIT-FLAG: _- SERIALNO: 610001- |
|||
| ? | 426-01-11310 | BRACKET | 1 | SN: 610001- KIT-FLAG: _- SERIALNO: 610001- |
|||
| ? | 01010-81020 | BOLT | 4 | SN: 610001- KIT-FLAG: _- SERIALNO: 610001- |
|||
| ? | 01643-31032 | WASHER | 4 | SN: 610001- KIT-FLAG: _- SERIALNO: 610001- |
|||
| ? | 04434-51410 | CLIP | 4 | SN: 610001- KIT-FLAG: _- SERIALNO: 610001- |
|||
| ? | 02720-20204 | PLUG | 1 | SN: 610001- KIT-FLAG: _- SERIALNO: 610001- |