k-part
Номер на схеме Каталожный номер Название Количество Детали
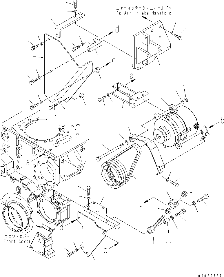
? (600-821-9731) ALTERNATOR A. (75A),(SEE FIG.A6010-B6H9) 1
SN: 311145-
? (□600-821-9730) ALTERNATOR A. (75A),(SEE FIG.A6010-B6H9) 1
SN: 310262-311144
? 6732-81-6840 BOLT 1
SN: 310262-
? 01643-31232 WASHER 1
SN: 310262-
? 01582-11210 NUT 1
SN: 310262-
? 01640-21323 WASHER 1
SN: 310262-
? 6240-81-6630 BRACKET 1
SN: 310262-
? 01010-81230 BOLT 2
SN: 310262-
? 01643-31232 WASHER 2
SN: 310262-
? 569-07-81210 BRACKET 1
SN: 310302-
? □21N-979-3790 BRACKET 1
SN: 310262-310301
? 01010-81030 BOLT 6
SN: 310262-
? 01643-31032 WASHER 6
SN: 310262-
? 6240-81-6461 BRACKET 1
SN: 310262-
? 01010-81040 BOLT 2
SN: 310262-
? 01643-31032 WASHER 2
SN: 310262-
? 6240-81-6420 BRACKET 1
SN: 310262-
? 01010-81045 BOLT 4
SN: 310262-
? 01643-31032 WASHER 4
SN: 310262-
? 6240-81-8640 ROD 1
SN: 310262-
? 6215-81-6150 PIN 1
SN: 310262-
? 01010-81255 BOLT 1
SN: 310262-
? 01643-31232 WASHER 1
SN: 310262-
? 6150-82-8690 PLATE 1
SN: 310262-
? 01580-11411 NUT 2
SN: 310262-
? 01050-51260 BOLT 1
SN: 310262-
? 01643-31232 WASHER 1
SN: 310262-
? 04121-21740 V-BELT SET 1
SN: 310262-
? 6240-81-6411 COVER 1
SN: 310262-
? 01010-81040 BOLT 2
SN: 310262-
? 01643-31032 WASHER 2
SN: 310262-
? 195-03-41520 COLLAR 2
SN: 310262-
? 01010-81025 BOLT 1
SN: 310262-
? 01643-31032 WASHER 1
SN: 310262-
? 01010-81020 BOLT 1
SN: 310262-
? 01643-31032 WASHER 1
SN: 310262-
? 6240-81-6440 COVER 1
SN: 310262-
? 6240-81-6450 BRACKET 1
SN: 310262-
? 01010-81025 BOLT 1
SN: 310262-
? 01643-31032 WASHER 1
SN: 310262-
? 6240-81-6470 COVER 1
SN: 310262-
? 6240-81-6530 BRACKET 1
SN: 310262-
? 01010-81020 BOLT 1
SN: 310262-
? 01010-81045 BOLT 1
SN: 310262-
? 01643-31032 WASHER 2
SN: 310262-

Engines Komatsu / SAA6D170E-3F-8 S/N 310001-UP(saa6d0fr) / ALTERNATOR MOUNTING (75A) (MSHA SPEC.)(#310262-)(030720 : A6010-A6H9)
?
?
?
?
?
?
?
?
?
?
?
?
?
?
?
?
?
?
?
?
?
?
?
?
?
?
?
?
?
?
?
?
?
?
?
?
?
?
?
?
?
?
?
?
?
?
?
?