| Номер на схеме | Каталожный номер | Название | Количество | Детали | |||
|---|---|---|---|---|---|---|---|
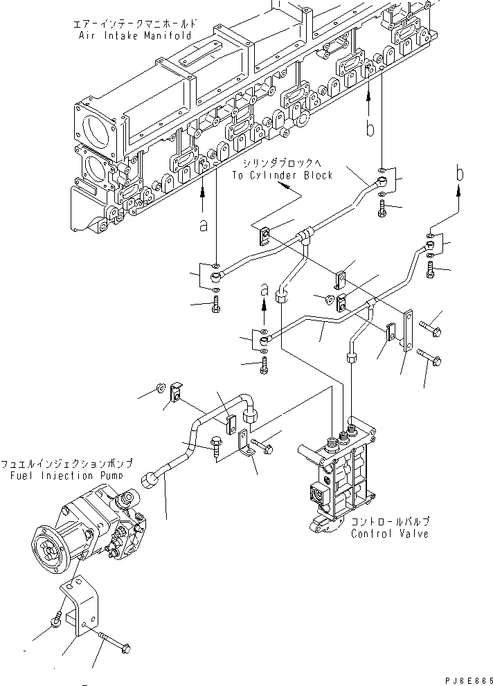
| ? | 6240-71-1320 | BRACKET | 1 | SN: 310169- |
|||
| ? | 01435-01070 | BOLT | 2 | SN: 310169- |
|||
| ? | 01435-01225 | BOLT | 2 | SN: 310169- |
|||
| ? | 6240-71-5250 | TUBE,INJECTION | 1 | SN: 310169- |
|||
| ? | 6240-71-6530 | CLAMP | 1 | SN: 310169- |
|||
| ? | 6240-71-6540 | CLAMP | 1 | SN: 310169- |
|||
| ? | 01435-01045 | BOLT | 1 | SN: 310169- |
|||
| ? | 01584-01008 | NUT | 1 | SN: 310169- |
|||
| ? | 6240-71-6620 | BRACKET | 1 | SN: 310169- |
|||
| ? | 01435-01025 | BOLT | 1 | SN: 310169- |
|||
| ? | 6240-71-5310 | TUBE | 1 | SN: 310169- |
|||
| ? | 07206-31216 | BOLT | 2 | SN: 310169- |
|||
| ? | 07005-01612 | GASKET (K2) | 4 | SN: 310169- |
|||
| ? | 6240-71-6510 | CLAMP | 1 | SN: 310169- |
|||
| ? | 6240-71-6520 | CLAMP | 1 | SN: 310169- |
|||
| ? | 6240-71-6610 | BRACKET | 1 | SN: 310169- |
|||
| ? | 01435-01045 | BOLT | 1 | SN: 310169- |
|||
| ? | 6240-71-5410 | TUBE | 1 | SN: 310169- |
|||
| ? | 07206-31014 | BOLT,JOINT | 2 | SN: 310169- |
|||
| ? | 07005-01412 | GASKET (K2) | 4 | SN: 310169- |
|||
| ? | 6240-71-6570 | CLAMP | 1 | SN: 310169- |
|||
| ? | 6240-71-6580 | CLAMP | 1 | SN: 310169- |
|||
| ? | 01435-01060 | BOLT | 1 | SN: 310169- |
|||
| ? | 01584-01008 | NUT | 1 | SN: 310169- |