k-part
Номер на схеме Каталожный номер Название Количество Детали
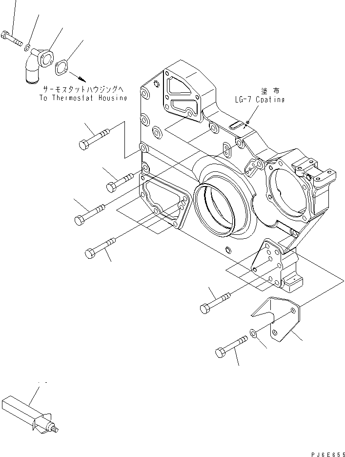
? 01010-81275 BOLT 15
SN: 310169-
? 01010-81265 BOLT 1
SN: 310169-
? 01010-81285 BOLT 2
SN: 310169-
? 01643-31232 WASHER 2
SN: 310169-
? 6240-21-3370 POINTER 1
SN: 310169-
? 6240-61-6720 CONNECTOR 1
SN: 310169-
? 6222-11-6820 GASKET 1
SN: 310169-
? 01010-81075 BOLT 2
SN: 310169-
? 01643-31032 WASHER 2
SN: 310169-
? 09920-00150 LIQUID GASKET,LG-7¤ 150G A/R
SN: 310169-

Engines Komatsu / SAA6D170E-3F-8 S/N 310001-UP(saa6d0fr) / FRONT COVER MOUNTING(#310169-)(030210 : A2041-A6D2)
?
?
?
?
?
?
?
?
?
?
?
?
?