| Номер на схеме | Каталожный номер | Название | Количество | Детали | |||
|---|---|---|---|---|---|---|---|
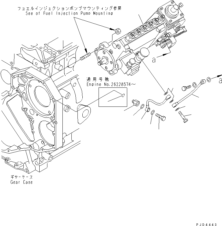
| ? | (6736-71-1140) | INJECTION PUMP ASS'Y,(SEE FIG.A401P-02A1) | 1 | SN: 26201322- |
|||
| ? | 6732-71-5450 | NIPPLE | 1 | SN: 26228574- |
|||
| ? | 6162-53-9340 | NIPPLE | 1 | SN: 26201322-26228573 |
|||
| ? | 07206-30710 | BOLT,JOINT | 1 | SN: 26201322- |
|||
| ? | 07005-01012 | GASKET | 5 | SN: 26201322- |
|||
| ? | 6735-71-5411 | TUBE | 1 | SN: 26201322- |
|||
| ? | 6735-71-5420 | BOLT,JOINT | 1 | SN: 26201322- |
|||
| ? | 6735-71-5430 | TUBE | 1 | SN: 26201322- |
|||
| ? | 6215-81-9710 | O-RING | 1 | SN: 26228574- |