| Номер на схеме | Каталожный номер | Название | Количество | Детали | |||
|---|---|---|---|---|---|---|---|
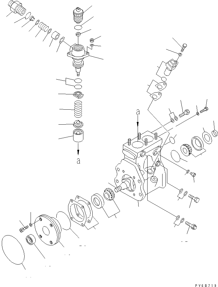
| ? | 6156-71-1111 | PUMP | 1 | SN: 320580- KIT-FLAG: _- SERIALNO: 320580- |
|||
| ? | THIS ASSEMBLY CONSISTS OF ALL PARTS SHOWN IN FIGS.A4010-C3Z3 AND A4010-D3Z3. | SERIALNO: |
|||||
| ? | (★ND094100-0341) | • BODY ASS'Y | 1 | SN: 320580- KIT-FLAG: _- SERIALNO: 320580- |
|||
| ? | (★ND094110-0210) | • • HOUSING ASS'Y | 1 | SN: 320580- KIT-FLAG: _- SERIALNO: 320580- |
|||
| ? | (★ND094131-0020) | • • HOLDER,DELIVERY VALVE | 2 | SN: 320580- KIT-FLAG: _- SERIALNO: 320580- |
|||
| ? | (★ND094133-0020) | • • STOPPER,DELIVERY VALVE | 2 | SN: 320580- KIT-FLAG: _- SERIALNO: 320580- |
|||
| ? | (★ND094086-0090) | • • O-RING | 2 | SN: 320580- KIT-FLAG: _- SERIALNO: 320580- |
|||
| ? | (★ND090136-1252) | • • SPRING,DELIVERY VALVE | 2 | SN: 320580- KIT-FLAG: _- SERIALNO: 320580- |
|||
| ? | (★ND094137-0010) | • • GASKET | 2 | SN: 320580- KIT-FLAG: _- SERIALNO: 320580- |
|||
| ? | (★ND094140-0021) | • • VALVE ASS'Y | 2 | SN: 320580- KIT-FLAG: _- SERIALNO: 320580- |
|||
| ? | (★ND094150-0250) | • • ELEMENT ASS'Y | 2 | SN: 320580- KIT-FLAG: _- SERIALNO: 320580- |
|||
| ? | (★ND094086-0100) | • • O-RING | 6 | SN: 320580- KIT-FLAG: _- SERIALNO: 320580- |
|||
| ? | (★ND949013-5880) | • • WASHER | 4 | SN: 320580- KIT-FLAG: _- SERIALNO: 320580- |
|||
| ? | (★ND92156-08081) | • • NUT | 4 | SN: 320580- KIT-FLAG: _- SERIALNO: 320580- |
|||
| ? | (★ND094162-0040) | • • SEAT,SPRING UPPER | 2 | SN: 320580- KIT-FLAG: _- SERIALNO: 320580- |
|||
| ? | (★ND094164-0010) | • • SPRING,PLUNGER | 2 | SN: 320580- KIT-FLAG: _- SERIALNO: 320580- |
|||
| ? | (★ND094165-0021) | • • SEAT,SPRING LOWER | 2 | SN: 320580- KIT-FLAG: _- SERIALNO: 320580- |
|||
| ? | (★ND094170-0100) | • • TAPPET ASS'Y | 2 | SN: 320580- KIT-FLAG: _- SERIALNO: 320580- |
|||
| ? | (★ND094191-0371) | • • CAMSHAFT | 1 | SN: 320580- KIT-FLAG: _- SERIALNO: 320580- |
|||
| ? | (★ND949101-0230) | • • BEARING,ROLLER | 2 | SN: 320580- KIT-FLAG: _- SERIALNO: 320580- |
|||
| ? | (★ND094104-0100) | • • COVER,BEARING | 1 | SN: 320580- KIT-FLAG: _- SERIALNO: 320580- |
|||
| ? | (★ND949150-3030) | • • SEAL,OIL | 1 | SN: 320580- KIT-FLAG: _- SERIALNO: 320580- |
|||
| ? | (★ND094086-0120) | • • O-RING | 1 | SN: 320580- KIT-FLAG: _- SERIALNO: 320580- |
|||
| ? | (★ND094095-0100) | • • SHIM, 0.05MM | A/R | SN: 320580- KIT-FLAG: _- SERIALNO: 320580- |
|||
| ? | (★ND094095-0130) | • • SHIM, 0.10MM | A/R | SN: 320580- KIT-FLAG: _- SERIALNO: 320580- |
|||
| ? | (★ND094095-0140) | • • SHIM, 0.20MM | A/R | SN: 320580- KIT-FLAG: _- SERIALNO: 320580- |
|||
| ? | (★ND094095-0150) | • • SHIM, 0.30MM | A/R | SN: 320580- KIT-FLAG: _- SERIALNO: 320580- |
|||
| ? | (★ND094095-0160) | • • SHIM, 0.50MM | A/R | SN: 320580- KIT-FLAG: _- SERIALNO: 320580- |
|||
| ? | (★ND094092-0010) | • • WASHER | 4 | SN: 320580- KIT-FLAG: _- SERIALNO: 320580- |
|||
| ? | (★ND949044-3320) | • • BOLT | 4 | SN: 320580- KIT-FLAG: _- SERIALNO: 320580- |
|||
| ? | (★ND094086-0110) | • • O-RING | 1 | SN: 320580- KIT-FLAG: _- SERIALNO: 320580- |
|||
| ? | (★ND094086-0130) | • • O-RING | 1 | SN: 320580- KIT-FLAG: _- SERIALNO: 320580- |
|||
| ? | (★ND094093-0050) | • • SHIM, 0.40MM | A/R | SN: 320580- KIT-FLAG: _- SERIALNO: 320580- |
|||
| ? | (★ND094093-0060) | • • SHIM, 0.60MM | A/R | SN: 320580- KIT-FLAG: _- SERIALNO: 320580- |
|||
| ? | (★ND094093-0070) | • • SHIM, 0.80MM | A/R | SN: 320580- KIT-FLAG: _- SERIALNO: 320580- |
|||
| ? | (★ND094093-0080) | • • SHIM, 1.00MM | A/R | SN: 320580- KIT-FLAG: _- SERIALNO: 320580- |
|||
| ? | (★ND095300-0140) | • • VALVE ASS'Y,CONTROL | 2 | SN: 320580- KIT-FLAG: _- SERIALNO: 320580- |
|||
| ? | (★ND029600-0580) | • • SENSOR ASS'Y | 1 | SN: 320580- KIT-FLAG: _- SERIALNO: 320580- |
|||
| ? | (★ND949140-6310) | • • • O-RING | 1 | SN: 320580- KIT-FLAG: _- SERIALNO: 320580- |
|||
| ? | (★ND094096-0050) | • • SHIM, 0.15MM | A/R | SN: 320580- KIT-FLAG: _- SERIALNO: 320580- |
|||
| ? | (★ND094096-0060) | • • SHIM, 0.20MM | A/R | SN: 320580- KIT-FLAG: _- SERIALNO: 320580- |
|||
| ? | (★ND094096-0070) | • • SHIM, 0.25MM | A/R | SN: 320580- KIT-FLAG: _- SERIALNO: 320580- |
|||
| ? | (★ND094096-0080) | • • SHIM, 0.40MM | A/R | SN: 320580- KIT-FLAG: _- SERIALNO: 320580- |
|||
| ? | (★ND90200-06081) | • • WASHER | 1 | SN: 320580- KIT-FLAG: _- SERIALNO: 320580- |
|||
| ? | (★ND90107-06161) | • • BOLT | 1 | SN: 320580- KIT-FLAG: _- SERIALNO: 320580- |
|||
| ? | ND090310-0500 | • • VALVE ASS'Y,OVERFLOW | 1 | SN: 320580- KIT-FLAG: _- SERIALNO: 320580- |
|||
| ? | ND090222-0070 | • • WASHER | 5 | SN: 320580- KIT-FLAG: _- SERIALNO: 320580- |
|||
| ? | ND949180-0310 | • • SCREW | 1 | SN: 320580- KIT-FLAG: _- SERIALNO: 320580- |
|||
| ? | ND090222-0120 | • • WASHER | 2 | SN: 320580- KIT-FLAG: _- SERIALNO: 320580- |
|||
| ? | ND949180-0060 | • • SCREW | 1 | SN: 320580- KIT-FLAG: _- SERIALNO: 320580- |
|||
| ? | (★ND949018-0350) | • • WASHER | 1 | SN: 320580- KIT-FLAG: _- SERIALNO: 320580- |
|||
| ? | (★ND090317-0140) | • • PLUG,SCREW | 1 | SN: 320580- KIT-FLAG: _- SERIALNO: 320580- |
|||
| ? | (★ND90218-06120) | • • WASHER, 0.30MM | A/R | SN: 320580- KIT-FLAG: _- SERIALNO: 320580- |
|||
| ? | (★ND90218-06130) | • • WASHER, 0.10MM | A/R | SN: 320580- KIT-FLAG: _- SERIALNO: 320580- |
|||
| ? | (★ND90218-06140) | • • WASHER, 0.50MM | A/R | SN: 320580- KIT-FLAG: _- SERIALNO: 320580- |
|||
| ? | (★ND095331-0020) | • • STOPPER | 2 | SN: 320580- KIT-FLAG: _- SERIALNO: 320580- |
|||
| ? | (★ND090207-0100) | • • RING | 1 | SN: 320580- KIT-FLAG: _- SERIALNO: 320580- |
|||
| ? | ND090244-0010 | • • SCREW | 1 | SN: 320580- KIT-FLAG: _- SERIALNO: 320580- |
|||
| ? | ND949010-3020 | • • WASHER | 1 | SN: 320580- KIT-FLAG: _- SERIALNO: 320580- |
|||
| ? | ND094086-0210 | • O-RING (K2) | 1 | SN: 320580- KIT-FLAG: S- SERIALNO: 320580- |