| Номер на схеме | Каталожный номер | Название | Количество | Детали | |||
|---|---|---|---|---|---|---|---|
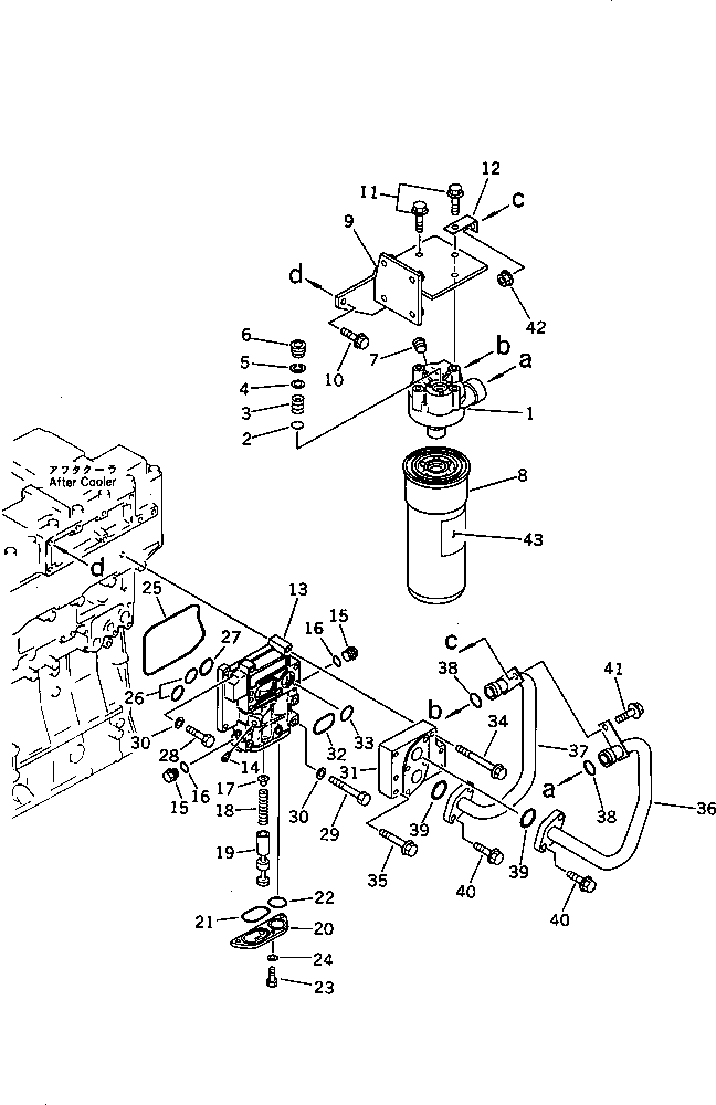
| ? | 6212-51-5300 | OIL FILTER ASS'Y | 1 | SN: 10420- |
|||
| ? | 6212-51-5310 | • HEAD | 1 | SN: 10420- |
|||
| ? | 6150-51-4920 | • DISC | 1 | SN: 10420- |
|||
| ? | 6151-51-5320 | • SPRING | 1 | SN: 10420- |
|||
| ? | 6150-51-4360 | • RETAINER | 1 | SN: 10420- |
|||
| ? | 04065-03012 | • RING,SNAP | 1 | SN: 10420- |
|||
| ? | 02720-21616 | • PLUG | 1 | SN: 10420- |
|||
| ? | 07043-50617 | • PLUG | 1 | SN: 10420- |
|||
| ? | 600-211-1230 | • CARTRIDGE | 1 | SN: 10420- |
|||
| ? | 6212-51-5320 | BRACKET | 1 | SN: 10420- |
|||
| ? | 01435-01025 | BOLT | 4 | SN: 10420- |
|||
| ? | 01435-01030 | BOLT | 4 | SN: 10420- |
|||
| ? | 6136-71-5730 | BRACKET | 1 | SN: 10420- |
|||
| ? | 6211-51-5500 | ADAPTER ASS'Y | 1 | SN: 10420- |
|||
| ? | ☆ | • BODY | 1 | SN: 10420- |
|||
| ? | 07043-00211 | • PLUG | 1 | SN: 10420- |
|||
| ? | 6210-51-5570 | • PLUG | 2 | SN: 10420- |
|||
| ? | 07000-62018 | • O-RING (K2) | 2 | SN: 11978- |
|||
| ? | 07000-62018 | • O-RING (K2) | 2 | SN: 11697-11977 |
|||
| ? | 07000-62018 | • O-RING | 2 | SN: 10420-11696 |
|||
| ? | 6210-51-5590 | • SEAT | 1 | SN: 10420- |
|||
| ? | 6210-51-5560 | • SPRING | 1 | SN: 10420- |
|||
| ? | 6210-51-5550 | • VALVE | 1 | SN: 10420- |
|||
| ? | 6211-51-5520 | • COVER | 1 | SN: 10420- |
|||
| ? | 6210-51-5580 | • O-RING (K2) | 1 | SN: 11978- |
|||
| ? | 6210-51-5580 | • O-RING (K2) | 1 | SN: 11697-11977 |
|||
| ? | 6210-51-5580 | • O-RING | 1 | SN: 10420-11696 |
|||
| ? | 07000-63032 | • O-RING (K2) | 1 | SN: 11978- |
|||
| ? | 07000-63032 | • O-RING (K2) | 1 | SN: 11697-11977 |
|||
| ? | 07000-63032 | • O-RING (K2) | 1 | SN: 10420-11696 |
|||
| ? | 01010-30816 | • BOLT | 3 | SN: 10420- |
|||
| ? | 01640-20816 | • WASHER | 3 | SN: 10420- |
|||
| ? | 6210-21-6462 | O-RING (K2) | 1 | SN: 13859- |
|||
| ? | ♦6210-21-6461 | O-RING | 1 | SN: 13418-13858 |
|||
| ? | ♦6210-21-6461 | O-RING (K2) | 1 | SN: 10420-13417 |
|||
| ? | (☒6210-21-6460) | O-RING (K2) | 1 | SN: (10420-12133) |
|||
| ? | 07000-63028 | O-RING (K2) | 2 | SN: 10420- |
|||
| ? | 07000-63032 | O-RING (K2) | 1 | SN: 10420- |
|||
| ? | 01010-51030 | BOLT | 2 | SN: 10420- |
|||
| ? | 01010-51060 | BOLT | 5 | SN: 10420- |
|||
| ? | 01640-21016 | WASHER | 7 | SN: 10420- |
|||
| ? | 6212-51-6110 | ADAPTER | 1 | SN: 10420- |
|||
| ? | 07000-63048 | O-RING (K2) | 1 | SN: 10420- |
|||
| ? | 07000-63032 | O-RING (K2) | 1 | SN: 10420- |
|||
| ? | 01435-01095 | BOLT | 2 | SN: 10420- |
|||
| ? | 01435-01050 | BOLT | 4 | SN: 10420- |
|||
| ? | 6212-51-6160 | TUBE,INLET | 1 | SN: 10420- |
|||
| ? | 6212-51-6150 | TUBE,OUTLET | 1 | SN: 10420- |
|||
| ? | 07000-63025 | O-RING (K2) | 2 | SN: 10420- |
|||
| ? | 07000-63032 | O-RING (K2) | 2 | SN: 10420- |
|||
| ? | 01435-01030 | BOLT | 4 | SN: 10420- |
|||
| ? | 01435-01020 | BOLT | 1 | SN: 10420- |
|||
| ? | 01584-01008 | NUT | 1 | SN: 10420- |
|||
| ? | 600-211-1660 | PLATE¤ INSTRUCTION,(ENGLISH-ITALIAN) | 1 | SN: 10420- |
|||
| ? | 600-211-1720 | PLATE¤ INSTRUCTION,(ENGLISH-SPANISH) | 1 | SN: 10420- |
|||
| ? | 600-211-1741 | PLATE¤ INSTRUCTION,(ENGLISH-FRENCH) | 1 | SN: 10420- |
|||
| ? | 600-211-1750 | PLATE¤ INSTRUCTION,(ENGLISH-ARABIC) | 1 | SN: 10420- |
|||
| ? | 600-211-1771 | PLATE¤ INSTRUCTION,(RUSSIAN) | 1 | SN: 10420- |
