| Номер на схеме | Каталожный номер | Название | Количество | Детали | |||
|---|---|---|---|---|---|---|---|
| ? | (6162-73-2370) | INJECTION PUMP A. | 1 | SN: 17220- |
|||
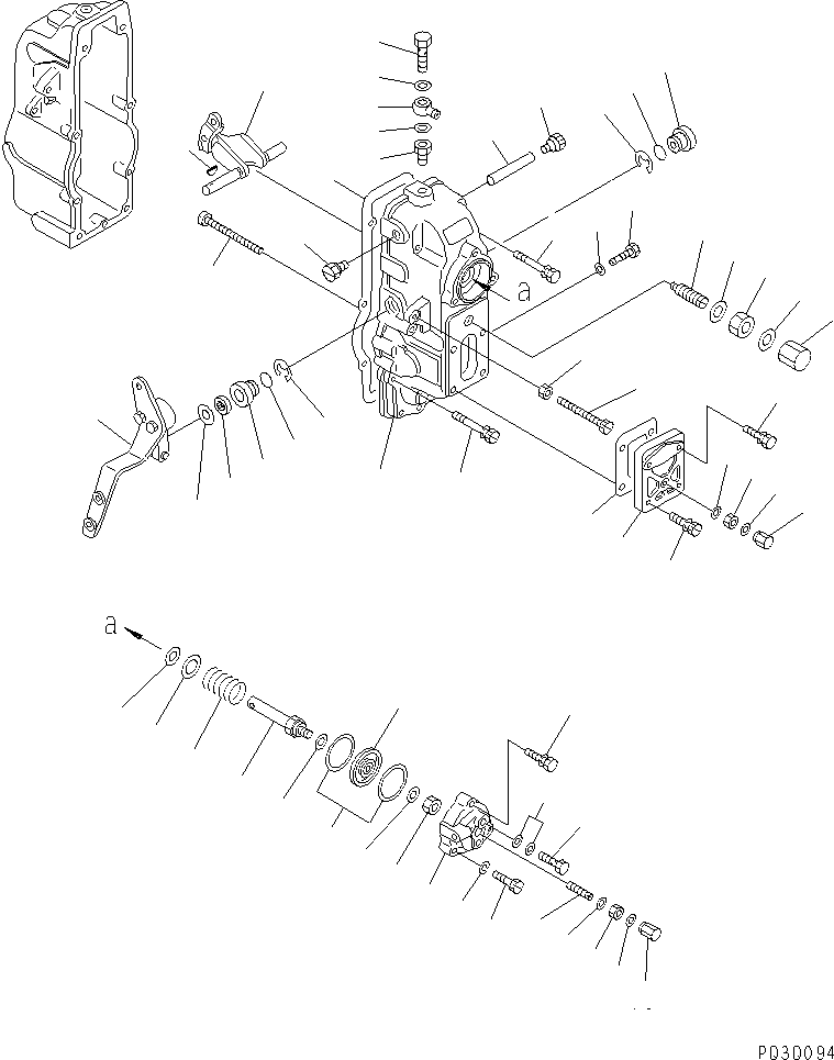
| ? | THIS ASSEMBLY CONSISTS OF ALL PARTS SHOWN IN FIGS.0453 TO 0482. | ||||||
| ? | THE ZEXEL PART NUMBER IS THAT DK IS REMOVED FROM KOMATSU PART NUMBER LISTED BELOW. | ||||||
| ? | (DK105447-1611) | • GOVERNOR ASS'Y | 1 | SN: 17220- |
|||
| ? | THIS ASSEMBLY CONSISTS OF ALL PARTS SHOWN IN FIGS.0463 AND 0464. | ||||||
| ? | DK154520-7720 | • • COVER ASS'Y | 1 | SN: 17220- |
|||
| ? | DK154031-3000 | • • SCREW | 1 | SN: 17220- |
|||
| ? | DK139206-0600 | • • NUT | 1 | SN: 17220- |
|||
| ? | DK154036-0300 | • • PLUG | 2 | SN: 17220- |
|||
| ? | DK020106-5040 | • • BOLT | 4 | SN: 17220- |
|||
| ? | DK020106-2840 | • • BOLT | 3 | SN: 17220- |
|||
| ? | DK154034-2420 | • • BOLT | 1 | SN: 17220- |
|||
| ? | DK154011-1900 | • • NUT | 1 | SN: 17220- |
|||
| ? | DK154063-0900 | • • COVER | 1 | SN: 17220- |
|||
| ? | DK029020-6210 | • • BOLT | 2 | SN: 17220- |
|||
| ? | DK029020-6210 | • • BOLT | 2 | SN: 17220- |
|||
| ? | DK154158-3620 | • • CAPSULE,SPRING | 1 | SN: 17220- |
|||
| ? | DK029201-2140 | • • NUT | 1 | SN: 17220- |
|||
| ? | DK026512-1540 | • • GASKET | 2 | SN: 17220- |
|||
| ? | DK154159-1200 | • • NUT,CAP | 1 | SN: 17220- |
|||
| ? | DK154200-4520 | • • LEVER,SWIVEL | 1 | SN: 17220- |
|||
| ? | DK154204-4100 | • • BUSHING | 1 | SN: 17220- |
|||
| ? | DK139718-0200 | • • O-RING | 1 | SN: 17220- |
|||
| ? | DK139716-0100 | • • O-RING | 1 | SN: 17220- |
|||
| ? | DK016010-1640 | • • RING,SNAP | 2 | SN: 17220- |
|||
| ? | DK139611-0200 | • • SEAL,OIL | 1 | SN: 17220- |
|||
| ? | DK029311-1010 | • • SHIM | 1 | SN: 17220- |
|||
| ? | DK154204-2200 | • • BUSHING | 1 | SN: 17220- |
|||
| ? | DK025803-1310 | • • KEY¤ 13MM | 1 | SN: 17220- |
|||
| ? | DK154237-0200 | • • PIN | 1 | SN: 17220- |
|||
| ? | DK154349-5720 | • • LEVER | 1 | SN: 17220- |
|||
| ? | DK154371-3500 | • • GASKET | 1 | SN: 17220- |
|||
| ? | DK154390-3500 | • • GASKET | 1 | SN: 17220- |
|||
| ? | DK154400-7420 | • • DIAPHRAGM | 1 | SN: 17220- |
|||
| ? | DK154400-4800 | • • ROD,PUSH | 1 | SN: 17220- |
|||
| ? | DK029330-8050 | • • GASKET | 2 | SN: 17220- |
|||
| ? | DK154372-7200 | • • NUT | 1 | SN: 17220- |
|||
| ? | DK026510-1440 | • • GASKET | 1 | SN: 17220- |
|||
| ? | DK154401-4500 | • • BOLT | 1 | SN: 17220- |
|||
| ? | DK154402-0600 | • • SPRING | 1 | SN: 17220- |
|||
| ? | DK154404-5000 | • • COVER | 1 | SN: 17220- |
|||
| ? | DK020106-2240 | • • BOLT | 2 | SN: 17220- |
|||
| ? | DK154034-1900 | • • SCREW | 1 | SN: 17220- |
|||
| ? | DK013030-6040 | • • NUT | 1 | SN: 17220- |
|||
| ? | DK029731-0120 | • • BOLT,JOINT | 1 | SN: 17220- |
|||
| ? | DK029341-0110 | • • GASKET | 2 | SN: 17220- |
|||
| ? | DK029312-0210 | • • SHIM¤ 0.2MM | A/R | SN: 17220- |
|||
| ? | DK029312-0180 | • • SHIM¤ 0.5MM | A/R | SN: 17220- |
|||
| ? | DK154035-1600 | • • NUT,CAP | 1 | SN: 17220- |
|||
| ? | DK029320-6010 | • • WASHER,SPRING | 1 | SN: 17220- |
|||
| ? | DK154413-2600 | • • GASKET | 2 | SN: 17220- |
|||
| ? | DK026506-1040 | • • GASKET | 2 | SN: 17220- |
|||
| ? | DK029010-6310 | • • BOLT | 1 | SN: 17220- |
|||
| ? | DK026506-1040 | • • GASKET | 2 | SN: 17220- |
|||
| ? | DK154035-1600 | • • NUT,CAP | 1 | SN: 17220- |
|||
| ? | DK131002-3800 | • • ADAPTER | 1 | SN: 17220- |
|||
| ? | DK029341-2140 | • • GASKET | 2 | SN: 17220- |
|||
| ? | DK029711-2350 | • • EYE | 1 | SN: 17220- |
|||
| ? | DK029731-2240 | • • BOLT,JOINT | 1 | SN: 17220- |
|||
| ? | DK029310-9080 | • • SHIM | 1 | SN: 17220- |