| Номер на схеме | Каталожный номер | Название | Количество | Детали | |||
|---|---|---|---|---|---|---|---|
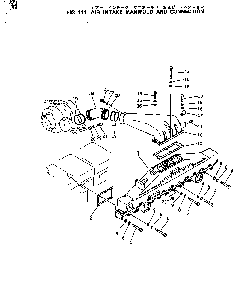
| ? | 6162-13-4131 | MANIFOLD | 1 | SN: 10420- |
|||
| ? | □6162-13-4130 | MANIFOLD | 1 | SN: 10125-10419 |
|||
| ? | 6162-13-4810 | GASKET (K1) | 6 | SN: 10125- |
|||
| ? | 01010-31095 | BOLT | 13 | SN: 10125- |
|||
| ? | 01011-31090 | BOLT | 2 | SN: 10125- |
|||
| ? | 01011-31005 | BOLT | 2 | SN: 10125- |
|||
| ? | 01011-31055 | BOLT | 17 | SN: 10125- |
|||
| ? | 01011-31040 | BOLT | 2 | SN: 10125- |
|||
| ? | 01602-01030 | WASHER | 36 | SN: 10125- |
|||
| ? | 01640-21016 | WASHER | 36 | SN: 10125- |
|||
| ? | 6162-13-4370 | CONNECTOR | 1 | SN: 10125- |
|||
| ? | 07042-00108 | PLUG | 2 | SN: 10125- |
|||
| ? | 6162-13-4740 | GASKET (K1) | 1 | SN: 10125- |
|||
| ? | 01010-30840 | BOLT | 4 | SN: 10125- |
|||
| ? | 6138-11-4870 | BOLT | 2 | SN: 10125- |
|||
| ? | 01602-00825 | WASHER | 6 | SN: 10125- |
|||
| ? | 01641-20812 | WASHER | 6 | SN: 10125- |
|||
| ? | 08036-11214 | CLIP | 1 | SN: 10125- |
|||
| ? | 6128-11-4320 | CONNECTOR | 1 | SN: 10125- |
|||
| ? | 02895-67091 | O-RING (K1) | 4 | SN: 10125- |
|||
| ? | 6710-11-4780 | PLATE | 4 | SN: 10125- |
|||
| ? | 01010-30820 | BOLT | 4 | SN: 10125- |
|||
| ? | 01602-00825 | WASHER | 4 | SN: 10125- |
|||
| ? | 07042-00108 | PLUG | 1 | SN: 10125- |
