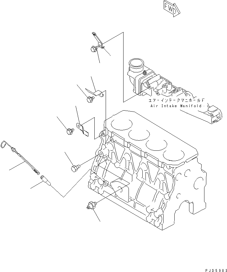
| Номер на схеме | Каталожный номер | Название | Количество | Детали | |||
|---|---|---|---|---|---|---|---|
| ? | YM129612-75360 | BRACKET | 1 | SN: 17626- KIT-FLAG: _- SERIALNO: 17626- |
|||
| ? | YM26106-080102 | BOLT | 1 | SN: 17626- KIT-FLAG: _- SERIALNO: 17626- |
|||
| ? | YM129612-34800 | GAUGE,OIL | 1 | SN: 17626- KIT-FLAG: _- SERIALNO: 17626- |
|||
| ? | YM121520-34810 | GUIDE,OIL GAUGE | 1 | SN: 17626- KIT-FLAG: _- SERIALNO: 17626- |
|||
| ? | YM121252-39450 | SWITCH,OIL PRESSURE | 1 | SN: 17626- KIT-FLAG: _- SERIALNO: 17626- |
|||
| ? | YM129136-66852 | SUPPORT | 1 | SN: 17626- KIT-FLAG: _- SERIALNO: 17626- |
|||
| ? | YM26106-080122 | BOLT | 1 | SN: 17626- KIT-FLAG: _- SERIALNO: 17626- |
|||
| ? | YM129612-77810 | BRACKET | 1 | SN: 17626- KIT-FLAG: _- SERIALNO: 17626- |
|||
| ? | YM26106-080162 | BOLT | 1 | SN: 17626- KIT-FLAG: _- SERIALNO: 17626- |
|||
| ? | YM171056-49120 | PLUG | 1 | SN: 17626- KIT-FLAG: _- SERIALNO: 17626- |