k-part
Номер на схеме Каталожный номер Название Количество Детали
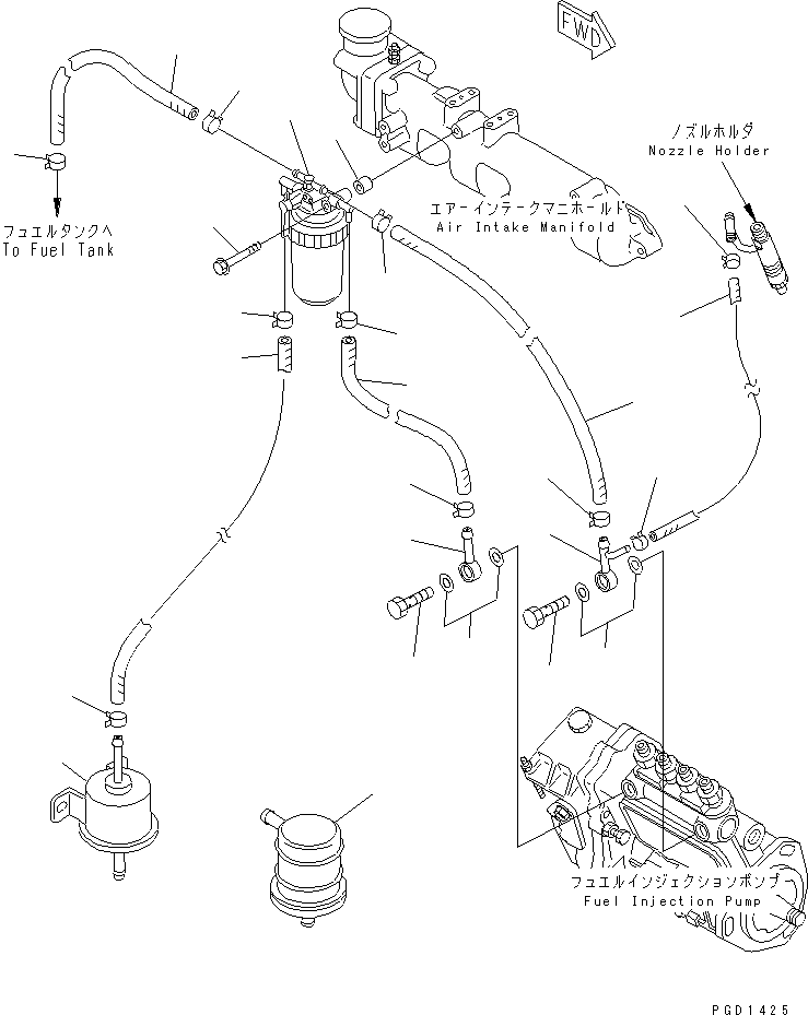
? YM124066-59100 CLAMP 2
SN: 11310-
? YM119840-59560 HOSE,FUEL RETURN 1
SN: 11310-
? YM119840-59570 JOINT 1
SN: 11310-
? YM129100-59951 CHECK VALVE ASS'Y 1
SN: 11310-
? YM23414-120000 GASKET (KIT) 2
SN: 11310-
? YM124766-59050 CLAMP 2
SN: 11310-
? YM105025-59530 HOSE 1
SN: 11310-
? YM129612-52100 FEED PUMP ASS'Y 1
SN: 11310-
? (YM129612-55620) FUEL FILTER ASS'Y,(SEE FIG.A4110-B0A2) 1
SN: 11310-
? YM129436-55630 BOLT 1
SN: 11310-
? YM103854-39140 BOLT,JOINT 1
SN: 11310-
? YM101304-59020 JOINT 1
SN: 11310-
? YM124766-59050 CLAMP 2
SN: 11310-
? YM124766-59050 CLAMP 2
SN: 11310-
? YM129555-59510 HOSE 1
SN: 11310-
? YM105025-59530 HOSE 1
SN: 11310-
? YM22190-120002 SEAL (KIT) 2
SN: 11310-
? YM129052-55630 FILTER 1
SN: 11310-
? YM124766-59050 CLAMP 2
SN: 11310-
? YM129136-59110 HOSE 1
SN: 11310-
? YM124950-55900 SPACER 1
SN: 11310-

Engines Komatsu / 4D88E-3C-M S/N 00101-UP(4d88e-3r) / FUEL FILTER AND PIPING(#11310-)(030280 : A4110-A0A2)
?
?
?
?
?
?
?
?
?
?
?
?
?
?
?
?
?
?
?
?
?
?
?
?
?
?