| Номер на схеме | Каталожный номер | Название | Количество | Детали | |||
|---|---|---|---|---|---|---|---|
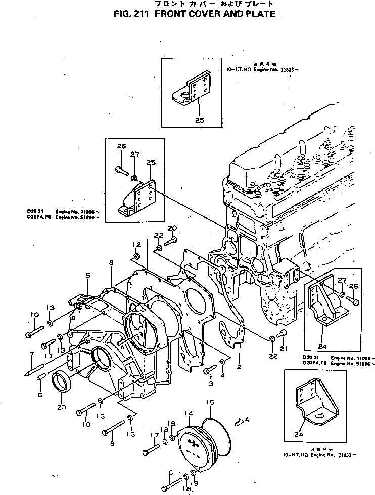
| ? | 6141-21-3213 | 1 | SN: 33517- |
||||
| ? | □6141-21-3212 | 1 | SN: 19925-33516 |
||||
| ? | □6141-21-3211 | 1 | SN: 11008-19924 |
||||
| ? | 6141-21-3231 | 1 | SN: 11008- |
||||
| ? | 01010-30820 | 2 | SN: .- |
||||
| ? | □01252-30820 | 2 | SN: 11008-. |
||||
| ? | 01602-00825 | 2 | SN: 11008- |
||||
| ? | 6141-21-3010 | 1 | SN: 11008- |
||||
| ? | 6141-21-3020 | 1 | SN: 11008- |
||||
| ? | 6141-21-3113 | • | 1 | SN: 11008- |
|||
| ? | 6141-21-3120 | • | 1 | SN: 11008- |
|||
| ? | 04020-01024 | • | 2 | SN: 11008- |
|||
| ? | 6141-21-3150 | • | 1 | SN: 11008- |
|||
| ? | 6141-21-3261 | 1 | SN: 11008- |
||||
| ? | 01010-30895 | 2 | SN: 11008- |
||||
| ? | 01010-30875 | 6 | SN: .- |
||||
| ? | 01010-30875 | 7 | SN: 11008-. |
||||
| ? | 01010-30855 | 1 | SN: 11008- |
||||
| ? | 01580-00806 | 2 | SN: 11008- |
||||
| ? | 01602-00825 | 10 | SN: 11008- |
||||
| ? | 6141-21-3611 | 1 | SN: 11008- |
||||
| ? | 07000-02135 | 1 | SN: 11008- |
||||
| ? | 01010-30820 | 2 | SN: 11008- |
||||
| ? | 01010-30865 | 1 | SN: 11008- |
||||
| ? | 01602-00825 | 3 | SN: 11008- |
||||
| ? | 01641-20812 | 3 | SN: 11008- |
||||
| ? | (01010-30830) | 4 | SN: 11008- |
||||
| ? | (01010-30818) | 2 | SN: 33517- |
||||
| ? | (01010-30818) | 1 | SN: 11008-33516 |
||||
| ? | (01602-00825) | 5 | SN: 11008- |
||||
| ? | 6140-21-3520 | 1 | SN: 11008- |
||||
| ? | 6141-21-3716 | 1 | SN: 15073- |
||||
| ? | □6141-21-3715 | 1 | SN: 12819-15072 |
||||
| ? | □6141-21-3714 | 1 | SN: 11008-12818 |
||||
| ? | 6141-21-3724 | 1 | SN: 15073- |
||||
| ? | □6141-21-3723 | 1 | SN: 12819-15072 |
||||
| ? | □6141-21-3722 | 1 | SN: 11008-12818 |
||||
| ? | 01010-31025 | 8 | SN: 11008- |
||||
| ? | 01602-01030 | 8 | SN: 11008- |
