| Номер на схеме | Каталожный номер | Название | Количество | Детали | |||
|---|---|---|---|---|---|---|---|
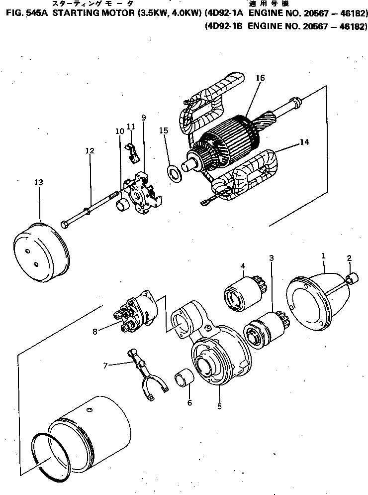
| ? | 600-813-2111 | 1 | SN: 20567-46182 |
||||
| ? | 600-813-2130 | 1 | SN: 42578-56110 |
||||
| ? | KD7-21300-0140 | • | 1 | SN: 20567-46182 |
|||
| ? | KD1-21310-1002 | • | 1 | SN: 42578-56110 |
|||
| ? | KD7-21351-0620 | • • | 1 | SN: 20567-46182 |
|||
| ? | KD1-21500-1450 | • | 1 | SN: 20567-46182 |
|||
| ? | KD1-21500-1451 | • | 1 | SN: 42578-56110 |
|||
| ? | KD1-21510-1450 | • • | 1 | SN: 20567-46182 |
|||
| ? | KD7-21600-0110 | • | 1 | SN: 20567-46182 |
|||
| ? | KD1-21600-1281 | • | 1 | SN: 42578-56110 |
|||
| ? | KD1-21351-0510 | • • | 1 | SN: 20567-46182 |
|||
| ? | KD7-21320-0110 | • | 1 | SN: 20567-46182 |
|||
| ? | KD7-47100-0160 | • | 1 | SN: 20567-46182 |
|||
| ? | KD0-47100-2611 | • | 1 | SN: 42578-56110 |
|||
| ? | KD7-21700-0130 | • | 1 | SN: 20567-46182 |
|||
| ? | KD7-21351-0620 | • • | 1 | SN: 20567-46182 |
|||
| ? | KD1-21740-0410 | • • | 4 | SN: 20567-46182 |
|||
| ? | KD0-09001-0540 | • | 2 | SN: 20567-46182 |
|||
| ? | KD1-21761-1360 | • | 1 | SN: 20567-46182 |
|||
| ? | KD1-21761-1361 | • | 1 | SN: 42578-56110 |
|||
| ? | KD1-21230-0490 | • | 1 | SN: 20567-46182 |
|||
| ? | KD1-21921-0800 | • | 2 | SN: 20567-46182 |
|||
| ? | KD7-21100-0110 | • | 1 | SN: 20567-46182 |
|||
| ? | KD7-09210-0070 | 1 | SN: 20567-46182 |
