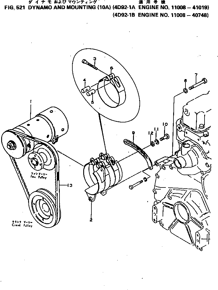
| Номер на схеме | Каталожный номер | Название | Количество | Детали | |||
|---|---|---|---|---|---|---|---|
| ? | (600-811-2110) | 1 | SN: 11008-41019 |
||||
| ? | 6141-81-6472 | 1 | SN: 11008-41019 |
||||
| ? | 6110-23-6520 | 2 | SN: 11008-41019 |
||||
| ? | 6110-21-6530 | 2 | SN: 11008-41019 |
||||
| ? | 6110-21-6540 | 2 | SN: 11008-41019 |
||||
| ? | 6111-21-6460 | 2 | SN: 11008-41019 |
||||
| ? | 01010-31085 | 1 | SN: 11008-41019 |
||||
| ? | 01602-01030 | 1 | SN: 11008-41019 |
||||
| ? | 6141-81-6452 | 1 | SN: 11008-41019 |
||||
| ? | 01010-30825 | 2 | SN: 11008-41019 |
||||
| ? | 01602-00825 | 1 | SN: 11008-41019 |
||||
| ? | 01643-00823 | 1 | SN: 11008-41019 |
||||
| ? | 600-736-5311 | 1 | SN: 33517-41019 |
||||
| ? | □04120-01723 | 1 | SN: 11008-33516 |
