| Номер на схеме | Каталожный номер | Название | Количество | Детали | |||
|---|---|---|---|---|---|---|---|
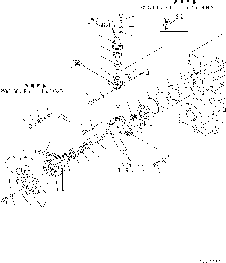
| ? | 6144-61-1601 | WATER PUMP ASS'Y | 1 | SN: 23587- KIT-FLAG: _- SERIALNO: 23587- |
|||
| ? | ☆ | • BODY | 1 | SN: 23587- KIT-FLAG: _- SERIALNO: 23587- |
|||
| ? | 6144-61-1320 | • SHAFT | 1 | SN: 23587- KIT-FLAG: _- SERIALNO: 23587- |
|||
| ? | 6676-62-1141 | • BEARING | 1 | SN: 23587- KIT-FLAG: _- SERIALNO: 23587- |
|||
| ? | 6130-62-1510 | • SPACER | 1 | SN: 23587- KIT-FLAG: _- SERIALNO: 23587- |
|||
| ? | 6130-62-1520 | • BEARING | 1 | SN: 23587- KIT-FLAG: _- SERIALNO: 23587- |
|||
| ? | 6676-62-1120 | • RING | 1 | SN: 23587- KIT-FLAG: _- SERIALNO: 23587- |
|||
| ? | 6130-61-1521 | • SEAL, WATER (K2) | 1 | SN: 23587- KIT-FLAG: _- SERIALNO: 23587- |
|||
| ? | 6130-62-1330 | • IMPELLER | 1 | SN: 23587- KIT-FLAG: _- SERIALNO: 23587- |
|||
| ? | 6130-62-1150 | • COVER | 1 | SN: 23587- KIT-FLAG: _- SERIALNO: 23587- |
|||
| ? | 6140-61-1160 | • O-RING (K2) | 1 | SN: 23587- KIT-FLAG: _- SERIALNO: 23587- |
|||
| ? | 6140-61-1170 | • RING | 1 | SN: 23587- KIT-FLAG: _- SERIALNO: 23587- |
|||
| ? | 6144-61-3610 | • PULLY | 1 | SN: 23587- KIT-FLAG: _- SERIALNO: 23587- |
|||
| ? | 6140-61-1810 | GASKET (K2) | 1 | SN: 23587- KIT-FLAG: _- SERIALNO: 23587- |
|||
| ? | 6140-61-1820 | GASKET (K2) | 2 | SN: 23587- KIT-FLAG: _- SERIALNO: 23587- |
|||
| ? | 01010-30850 | BOLT | 3 | SN: 23587- KIT-FLAG: _- SERIALNO: 23587- |
|||
| ? | 6144-61-1850 | STUD | 1 | SN: 23587- KIT-FLAG: _- SERIALNO: 23587- |
|||
| ? | 01580-00806 | NUT | 1 | SN: 23587- KIT-FLAG: _- SERIALNO: 23587- |
|||
| ? | 01602-00825 | WASHER | 4 | SN: 23587- KIT-FLAG: _- SERIALNO: 23587- |
|||
| ? | 6144-85-6680 | SPACER | 1 | SN: 23587- KIT-FLAG: _- SERIALNO: 23587- |
|||
| ? | 6144-11-6411 | HOUSING | 1 | SN: 23587- KIT-FLAG: _- SERIALNO: 23587- |
|||
| ? | 08620-00000 | SENSOR | 1 | SN: 23587- KIT-FLAG: _- SERIALNO: 23587- |
|||
| ? | 600-421-6110 | THERMOSTAT | 1 | SN: 23587- KIT-FLAG: _- SERIALNO: 23587- |
|||
| ? | 6144-11-6420 | SOCKET | 1 | SN: 23587- KIT-FLAG: _- SERIALNO: 23587- |
|||
| ? | 6140-11-6331 | GASKET (K1) | 1 | SN: 23587- KIT-FLAG: _- SERIALNO: 23587- |
|||
| ? | 01010-30835 | BOLT | 2 | SN: 23587- KIT-FLAG: _- SERIALNO: 23587- |
|||
| ? | 01602-00825 | WASHER | 2 | SN: 23587- KIT-FLAG: _- SERIALNO: 23587- |
|||
| ? | 01641-20812 | WASHER | 2 | SN: 23587- KIT-FLAG: _- SERIALNO: 23587- |
|||
| ? | 6140-11-6430 | GASKET (K1) | 1 | SN: 23587- KIT-FLAG: _- SERIALNO: 23587- |
|||
| ? | 01010-30890 | BOLT | 2 | SN: 23587- KIT-FLAG: _- SERIALNO: 23587- |
|||
| ? | 01602-00825 | WASHER | 2 | SN: 23587- KIT-FLAG: _- SERIALNO: 23587- |
|||
| ? | 6140-11-6442 | GASKET (K1) | 1 | SN: 23587- KIT-FLAG: _- SERIALNO: 23587- |
|||
| ? | 600-633-0740 | FAN | 1 | SN: 23587- KIT-FLAG: _- SERIALNO: 23587- |
|||
| ? | 01010-50825 | BOLT | 6 | SN: 23587- KIT-FLAG: _- SERIALNO: 23587- |
|||
| ? | 01602-20825 | WASHER | 6 | SN: 23587- KIT-FLAG: _- SERIALNO: 23587- |
|||
| ? | 04120-21753 | V-BELT | 1 | SN: 23587- KIT-FLAG: _- SERIALNO: 23587- |