| Номер на схеме | Каталожный номер | Название | Количество | Детали | |||
|---|---|---|---|---|---|---|---|
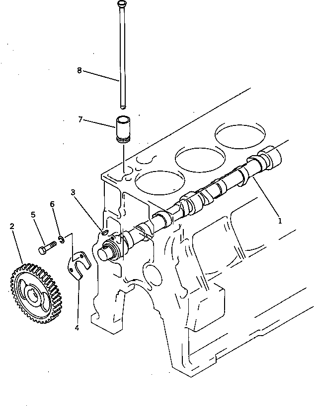
| ? | 6144-41-1200 | CAMSHAFT ASS'Y | 1 | SN: 10314- KIT-FLAG: _- SERIALNO: 10314- |
|||
| ? | ☆ | • CAMSHAFT | 1 | SN: 10314- KIT-FLAG: _- SERIALNO: 10314- |
|||
| ? | 6141-41-1121 | • GEAR | 1 | SN: 10314- KIT-FLAG: _- SERIALNO: 10314- |
|||
| ? | 04010-10516 | • KEY | 1 | SN: 10314- KIT-FLAG: _- SERIALNO: 10314- |
|||
| ? | 6136-41-1130 | PLATE | 1 | SN: .- KIT-FLAG: _- SERIALNO: .- |
|||
| ? | □6140-41-1132 | PLATE | 1 | SN: 10314-. KIT-FLAG: _- SERIALNO: 10314-. |
|||
| ? | 01010-30822 | BOLT | 2 | SN: 10314- KIT-FLAG: _- SERIALNO: 10314- |
|||
| ? | 01602-00825 | WASHER | 2 | SN: 10314- KIT-FLAG: _- SERIALNO: 10314- |
|||
| ? | 6140-41-2112 | TAPPET | 8 | SN: 10314- KIT-FLAG: _- SERIALNO: 10314- |
|||
| ? | 6142-42-3110 | ROD | 8 | SN: 10314- KIT-FLAG: _- SERIALNO: 10314- |
