| Номер на схеме | Каталожный номер | Название | Количество | Детали | |||
|---|---|---|---|---|---|---|---|
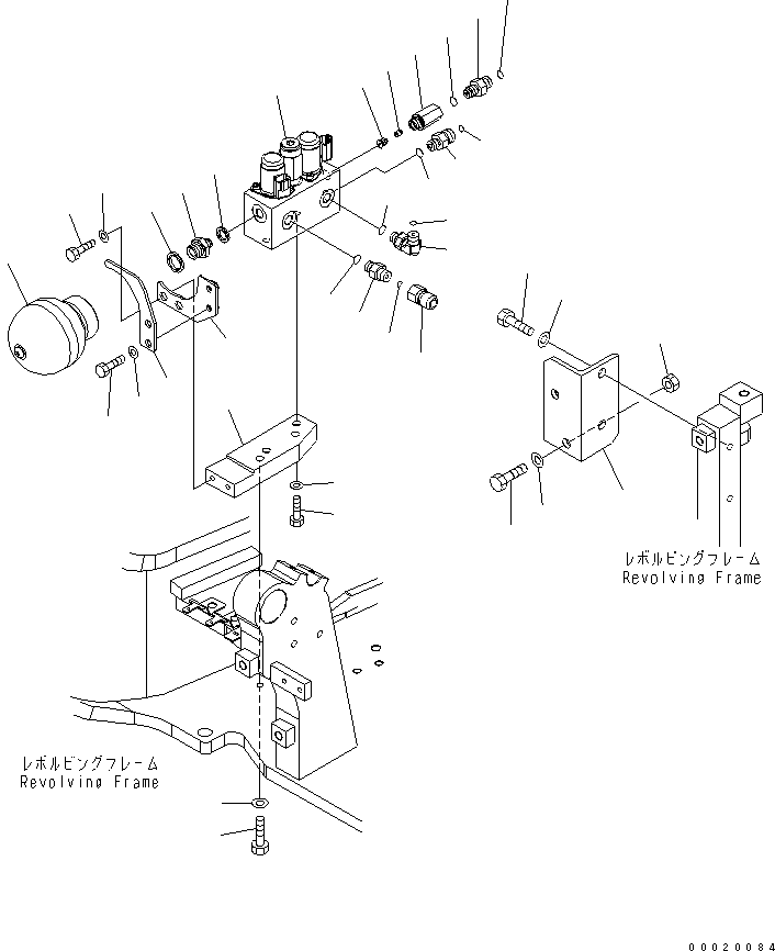
| ? | 22F-60-23400 | VALVE ASS'Y | 1 | SN: 5001- KIT-FLAG: _- SERIALNO: 5001- |
|||
| ? | 01010-80820 | BOLT | 2 | SN: 5001- KIT-FLAG: _- SERIALNO: 5001- |
|||
| ? | 01643-30823 | WASHER | 2 | SN: 5001- KIT-FLAG: _- SERIALNO: 5001- |
|||
| ? | 22M-62-23950 | PLATE | 1 | SN: 5001- KIT-FLAG: _- SERIALNO: 5001- |
|||
| ? | 01010-81240 | BOLT | 2 | SN: 5001- KIT-FLAG: _- SERIALNO: 5001- |
|||
| ? | 01643-31232 | WASHER | 2 | SN: 5001- KIT-FLAG: _- SERIALNO: 5001- |
|||
| ? | 22M-60-22311 | VALVE ASS'Y | 2 | SN: 6004- KIT-FLAG: _- SERIALNO: 6004- |
|||
| ? | 22M-60-22310 | VALVE ASS'Y | 2 | SN: 5001-6003 KIT-FLAG: _- SERIALNO: 5001-6003 |
|||
| ? | 22M-62-23980 | • ADAPTER | 2 | SN: 5001- KIT-FLAG: _- SERIALNO: 5001- |
|||
| ? | 22L-62-29210 | • PLUG | 1 | SN: 6004- KIT-FLAG: _- SERIALNO: 6004- |
|||
| ? | 21Y-62-11591 | • PLUG | 1 | SN: 5001-6003 KIT-FLAG: _- SERIALNO: 5001-6003 |
|||
| ? | 22L-62-29220 | • POPPET | 1 | SN: 6004- KIT-FLAG: _- SERIALNO: 6004- |
|||
| ? | 20U-60-22310 | • POPPET | 1 | SN: 5001-6003 KIT-FLAG: _- SERIALNO: 5001-6003 |
|||
| ? | 07000-12011 | O-RING | 1 | SN: 5001- KIT-FLAG: _- SERIALNO: 5001- |
|||
| ? | 21W-62-43930 | NIPPLE | 2 | SN: 5001- KIT-FLAG: _- SERIALNO: 5001- |
|||
| ? | 02896-11008 | O-RING | 1 | SN: 5001- KIT-FLAG: _- SERIALNO: 5001- |
|||
| ? | 11Y-62-12850 | UNION | 1 | SN: 5001- KIT-FLAG: _- SERIALNO: 5001- |
|||
| ? | 02896-11009 | O-RING | 1 | SN: 5001- KIT-FLAG: _- SERIALNO: 5001- |
|||
| ? | 07000-12011 | O-RING | 1 | SN: 5001- KIT-FLAG: _- SERIALNO: 5001- |
|||
| ? | 11Y-62-12140 | NIPPLE | 1 | SN: 5001- KIT-FLAG: _- SERIALNO: 5001- |
|||
| ? | 22M-62-23330 | JOINT | 1 | SN: 5001- KIT-FLAG: _- SERIALNO: 5001- |
|||
| ? | 21W-62-43980 | ELBOW | 1 | SN: 5001- KIT-FLAG: _- SERIALNO: 5001- |
|||
| ? | 02896-11008 | O-RING | 2 | SN: 5001- KIT-FLAG: _- SERIALNO: 5001- |
|||
| ? | 07000-12011 | O-RING | 2 | SN: 5001- KIT-FLAG: _- SERIALNO: 5001- |
|||
| ? | 22L-60-23310 | ACCUMULATOR | 1 | SN: 5001- KIT-FLAG: _- SERIALNO: 5001- |
|||
| ? | 22L-62-24680 | JOINT | 1 | SN: 5001- KIT-FLAG: _- SERIALNO: 5001- |
|||
| ? | 22L-62-24660 | SEAL | 1 | SN: 5001- KIT-FLAG: _- SERIALNO: 5001- |
|||
| ? | 22L-62-24670 | SEAL | 1 | SN: 5001- KIT-FLAG: _- SERIALNO: 5001- |
|||
| ? | 22M-62-23960 | BRACKET | 1 | SN: 5001- KIT-FLAG: _- SERIALNO: 5001- |
|||
| ? | 01010-80820 | BOLT | 2 | SN: 5001- KIT-FLAG: _- SERIALNO: 5001- |
|||
| ? | 01643-30823 | WASHER | 2 | SN: 5001- KIT-FLAG: _- SERIALNO: 5001- |
|||
| ? | 22L-62-24590 | PLATE | 1 | SN: 5001- KIT-FLAG: _- SERIALNO: 5001- |
|||
| ? | 01010-80820 | BOLT | 2 | SN: 5001- KIT-FLAG: _- SERIALNO: 5001- |
|||
| ? | 01643-30823 | WASHER | 2 | SN: 5001- KIT-FLAG: _- SERIALNO: 5001- |
|||
| ? | 22M-62-21351 | BRACKET | 1 | SN: 5001- KIT-FLAG: _- SERIALNO: 5001- |
|||
| ? | 01010-81025 | BOLT | 4 | SN: 5001- KIT-FLAG: _- SERIALNO: 5001- |
|||
| ? | 01643-31032 | WASHER | 4 | SN: 5001- KIT-FLAG: _- SERIALNO: 5001- |
|||
| ? | 01580-11008 | NUT | 2 | SN: 5001- KIT-FLAG: _- SERIALNO: 5001- |