| Номер на схеме | Каталожный номер | Название | Количество | Детали | |||
|---|---|---|---|---|---|---|---|
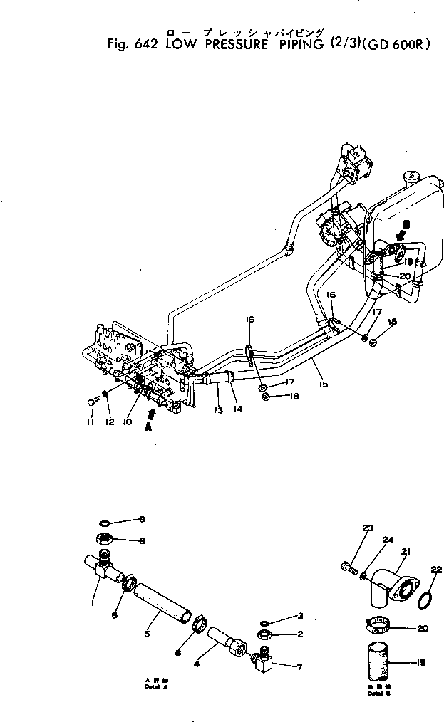
| ? | 232-60-55190 | TEE | 1 | SN: 10002- KIT-FLAG: _- SERIALNO: 10002- |
|||
| ? | 237-60-14170 | NUT | 2 | SN: 10002- KIT-FLAG: _- SERIALNO: 10002- |
|||
| ? | 07002-12034 | O-RING (KIT) | 2 | SN: 10002- KIT-FLAG: _- SERIALNO: 10002- |
|||
| ? | 232-60-55180 | TUBE | 2 | SN: 10002- KIT-FLAG: _- SERIALNO: 10002- |
|||
| ? | 07260-22616 | HOSE | 2 | SN: 10002- KIT-FLAG: _- SERIALNO: 10002- |
|||
| ? | 07281-00419 | CLAMP | 4 | SN: 10002- KIT-FLAG: _- SERIALNO: 10002- |
|||
| ? | 232-60-55170 | ELBOW | 2 | SN: 10002- KIT-FLAG: _- SERIALNO: 10002- |
|||
| ? | 07239-12410 | NUT | 1 | SN: 10002- KIT-FLAG: _- SERIALNO: 10002- |
|||
| ? | 07002-12434 | O-RING (KIT) | 1 | SN: 10002- KIT-FLAG: _- SERIALNO: 10002- |
|||
| ? | 232-60-52130 | JOINT | 1 | SN: 10246- KIT-FLAG: _- SERIALNO: 10246- |
|||
| ? | □232-60-55210 | JOINT | 1 | SN: 10239-10245 KIT-FLAG: _- SERIALNO: 10239-10245 |
|||
| ? | □232-60-52130 | JOINT | 1 | SN: 10238-10238 KIT-FLAG: _- SERIALNO: 10238-10238 |
|||
| ? | □232-60-55210 | JOINT | 1 | SN: 10002-10237 KIT-FLAG: _- SERIALNO: 10002-10237 |
|||
| ? | 01010-50816 | BOLT | 3 | SN: 10002- KIT-FLAG: _- SERIALNO: 10002- |
|||
| ? | 01602-20825 | WASHER | 3 | SN: 10002- KIT-FLAG: _- SERIALNO: 10002- |
|||
| ? | 07260-24118 | HOSE | 1 | SN: 10002- KIT-FLAG: _- SERIALNO: 10002- |
|||
| ? | 07281-00609 | CLAMP | 2 | SN: 10016- KIT-FLAG: _- SERIALNO: 10016- |
|||
| ? | □07281-00549 | CLAMP | 2 | SN: 10002-10015 KIT-FLAG: _- SERIALNO: 10002-10015 |
|||
| ? | 232-60-52150 | TUBE | 1 | SN: 10246- KIT-FLAG: _- SERIALNO: 10246- |
|||
| ? | □232-60-55220 | TUBE | 1 | SN: 10239-10245 KIT-FLAG: _- SERIALNO: 10239-10245 |
|||
| ? | □232-60-52150 | TUBE | 1 | SN: 10238-10238 KIT-FLAG: _- SERIALNO: 10238-10238 |
|||
| ? | □232-60-55220 | TUBE | 1 | SN: 10002-10237 KIT-FLAG: _- SERIALNO: 10002-10237 |
|||
| ? | 07283-24346 | CLIP | 2 | SN: 10002- KIT-FLAG: _- SERIALNO: 10002- |
|||
| ? | 01643-31032 | WASHER | 4 | SN: 10002- KIT-FLAG: _- SERIALNO: 10002- |
|||
| ? | 01599-01011 | NUT | 4 | SN: 10002- KIT-FLAG: _- SERIALNO: 10002- |
|||
| ? | 07260-24118 | HOSE | 1 | SN: 10002- KIT-FLAG: _- SERIALNO: 10002- |
|||
| ? | 07281-00609 | CLAMP | 2 | SN: 10016- KIT-FLAG: _- SERIALNO: 10016- |
|||
| ? | □07281-00549 | CLAMP | 2 | SN: 10002-10015 KIT-FLAG: _- SERIALNO: 10002-10015 |
|||
| ? | 232-60-55230 | TUBE | 1 | SN: 10002- KIT-FLAG: _- SERIALNO: 10002- |
|||
| ? | 07000-13045 | O-RING (KIT) | 1 | SN: 10002- KIT-FLAG: _- SERIALNO: 10002- |
|||
| ? | 01010-51230 | BOLT | 2 | SN: 10002- KIT-FLAG: _- SERIALNO: 10002- |
|||
| ? | 01602-21236 | WASHER | 2 | SN: 10002- KIT-FLAG: _- SERIALNO: 10002- |
