| Номер на схеме | Каталожный номер | Название | Количество | Детали | |||
|---|---|---|---|---|---|---|---|
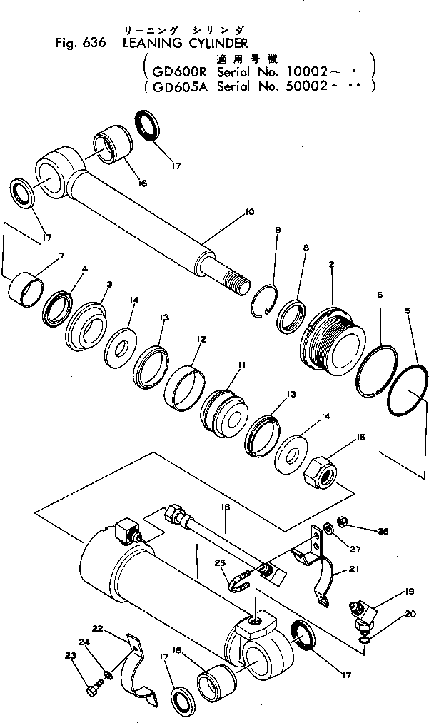
| ? | 232-63-53100 | CYLINDER ASS'Y | 1 | SN: 10002-. KIT-FLAG: _- SERIALNO: 10002-. |
|||
| ? | 232-63-53140 | • CYLINDER | 1 | SN: 10002-@ KIT-FLAG: _- SERIALNO: 10002-@ |
|||
| ? | 232-63-13130 | • HEAD | 1 | SN: 10002-@ KIT-FLAG: _- SERIALNO: 10002-@ |
|||
| ? | 232-63-13230 | • RETAINER | 1 | SN: 10002-@ KIT-FLAG: _- SERIALNO: 10002-@ |
|||
| ? | 236-63-62173 | • PACKING | 1 | SN: 10002-@ KIT-FLAG: _- SERIALNO: 10002-@ |
|||
| ? | 07000-12095 | • O-RING | 1 | SN: 10002-@ KIT-FLAG: _- SERIALNO: 10002-@ |
|||
| ? | 07001-02095 | • RING | 1 | SN: 10002-@ KIT-FLAG: _- SERIALNO: 10002-@ |
|||
| ? | 07177-05030 | • BUSHING | 1 | SN: 10002-@ KIT-FLAG: _- SERIALNO: 10002-@ |
|||
| ? | 07016-00507 | • SEAL | 1 | SN: 10002-@ KIT-FLAG: _- SERIALNO: 10002-@ |
|||
| ? | 07179-00069 | • RING | 1 | SN: 10002-@ KIT-FLAG: _- SERIALNO: 10002-@ |
|||
| ? | 232-63-53120 | • ROD | 1 | SN: 10002-@ KIT-FLAG: _- SERIALNO: 10002-@ |
|||
| ? | 10E-63-56170 | • PISTON | 1 | SN: 10002-@ KIT-FLAG: _- SERIALNO: 10002-@ |
|||
| ? | 07155-00820 | • RING | 1 | SN: 10002-@ KIT-FLAG: _- SERIALNO: 10002-@ |
|||
| ? | 20R-63-56280 | • U-PACKING | 2 | SN: 10002-@ KIT-FLAG: _- SERIALNO: 10002-@ |
|||
| ? | 111-63-99330 | • RETAINER | 2 | SN: 10002-@ KIT-FLAG: _- SERIALNO: 10002-@ |
|||
| ? | 07165-13033 | • NUT | 1 | SN: 10002-@ KIT-FLAG: _- SERIALNO: 10002-@ |
|||
| ? | 07143-10405 | • BUSHING | 2 | SN: 10002-@ KIT-FLAG: _- SERIALNO: 10002-@ |
|||
| ? | 07145-00045 | • SEAL | 4 | SN: 10002-@ KIT-FLAG: _- SERIALNO: 10002-@ |
|||
| ? | 232-63-53180 | • TUBE | 1 | SN: 10002-@ KIT-FLAG: _- SERIALNO: 10002-@ |
|||
| ? | 07236-10422 | • ELBOW | 1 | SN: 10002-@ KIT-FLAG: _- SERIALNO: 10002-@ |
|||
| ? | 07002-12034 | • O-RING | 1 | SN: 10002-@ KIT-FLAG: _- SERIALNO: 10002-@ |
|||
| ? | 232-63-33270 | • BAND | 1 | SN: 10002-. KIT-FLAG: _- SERIALNO: 10002-. |
|||
| ? | 237-60-14670 | • CLAMP | 1 | SN: 10002-. KIT-FLAG: _- SERIALNO: 10002-. |
|||
| ? | 01010-50830 | • BOLT | 2 | SN: 10002-. KIT-FLAG: _- SERIALNO: 10002-. |
|||
| ? | 01602-20825 | • WASHER | 2 | SN: 10002-. KIT-FLAG: _- SERIALNO: 10002-. |
|||
| ? | 07283-21529 | • CLIP | 1 | SN: 10002-@ KIT-FLAG: _- SERIALNO: 10002-@ |
|||
| ? | 01598-00809 | • NUT | 2 | SN: 10002-@ KIT-FLAG: _- SERIALNO: 10002-@ |
|||
| ? | 01643-30823 | • WASHER | 2 | SN: 10002-@ KIT-FLAG: _- SERIALNO: 10002-@ |
