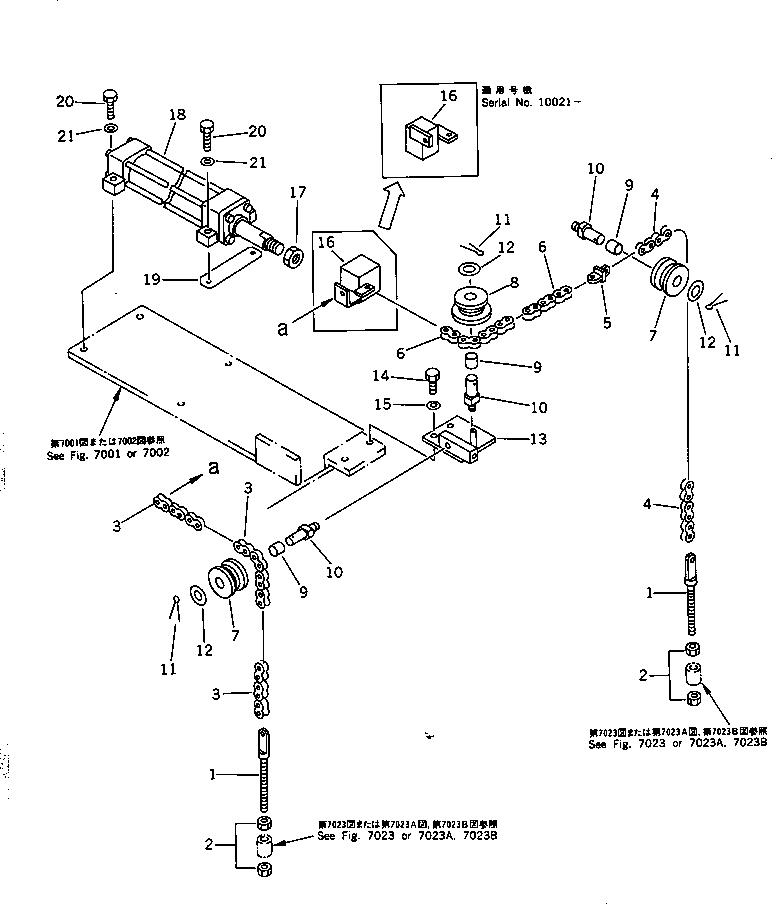
k-part
Номер на схеме Каталожный номер Название Количество Детали
? 262-70-57151 BOLT 2
SN: 10001-
? 01580-11210 NUT 4
SN: 10001-
? 262-70-57610 CHAIN 1
SN: 10001-
? 262-70-57190 CHAIN 1
SN: 10001-
? 262-70-57211 LINK 1
SN: 10001-
? 262-70-57620 CHAIN 1
SN: 10001-
? 262-70-57220 ROLLER 2
SN: 10001-
? 262-70-57631 ROLLER 1
SN: 10001-
? 09350-01820 BUSHING 3
SN: 10001-
? 262-70-57230 SHAFT 3
SN: 10001-
? 04050-14028 PIN 3
SN: 10001-
? 01640-21826 WASHER 3
SN: 10001-
? 262-70-57551 BRACKET 1
SN: 10009-
? 262-70-57550 BRACKET 1
SN: 10001-10008
? 01010-51020 BOLT 2
SN: 10001-
? 01643-31032 WASHER 2
SN: 10001-
? 262-70-57242 BLOCK 1
SN: 10021-
? 262-70-57241 BLOCK 1
SN: 10001-10020
? 01583-12012 NUT 1
SN: 10001-
? 262-61-51102 CYLINDER ASS'Y,SKI 1
SN: 10033-
? 262-61-51101 CYLINDER ASS'Y,SKI 1
SN: 10006-10032
? □262-61-51100 CYLINDER ASS'Y,SKI 1
SN: 10001-10005
? 262-70-00040 SHIM ASS'Y 1
SN: 10001-
? 262-70-57640 • SHIM¤ 0.5MM 4
SN: 10001-
? 01010-51030 BOLT 4
SN: 10001-
? 01643-31032 WASHER 4
SN: 10001-

Road Cutters Komatsu / GC380F-1 S/N 10001-UP(gc380f0r) / ROTOR SKI (2/4)(210160 : 7024)