k-part
Номер на схеме Каталожный номер Название Количество Детали
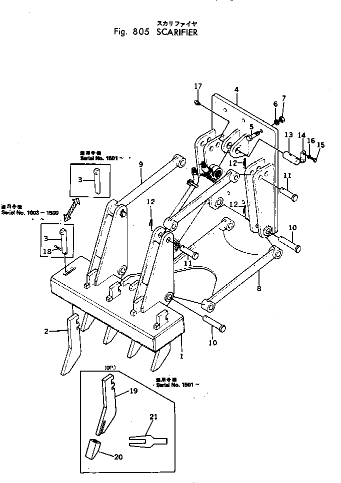
? 236-70-00010 SCARIFIER ASS'Y 1
SN: 1003-1500
? 236-70-23110 • BODY 1
SN: 1003-1500
? 09271-00045 • TOOTH 5
SN: 1003-1500
? 232-70-13142 • WEDGE 5
SN: 1003-1500
? □232-70-13141 • WEDGE 5
SN: 1000-1000
? 236-70-23120 • BRACKET 1
SN: 1003-1500
? 01010-32080 • BOLT 8
SN: 1003-1500
? 01602-02060 • WASHER 8
SN: 1003-1500
? 01580-02016 • NUT 8
SN: 1003-1500
? 236-70-23130 • ARM 1
SN: 1003-1500
? 236-70-23141 • ARM 2
SN: .-1500
? □236-70-23140 • ARM 2
SN: 1003-.
? 236-70-23160 • PIN 4
SN: 1003-1500
? 236-70-23170 • PIN 4
SN: 1003-1500
? 236-70-23180 • PIN 8
SN: 1003-1500
? 236-70-23150 • PIN 2
SN: 1003-1500
? 04082-00206 • LOCK 2
SN: 1003-1500
? 01010-51225 • BOLT 4
SN: 1003-1500
? 01602-21236 • WASHER 4
SN: 1003-1500
? 07020-00000 • FITTING 2
SN: 1003-1500
? 04050-16050 • PIN 5
SN: 1003-1500
? 237-71-51310 SHANK 5
SN: 1000-1000
? 232-71-51320 TOOTH 5
SN: 1000-1000
? 232-71-51330 TOOL 5
SN: 1000-1000

Graders Komatsu / GD22H-1 S/N 1003-UP(gd22h-1r) / SCARIFIER(180050 : 805)