| Номер на схеме | Каталожный номер | Название | Количество | Детали | |||
|---|---|---|---|---|---|---|---|
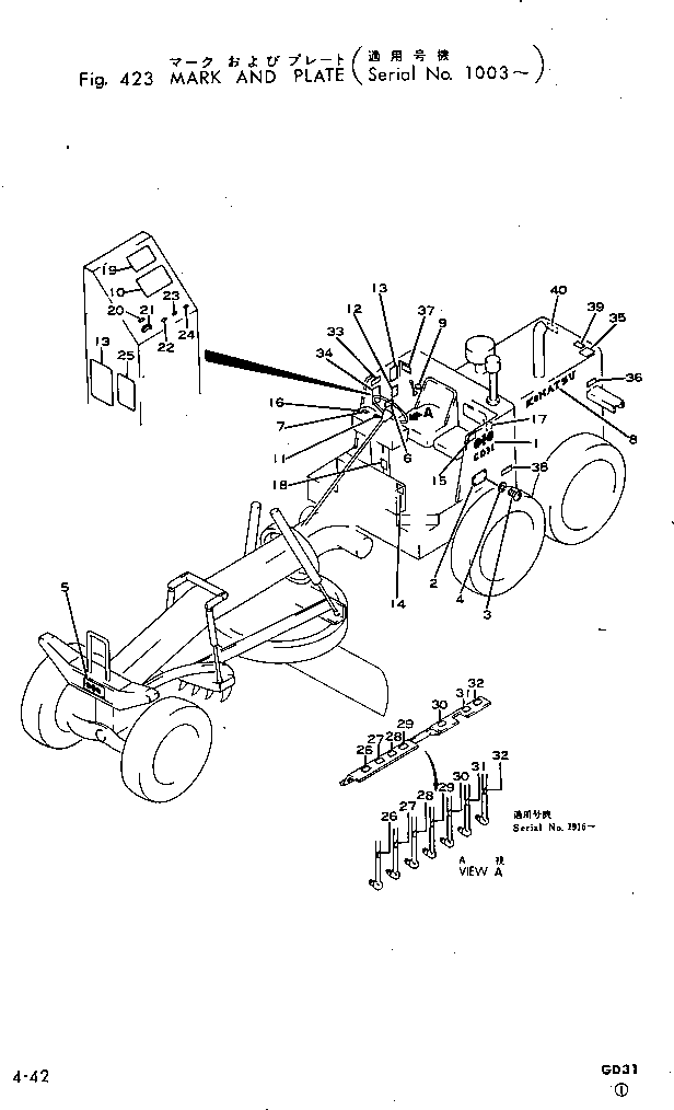
| ? | 09691-02317 | PLATE, MARK | 2 | SN: 4001- KIT-FLAG: _- SERIALNO: 4001- |
|||
| ? | 09602-01643 | PLATE, NAME | 1 | SN: 4001- KIT-FLAG: _- SERIALNO: 4001- |
|||
| ? | 01220-40408 | SCREW | 4 | SN: 4001- KIT-FLAG: _- SERIALNO: 4001- |
|||
| ? | 01601-20410 | WASHER | 4 | SN: 4001- KIT-FLAG: _- SERIALNO: 4001- |
|||
| ? | 09694-00200 | PLATE, MARK | 1 | SN: 4001- KIT-FLAG: _- SERIALNO: 4001- |
|||
| ? | 09683-00060 | PLATE, OPERATING | 1 | SN: 5082- KIT-FLAG: _- SERIALNO: 5082- |
|||
| ? | □09686-00060 | PLATE, OPERATING | 1 | SN: 4001-5081 KIT-FLAG: _- SERIALNO: 4001-5081 |
|||
| ? | 09690-00560 | PLATE, MARK | 2 | SN: 4001- KIT-FLAG: _- SERIALNO: 4001- |
|||
| ? | 232-53-13110 | PLATE, OPERATING | 1 | SN: 4001- KIT-FLAG: _- SERIALNO: 4001- |
|||
| ? | 232-54-14240 | PLATE, NAME | 1 | SN: 4001- KIT-FLAG: _- SERIALNO: 4001- |
|||
| ? | 232-54-14250 | PLATE, OPERATING | 1 | SN: 4001- KIT-FLAG: _- SERIALNO: 4001- |
|||
| ? | 233-53-11110 | CHART, OIL | 1 | SN: 4001- KIT-FLAG: _- SERIALNO: 4001- |
|||
| ? | 233-53-13121 | CHART, OIL,(ENGLISH) | 1 | SN: 4001- KIT-FLAG: _- SERIALNO: 4001- |
|||
| ? | 233-54-14120 | PLATE, OPERATING | 1 | SN: 4001- KIT-FLAG: _- SERIALNO: 4001- |
|||
| ? | 233-53-11130 | PLATE | 1 | SN: 4001- KIT-FLAG: _- SERIALNO: 4001- |
|||
| ? | 236-54-24190 | PLATE, OPERATING | 1 | SN: 4001- KIT-FLAG: _- SERIALNO: 4001- |
|||
| ? | 236-54-24210 | PLATE, OPERATING | 1 | SN: 4001- KIT-FLAG: _- SERIALNO: 4001- |
|||
| ? | 232-53-11420 | PLATE, SAFETY | 1 | SN: 4578- KIT-FLAG: _- SERIALNO: 4578- |
|||
| ? | 232-54-14230 | PLATE, CAUTION | 1 | SN: 4001-4577 KIT-FLAG: _- SERIALNO: 4001-4577 |
|||
| ? | 130-06-12140 | PLATE, OPERATING | 1 | SN: 4001- KIT-FLAG: _- SERIALNO: 4001- |
|||
| ? | 09651-10000 | PLATE, SAFETY | 1 | SN: 4578- KIT-FLAG: _- SERIALNO: 4578- |
|||
| ? | 09164-10000 | PLATE, SAFETY | 1 | SN: 4578- KIT-FLAG: _- SERIALNO: 4578- |
|||
| ? | 09668-10000 | PLATE, SAFETY | 1 | SN: 4578- KIT-FLAG: _- SERIALNO: 4578- |
|||
| ? | 09667-10000 | PLATE, SAFETY | 2 | SN: 4578- KIT-FLAG: _- SERIALNO: 4578- |
|||
| ? | 09653-10000 | PLATE, SAFETY | 1 | SN: 4578- KIT-FLAG: _- SERIALNO: 4578- |
|||
| ? | 09652-00101 | PLATE, CAUTION | 1 | SN: 4578- KIT-FLAG: _- SERIALNO: 4578- |
|||
| ? | 09650-00100 | PLATE, INSTRUCTION | 1 | SN: 4578- KIT-FLAG: _- SERIALNO: 4578- |
|||
| ? | 09101-10000 | PLATE, CAUTION | 1 | SN: 4578- KIT-FLAG: _- SERIALNO: 4578- |
