k-part
Номер на схеме Каталожный номер Название Количество Детали
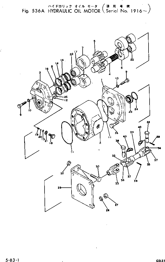
? 07437-68100 MOTOR ASS'Y 1
SN: 1916-4085
? • BRACKET 1
SN: 1916-
? • CASE,GEAR 1
SN: 1916-4085
? • COVER 1
SN: 1916-
? • GEAR,DRIVE 1
SN: 1916-4085
? • GEAR 1
SN: 1916-4085
? • BUSHING 2
SN: 1916-
? • BUSHING 2
SN: 1916-
? • RING 4
SN: 1916-
? • BOLT 16
SN: 1916-
? • WASHER 16
SN: 1916-
? • O-RING 2
SN: 1916-
? • O-RING 2
SN: 1916-
? 07000-12008 • O-RING 2
SN: 1916-
? • PLATE 2
SN: 1916-
? • U-RING 2
SN: 1916-
? • COLLAR 2
SN: 1916-
? • PIN 2
SN: 1916-
? 07425-68110 • SEAT 2
SN: 1916-
? 07425-68130 • SPRING 2
SN: 1916-
? 04260-00635 • BALL 2
SN: 1916-
? • GASKET 2
SN: 1916-
? 07435-66181 • BEARING 4
SN: 1916-
? 07434-11161 • SEAL 1
SN: 1916-
? 04065-05020 • RING 1
SN: 1916-
? • SPACER 2
SN: 1916-
? 01010-31250 BOLT 4
SN: 2300-2647
? 01000-31250 BOLT 4
SN: 1916-2299
? 01500-01210 NUT 4
SN: 1916-2647
? 01602-01236 WASHER 4
SN: 1003-2647
? 233-71-14241 BRACKET 1
SN: 1916-2647
? 01010-01230 BOLT 4
SN: 2300-2647
? 01000-31230 BOLT 4
SN: 1916-2299
? 01602-01236 WASHER 4
SN: 1003-2647
? 233-71-14260 YOKE 1
SN: 1916-2647
? 233-71-14311 SHAFT 1
SN: 1336-2647
? • YOKE 2
SN: 1003-2647
? • SPIDER 2
SN: 1003-2647
? • PIN 4
SN: 1003-2647
? 232-40-12270 PIN 2
SN: 1003-2647
? 04050-04025 PIN 2
SN: 1003-2647
? 07020-00675 FITTING 2
SN: 1003-2647

Graders Komatsu / GD31-3H S/N 1501-UP(gd31-3hr) / HYDRAULIC OIL MOTOR(#1916-)(150300 : 536A)