| Номер на схеме | Каталожный номер | Название | Количество | Детали | |||
|---|---|---|---|---|---|---|---|
| ? | 233-71-00207 | GEAR ASS'Y | 1 | SN: 4338- |
|||
| ? | □233-71-00203 | GEAR ASS'Y | 1 | SN: 3152-4337 |
|||
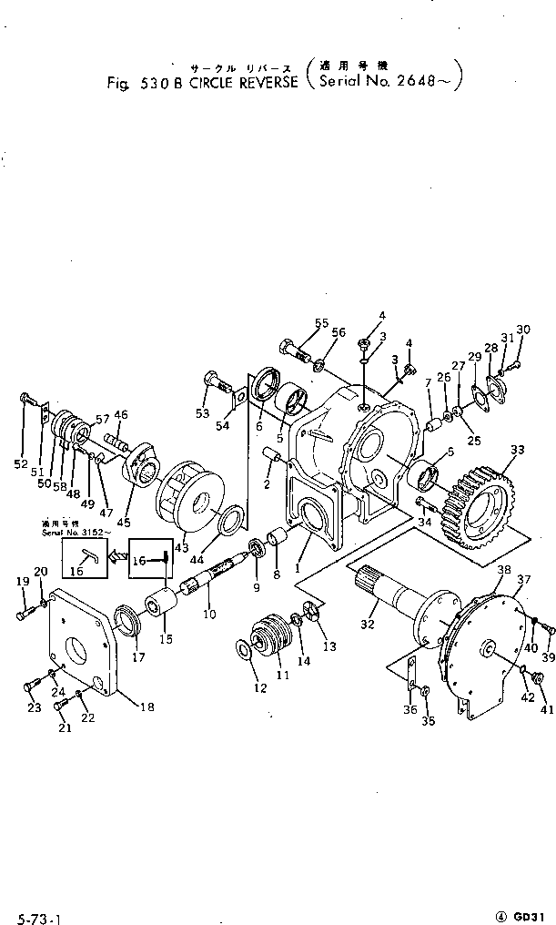
| ? | □233-71-00202 | CIRCLE REVERSE ASS'Y | 1 | SN: 2648-3151 |
|||
| ? | 233-71-00212 | • CASE ASS'Y | 1 | SN: 3512-5117 |
|||
| ? | 233-71-00211 | • CASE ASS'Y | 1 | SN: 2648-3151 |
|||
| ? | 234-71-13113 | • • CASE | 1 | SN: 3152-5117 |
|||
| ? | 234-71-13112 | • • CASE | 1 | SN: 2648-3151 |
|||
| ? | 232-71-13150 | • • PIN | 2 | SN: 2648- |
|||
| ? | 07002-11823 | • • O-RING | 1 | SN: 3152- |
|||
| ? | 07002-11823 | • • O-RING | 2 | SN: 2648-3151 |
|||
| ? | 07040-01812 | • • PLUG | 1 | SN: 3152- |
|||
| ? | 07040-01812 | • • PLUG | 2 | SN: 2648-3151 |
|||
| ? | 234-71-13190 | • • BUSHING | 2 | SN: 2648- |
|||
| ? | 07012-00062 | • • SEAL | 1 | SN: 2648- |
|||
| ? | 232-71-13140 | • • BUSHING | 1 | SN: 2648- |
|||
| ? | 232-71-13280 | • • BUSHING | 1 | SN: 2648- |
|||
| ? | 07011-00028 | • • SEAL | 1 | SN: 2648- |
|||
| ? | 233-71-13460 | • SHAFT | 1 | SN: 2648- |
|||
| ? | 232-71-13421 | • GEAR | 1 | SN: 2648-4337 |
|||
| ? | 232-71-13431 | • WASHER | 1 | SN: 2648- |
|||
| ? | (☒232-71-13430) | • WASHER | 1 | SN: (2648-3523) |
|||
| ? | 232-71-13441 | • WASHER | 1 | SN: 2648- |
|||
| ? | (☒232-71-13440) | • WASHER | 1 | SN: (2648-3523) |
|||
| ? | 234-71-13270 | • COLLAR | 1 | SN: 2648- |
|||
| ? | 233-71-13471 | • COUPLING | 1 | SN: 3512- |
|||
| ? | 233-71-13470 | • COUPLING | 1 | SN: 2648-3151 |
|||
| ? | 234-71-13280 | • PIN | 1 | SN: 3152- |
|||
| ? | 04025-00424 | • PIN | 1 | SN: 2648-3151 |
|||
| ? | 233-71-13620 | • SPACER | 1 | SN: 2648- |
|||
| ? | 233-71-13610 | • PLATE | 1 | SN: 2648- |
|||
| ? | 01010-51245 | • BOLT | 3 | SN: 2648- |
|||
| ? | 01602-21236 | • WASHER | 3 | SN: 2648- |
|||
| ? | 01010-51230 | • BOLT | 1 | SN: 2648- |
|||
| ? | 01602-21236 | • WASHER | 1 | SN: 2648- |
|||
| ? | 01010-51240 | • BOLT | 4 | SN: 2648- |
|||
| ? | 01602-21236 | • WASHER | 4 | SN: 2648- |
|||
| ? | 01593-11613 | • NUT | 1 | SN: 2648- |
|||
| ? | 01640-21626 | • WASHER | 1 | SN: 2648- |
|||
| ? | 04050-04025 | • PIN | 1 | SN: 2648- |
|||
| ? | 232-71-13220 | • CAP | 1 | SN: 2648- |
|||
| ? | 232-71-13230 | • GASKET | 1 | SN: 2648- |
|||
| ? | 01010-50820 | • BOLT | 2 | SN: 2648- |
|||
| ? | 01602-20825 | • WASHER | 2 | SN: 2648- |
|||
| ? | 234-71-13182 | • SHAFT | 1 | SN: 3152- |
|||
| ? | 233-71-13512 | • SHAFT | 1 | SN: 2648-3151 |
|||
| ? | 234-71-13161 | • GEAR | 1 | SN: 2648-4337 |
|||
| ? | 01090-31455 | • BOLT | 6 | SN: 2648- |
|||
| ? | 01582-11411 | • NUT | 6 | SN: 2648- |
|||
| ? | 234-71-13170 | • PLATE | 3 | SN: 2648- |
|||
| ? | 234-71-13122 | • COVER | 1 | SN: 2648- |
|||
| ? | 234-71-13131 | • GASKET | 1 | SN: 2648- |
|||
| ? | 01010-50820 | • BOLT | 13 | SN: 2648- |
|||
| ? | 01602-20825 | • WASHER | 13 | SN: 2648- |
|||
| ? | 07040-01812 | • PLUG | 1 | SN: 2648- |
|||
| ? | 07002-11823 | • O-RING | 1 | SN: 2648- |
|||
| ? | 233-71-13354 | • GEAR | 1 | SN: 3152- |
|||
| ? | 233-71-13353 | • GEAR | 1 | SN: 2648-3151 |
|||
| ? | 232-71-13630 | • SPACER | 1 | SN: 2648-3151 |
|||
| ? | 234-71-13242 | • JOINT | 1 | SN: .- |
|||
| ? | 234-71-13241 | • JOINT | 1 | SN: 3152-. |
|||
| ? | 233-71-13530 | • JOINT | 1 | SN: 2648-3151 |
|||
| ? | 232-71-13611 | • PIN | 1 | SN: 2648-4529 |
|||
| ? | 232-71-13532 | • PLATE | 1 | SN: 5118- |
|||
| ? | □232-71-13531 | • PLATE | 1 | SN: 2648-5117 |
|||
| ? | 01010-50820 | • BOLT | 1 | SN: 2648- |
|||
| ? | 01602-20825 | • WASHER | 1 | SN: 2648- |
|||
| ? | 04080-06012 | • HOLDER | 1 | SN: 3512-4973 |
|||
| ? | 131-14-44560 | • PLATE | 1 | SN: 2648-3151 |
|||
| ? | 04081-06012 | • LOCK | 1 | SN: 3152- |
|||
| ? | 04081-04512 | • LOCK | 1 | SN: 2648-3151 |
|||
| ? | 01010-31230 | • BOLT | 2 | SN: 3152-4973 |
|||
| ? | 01010-31025 | • BOLT | 2 | SN: 2648-3151 |
|||
| ? | 01010-52245 | • BOLT | 1 | SN: 2648- |
|||
| ? | 232-71-13650 | • LOCK | 1 | SN: 2648- |
|||
| ? | 01010-52250 | • BOLT | 4 | SN: 2648- |
|||
| ? | 01602-22268 | • WASHER | 4 | SN: 2648- |
|||
| ? | 233-71-13630 | • SPACER | 1 | SN: 3152- |
