| Наименование | Страница | Код страницы |
|---|---|---|
| Engine Saver 550 | 090-0517 | 090-0517 |
| Cold-Starting-System, CU-Engine | 090-2820 | 090-2820 |
| Номер на схеме | Каталожный номер | Название | Количество | Детали | |||
|---|---|---|---|---|---|---|---|
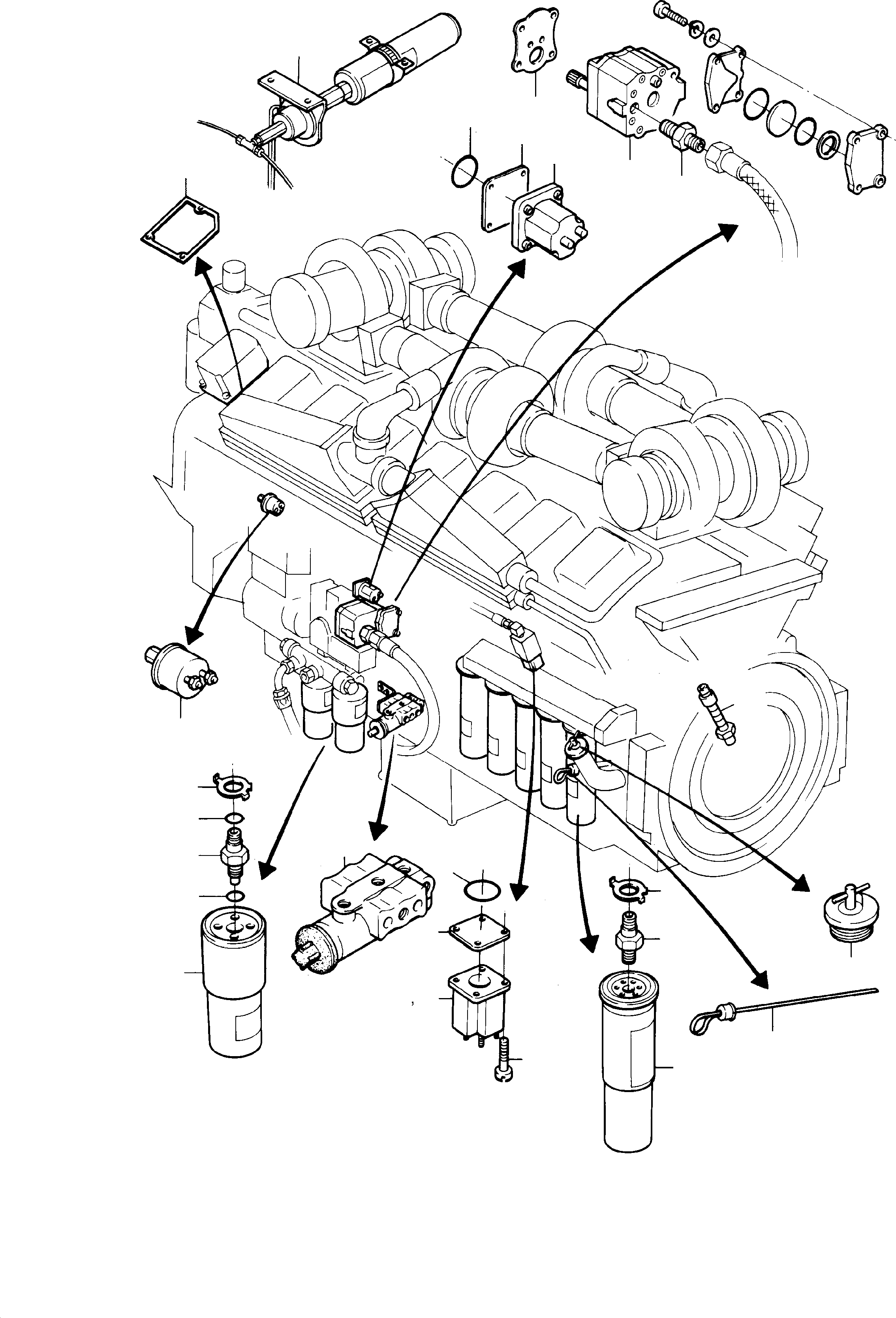
| ? | Graphic 1 | EnglischBem: DeutschBem: DeutschDesc: Bild 1 InternBDB: InternKon: SerienBem: Zwhead_Deu: Zwhead_Eng: |
|||||
| ? | 481 622 40 | Engine, assy. | 1 | EnglischBem: DeutschBem: DeutschDesc: Motor, kpl. InternBDB: Cummins KTTA-50-CAT-Nr. 710 436 73 InternKon: SerienBem: Zwhead_Deu: Zwhead_Eng: |
|||
| ? | 694 520 | Clamp | 2 | EnglischBem: DeutschBem: DeutschDesc: Schelle InternBDB: 302 9618 InternKon: SerienBem: Zwhead_Deu: Zwhead_Eng: |
|||
| ? | 692 325 | Starter | 2 | EnglischBem: DeutschBem: DeutschDesc: Anlasser InternBDB: 301 0125 Delco-Remy 199 0259 InternKon: SerienBem: Zwhead_Deu: Zwhead_Eng: |
|||
| ? | Solenoid switch | 2 | EnglischBem: DeutschBem: DeutschDesc: Magnetschalter InternBDB: InternKon: SerienBem: Zwhead_Deu: Zwhead_Eng: |
||||
| ? | 694 521 | Gasket | 2 | EnglischBem: DeutschBem: DeutschDesc: Dichtung InternBDB: 303 1007 InternKon: SerienBem: Zwhead_Deu: Zwhead_Eng: |
|||
| ? | 694 522 | Lock washer | 6 | EnglischBem: DeutschBem: DeutschDesc: Federring InternBDB: S-603 InternKon: SerienBem: Zwhead_Deu: Zwhead_Eng: |
|||
| ? | 694 523 | Bolt | 6 | EnglischBem: DeutschBem: DeutschDesc: Schraube InternBDB: 158 250 InternKon: SerienBem: Zwhead_Deu: Zwhead_Eng: |
|||
| ? | 692 306 | Spin-on by-pass lube filter | 2 | EnglischBem: DeutschBem: DeutschDesc: Nebenstrom-Цlfilterpatrone InternBDB: 330 4232 LF-777 InternKon: SerienBem: Zwhead_Deu: Zwhead_Eng: |
|||
| ? | 694 524 | Oil control valve, assy. | 1 | EnglischBem: DeutschBem: DeutschDesc: Цlsteuerventil, kpl. InternBDB: 303 5738 InternKon: SerienBem: Zwhead_Deu: Zwhead_Eng: |
|||
| ? | 694 525 | Solenoid | 1 | EnglischBem: DeutschBem: DeutschDesc: Magnet InternBDB: 196 066 InternKon: SerienBem: Zwhead_Deu: Zwhead_Eng: |
|||
| ? | 694 526 | Plate | 1 | EnglischBem: DeutschBem: DeutschDesc: Platte InternBDB: 129 839 InternKon: SerienBem: Zwhead_Deu: Zwhead_Eng: |
|||
| ? | 692 839 | Seal ring | 1 | EnglischBem: DeutschBem: DeutschDesc: Dichtring InternBDB: 129 888 InternKon: SerienBem: Zwhead_Deu: Zwhead_Eng: |
|||
| ? | 694 527 | Bolt | 4 | EnglischBem: DeutschBem: DeutschDesc: Schraube InternBDB: 301 8047 InternKon: SerienBem: Zwhead_Deu: Zwhead_Eng: |
|||
| ? | 696 085 73 | Generator 28 V /100 Amp. | 1 | EnglischBem: DeutschBem: DeutschDesc: Lichtmaschine 28 V /100 Amp. InternBDB: Leece Neville A 001 4626-JC AT-Nr. 669 465 73 InternKon: SerienBem: Zwhead_Deu: Zwhead_Eng: |
|||
| ? | 692 008 | Belt | 1 | EnglischBem: DeutschBem: DeutschDesc: Flachriemen InternBDB: 303 1485 InternKon: SerienBem: Zwhead_Deu: Zwhead_Eng: |
|||
| ? | 694 528 | Pulley | 1 | EnglischBem: DeutschBem: DeutschDesc: Riemenscheibe InternBDB: 301 4711 InternKon: SerienBem: Zwhead_Deu: Zwhead_Eng: |
|||
| ? | 694 529 | Water pump | 1 | EnglischBem: DeutschBem: DeutschDesc: Wasserpumpe InternBDB: 300 2109 InternKon: SerienBem: Zwhead_Deu: Zwhead_Eng: |
|||
| ? | 693 464 | O-ring | 1 | EnglischBem: DeutschBem: DeutschDesc: O-Ring InternBDB: 206 457 InternKon: SerienBem: Zwhead_Deu: Zwhead_Eng: |
|||
| ? | 694 530 | Bolt | 4 | EnglischBem: DeutschBem: DeutschDesc: Schraube InternBDB: 206 326 InternKon: SerienBem: Zwhead_Deu: Zwhead_Eng: |
|||
| ? | 694 531 | Lock washer | 4 | EnglischBem: DeutschBem: DeutschDesc: Federring InternBDB: 135 783 InternKon: SerienBem: Zwhead_Deu: Zwhead_Eng: |
|||
| ? | 694 532 | O-ring | 1 | EnglischBem: DeutschBem: DeutschDesc: O-Ring InternBDB: 300 7512 InternKon: SerienBem: Zwhead_Deu: Zwhead_Eng: |
|||
| ? | 693 318 | Gasket | 1 | EnglischBem: DeutschBem: DeutschDesc: Dichtung InternBDB: 206 193 InternKon: SerienBem: Zwhead_Deu: Zwhead_Eng: |
|||
| ? | 694 533 | Drain cock | 1 | EnglischBem: DeutschBem: DeutschDesc: AblaЯhahn InternBDB: S-962-E InternKon: SerienBem: Zwhead_Deu: Zwhead_Eng: |
|||
| ? | 694 534 | O-ring | 2 | EnglischBem: DeutschBem: DeutschDesc: O-Ring InternBDB: 43696-A InternKon: SerienBem: Zwhead_Deu: Zwhead_Eng: |
|||
| ? | 694 535 | Socket | 2 | EnglischBem: DeutschBem: DeutschDesc: Stutzen InternBDB: 303 7219 InternKon: SerienBem: Zwhead_Deu: Zwhead_Eng: |
|||
| ? | Graphic 2 | EnglischBem: DeutschBem: DeutschDesc: Bild 2 InternBDB: InternKon: SerienBem: Zwhead_Deu: Zwhead_Eng: |
|||||
| ? | 693 164 | Thermostat | 4 | EnglischBem: DeutschBem: DeutschDesc: Thermostat InternBDB: 302 2299 InternKon: SerienBem: Zwhead_Deu: Zwhead_Eng: |
|||
| ? | 692 322 | Seal ring | 4 | EnglischBem: DeutschBem: DeutschDesc: Dichtring InternBDB: 186 780 InternKon: SerienBem: Zwhead_Deu: Zwhead_Eng: |
|||
| ? | 693 165 | Gasket | 2 | EnglischBem: DeutschBem: DeutschDesc: Dichtung InternBDB: 206 443 InternKon: SerienBem: Zwhead_Deu: Zwhead_Eng: |
|||
| ? | 694 536 | Housing | 2 | EnglischBem: DeutschBem: DeutschDesc: Gehдuse InternBDB: 206 442 InternKon: SerienBem: Zwhead_Deu: Zwhead_Eng: |
|||
| ? | 694 537 | Housing | 2 | EnglischBem: DeutschBem: DeutschDesc: Gehдuse InternBDB: 206 447 InternKon: SerienBem: Zwhead_Deu: Zwhead_Eng: |
|||
| ? | 694 538 | Lock washer | 4 | EnglischBem: DeutschBem: DeutschDesc: Federring InternBDB: S-604 InternKon: SerienBem: Zwhead_Deu: Zwhead_Eng: |
|||
| ? | 694 539 | Bolt | 4 | EnglischBem: DeutschBem: DeutschDesc: Schraube InternBDB: 205 276 InternKon: SerienBem: Zwhead_Deu: Zwhead_Eng: |
|||
| ? | 694 540 | Piston | 2 | EnglischBem: DeutschBem: DeutschDesc: Kolben InternBDB: 206 448 InternKon: SerienBem: Zwhead_Deu: Zwhead_Eng: |
|||
| ? | 694 541 | O-ring | 2 | EnglischBem: DeutschBem: DeutschDesc: O-Ring InternBDB: 206 449 InternKon: SerienBem: Zwhead_Deu: Zwhead_Eng: |
|||
| ? | 694 542 | Circlip | 2 | EnglischBem: DeutschBem: DeutschDesc: Sicherungsring InternBDB: S-16240 InternKon: SerienBem: Zwhead_Deu: Zwhead_Eng: |
|||
| ? | 692 337 | Water filter (15 DCA-Ein- heiten) | 4 | EnglischBem: DeutschBem: DeutschDesc: Wasserfilter (15 DCA-Ein- heiten) InternBDB: WF-2075 330 5370 InternKon: SerienBem: Zwhead_Deu: Zwhead_Eng: |
|||
| ? | 692 336 | Water filter (8 DCA-Einheiten) | A/R | EnglischBem: DeutschBem: DeutschDesc: Wasserfilter (8 DCA-Einheiten) InternBDB: WF-2073 InternKon: SerienBem: Zwhead_Deu: Zwhead_Eng: |
|||
| ? | 501 359 98 | O-ring | 4 | EnglischBem: DeutschBem: DeutschDesc: O-Ring InternBDB: 70861 InternKon: SerienBem: Zwhead_Deu: Zwhead_Eng: |
|||
| ? | Graphic 3 | EnglischBem: DeutschBem: DeutschDesc: Bild 3 InternBDB: InternKon: SerienBem: Zwhead_Deu: Zwhead_Eng: |
|||||
| ? | 694 543 | Gasket | 16 | EnglischBem: DeutschBem: DeutschDesc: Dichtung InternBDB: 304 0720 InternKon: SerienBem: Zwhead_Deu: Zwhead_Eng: |
|||
| ? | 694 551 | Fuel switch | 1 | EnglischBem: DeutschBem: DeutschDesc: Kraftstoffschalter InternBDB: 304 4977 InternKon: SerienBem: Zwhead_Deu: Zwhead_Eng: |
|||
| ? | 694 524 | Oil control valve, assy. | 1 | EnglischBem: DeutschBem: DeutschDesc: Цlsteuerventil, kpl. InternBDB: 303 5738 InternKon: SerienBem: Zwhead_Deu: Zwhead_Eng: |
|||
| ? | 694 525 | Solenoid | 1 | EnglischBem: DeutschBem: DeutschDesc: Magnet InternBDB: 196 066 InternKon: SerienBem: Zwhead_Deu: Zwhead_Eng: |
|||
| ? | 694 526 | Plate | 2 | EnglischBem: DeutschBem: DeutschDesc: Platte InternBDB: 129 839 InternKon: SerienBem: Zwhead_Deu: Zwhead_Eng: |
|||
| ? | 692 839 | Seal ring | 1 | EnglischBem: DeutschBem: DeutschDesc: Dichtring InternBDB: 129 888 InternKon: SerienBem: Zwhead_Deu: Zwhead_Eng: |
|||
| ? | 694 527 | Bolt | 4 | EnglischBem: DeutschBem: DeutschDesc: Schraube InternBDB: 301 8047 InternKon: SerienBem: Zwhead_Deu: Zwhead_Eng: |
|||
| ? | 693 163 | Solenoid | 1 | EnglischBem: DeutschBem: DeutschDesc: Abstellmagnet InternBDB: 301 7994 InternKon: SerienBem: Zwhead_Deu: Zwhead_Eng: |
|||
| ? | Socket | 1 | EnglischBem: DeutschBem: DeutschDesc: Stutzen InternBDB: InternKon: SerienBem: Zwhead_Deu: Zwhead_Eng: |
||||
| ? | 692 839 | O-ring | 1 | EnglischBem: DeutschBem: DeutschDesc: O-Ring InternBDB: 129 888 InternKon: SerienBem: Zwhead_Deu: Zwhead_Eng: |
|||
| ? | 694 552 | Fuel pump | 1 | EnglischBem: DeutschBem: DeutschDesc: Kraftstoffpumpe InternBDB: 327 8318 InternKon: SerienBem: Zwhead_Deu: Zwhead_Eng: |
|||
| ? | 694 553 | Gasket | 1 | EnglischBem: DeutschBem: DeutschDesc: Dichtung InternBDB: 301 3646 InternKon: SerienBem: Zwhead_Deu: Zwhead_Eng: |
|||
| ? | 988 779 | Oil filter cartridge | 5 | EnglischBem: DeutschBem: DeutschDesc: Цlfilterpatrone InternBDB: 331 0169 LF - 3325 InternKon: SerienBem: Zwhead_Deu: Zwhead_Eng: |
|||
| ? | 694 544 | Socket | 5 | EnglischBem: DeutschBem: DeutschDesc: Stutzen InternBDB: 217 568 InternKon: SerienBem: Zwhead_Deu: Zwhead_Eng: |
|||
| ? | 694 545 | Locking plate | 5 | EnglischBem: DeutschBem: DeutschDesc: Sicherungsblech InternBDB: 300 1483 InternKon: SerienBem: Zwhead_Deu: Zwhead_Eng: |
|||
| ? | 694 546 | Gauge, oil level | 1 | EnglischBem: DeutschBem: DeutschDesc: ЦlmeЯstab InternBDB: 206 571 InternKon: SerienBem: Zwhead_Deu: Zwhead_Eng: |
|||
| ? | 694 547 | Cap, oil filler tube | 1 | EnglischBem: DeutschBem: DeutschDesc: Цleinfьlldeckel InternBDB: 107 981 InternKon: SerienBem: Zwhead_Deu: Zwhead_Eng: |
|||
| ? | 693 587 | Fuel filter cartridge with separator | 2 | EnglischBem: DeutschBem: DeutschDesc: Kraftstoffilterpatrone mit
Wasserabscheider InternBDB: FS-1216 InternKon: SerienBem: Zwhead_Deu: Zwhead_Eng: |
|||
| ? | 694 534 | O-ring | 2 | EnglischBem: DeutschBem: DeutschDesc: O-Ring InternBDB: 43696-A InternKon: SerienBem: Zwhead_Deu: Zwhead_Eng: |
|||
| ? | 694 548 | Socket | 2 | EnglischBem: DeutschBem: DeutschDesc: Stutzen InternBDB: 301 0635 InternKon: SerienBem: Zwhead_Deu: Zwhead_Eng: |
|||
| ? | 694 549 | O-ring | 2 | EnglischBem: DeutschBem: DeutschDesc: O-Ring InternBDB: 145 507 InternKon: SerienBem: Zwhead_Deu: Zwhead_Eng: |
|||
| ? | 694 550 | Locking plate | 2 | EnglischBem: DeutschBem: DeutschDesc: Sicherungsblech InternBDB: 300 4272 InternKon: SerienBem: Zwhead_Deu: Zwhead_Eng: |
|||
| ? | 695 295 73 | Air press valve | 1 | EnglischBem: DeutschBem: DeutschDesc: Druckluftventil InternBDB: 181 461 InternKon: SerienBem: Zwhead_Deu: Zwhead_Eng: |
|||
| ? | 696 832 73 | Magnetic pickup | 1 | EnglischBem: DeutschBem: DeutschDesc: Motordrehzahlsensor InternBDB: Flight Syst. 57-A995-03 5/8-18 InternKon: SerienBem: Zwhead_Deu: Zwhead_Eng: |