k-part
Номер на схеме Каталожный номер Название Количество Детали
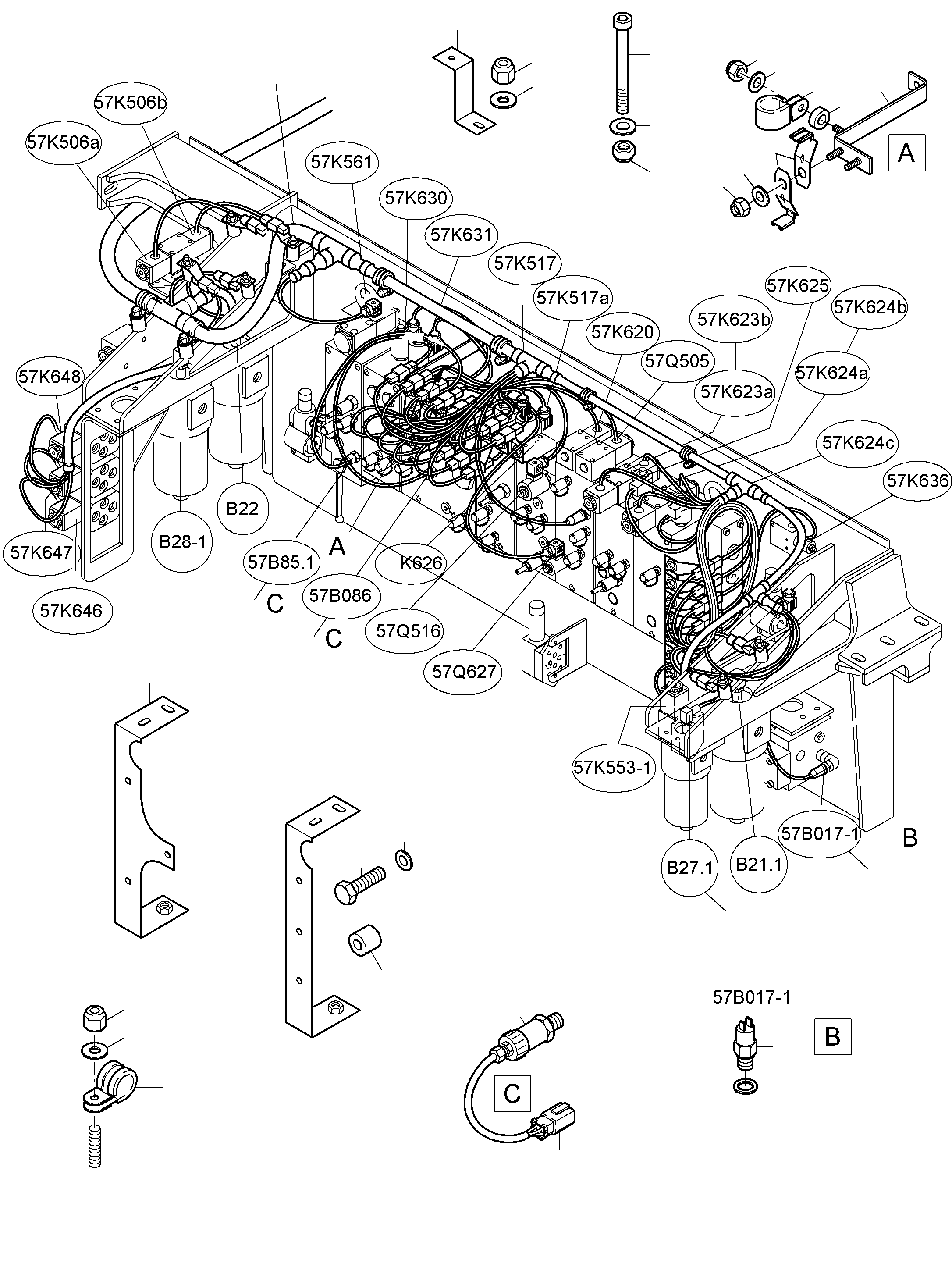
? 960 117 40 Harness - control- and filter plate 1
EnglischBem:
DeutschBem:
DeutschDesc: Kabelbaum - Steuer- und Filterplatte
InternBDB:
InternKon:
SerienBem:
Zwhead_Deu:
Zwhead_Eng:
? 950 112 40 Plug assy. 2
EnglischBem:
DeutschBem:
DeutschDesc: Stecker kpl.
InternBDB:
InternKon:
SerienBem:
Zwhead_Deu:
Zwhead_Eng:
? 940 852 40 Plug 4
EnglischBem:
DeutschBem:
DeutschDesc: Blindstopfen
InternBDB:
InternKon:
SerienBem:
Zwhead_Deu:
Zwhead_Eng:
? 0819105320 Pin contact 58
EnglischBem:
DeutschBem:
DeutschDesc: Stiftkontakt
InternBDB:
InternKon:
SerienBem:
Zwhead_Deu:
Zwhead_Eng:
? 952 675 40 Plug assy. 25
EnglischBem:
DeutschBem:
DeutschDesc: Stecker kpl.
InternBDB:
InternKon:
SerienBem:
Zwhead_Deu:
Zwhead_Eng:
? 955 627 40 Plug assy. with rubber grommet 2
EnglischBem:
DeutschBem:
DeutschDesc: Stecker kpl. mit Gummitьlle
InternBDB:
InternKon:
SerienBem:
Zwhead_Deu:
Zwhead_Eng:
? 941 777 40 Plate 31
EnglischBem:
DeutschBem:
DeutschDesc: Schild
InternBDB:
InternKon:
SerienBem:
Zwhead_Deu:
Zwhead_Eng:
? 174 411 40 Cable strap 62
EnglischBem:
DeutschBem:
DeutschDesc: Kabelband
InternBDB:
InternKon:
SerienBem:
Zwhead_Deu:
Zwhead_Eng:
? 896 520 40 End pin 18
EnglischBem:
DeutschBem:
DeutschDesc: VerschluЯbolzen
InternBDB:
InternKon:
SerienBem:
Zwhead_Deu:
Zwhead_Eng:
? 950 167 40 Plug 1
EnglischBem:
DeutschBem:
DeutschDesc: Stecker
InternBDB:
InternKon:
SerienBem:
Zwhead_Deu:
Zwhead_Eng:
? 950 175 40 Busching contact 3
EnglischBem:
DeutschBem:
DeutschDesc: Buchsenkontakt
InternBDB:
InternKon:
SerienBem:
Zwhead_Deu:
Zwhead_Eng:
? 950 179 40 Blind contact 2
EnglischBem:
DeutschBem:
DeutschDesc: Blindkontakt
InternBDB:
InternKon:
SerienBem:
Zwhead_Deu:
Zwhead_Eng:
? 950 178 40 Housing 2
EnglischBem:
DeutschBem:
DeutschDesc: Endgehдuse
InternBDB:
InternKon:
SerienBem:
Zwhead_Deu:
Zwhead_Eng:
? 950 166 40 Plug 1
EnglischBem:
DeutschBem:
DeutschDesc: Stecker
InternBDB:
InternKon:
SerienBem:
Zwhead_Deu:
Zwhead_Eng:
? 950 174 40 Pin contact 3
EnglischBem:
DeutschBem:
DeutschDesc: Stiftkontakt
InternBDB:
InternKon:
SerienBem:
Zwhead_Deu:
Zwhead_Eng:
? 950 176 40 Protection cap 2
EnglischBem:
DeutschBem:
DeutschDesc: Schutzkappe
InternBDB:
InternKon:
SerienBem:
Zwhead_Deu:
Zwhead_Eng:
? 950 173 40 O-Ring 2
EnglischBem:
DeutschBem:
DeutschDesc: O-Ring
InternBDB:
InternKon:
SerienBem:
Zwhead_Deu:
Zwhead_Eng:
? 962 630 40 Harness - load limitation valve 1
EnglischBem:
DeutschBem:
DeutschDesc: Kabelbaum - Grenzlastregelventil
InternBDB:
InternKon:
SerienBem:
Zwhead_Deu:
Zwhead_Eng:
? 655 540 40 Valve-Plug 1
EnglischBem:
DeutschBem:
DeutschDesc: Ventilstecker
InternBDB:
InternKon:
SerienBem:
Zwhead_Deu:
Zwhead_Eng:
? 519 037 98 Screw 1
EnglischBem:
DeutschBem:
DeutschDesc: Schraube
InternBDB:
InternKon:
SerienBem:
Zwhead_Deu:
Zwhead_Eng:
? 952 651 40 Plug assy. 2
EnglischBem:
DeutschBem:
DeutschDesc: Stecker kpl.
InternBDB:
InternKon:
SerienBem:
Zwhead_Deu:
Zwhead_Eng:
? 941 791 40 Rubber grommet 2
EnglischBem:
DeutschBem:
DeutschDesc: Gummitьlle
InternBDB:
InternKon:
SerienBem:
Zwhead_Deu:
Zwhead_Eng:
? 941 884 40 Pressure with assy. 1
EnglischBem:
DeutschBem:
DeutschDesc: Druckschalter kpl.
InternBDB:
InternKon:
SerienBem:
Zwhead_Deu:
Zwhead_Eng:
? 340 465 99 Washer 31
EnglischBem:
DeutschBem:
DeutschDesc: Scheibe
InternBDB:
InternKon:
SerienBem:
Zwhead_Deu:
Zwhead_Eng:
? 514 921 98 Nut 41
EnglischBem:
DeutschBem:
DeutschDesc: Mutter
InternBDB:
InternKon:
SerienBem:
Zwhead_Deu:
Zwhead_Eng:
? 0819320010 Clip 5
EnglischBem:
DeutschBem:
DeutschDesc: Clip
InternBDB:
InternKon:
SerienBem:
Zwhead_Deu:
Zwhead_Eng:
? 2080619170 Clip assy. 1
EnglischBem:
DeutschBem:
DeutschDesc: Clip kpl.
InternBDB:
InternKon:
SerienBem:
Zwhead_Deu:
Zwhead_Eng:
? 941 798 40 Pressure measuring transducer 60bar 2
EnglischBem:
DeutschBem:
DeutschDesc: DruckmeЯumformer 60bar
InternBDB:
InternKon:
SerienBem:
Zwhead_Deu:
Zwhead_Eng:
? 0443452110 Clip 1
EnglischBem:
DeutschBem:
DeutschDesc: Clip
InternBDB:
InternKon:
SerienBem:
Zwhead_Deu:
Zwhead_Eng:
? 0443452711 Clip 12
EnglischBem:
DeutschBem:
DeutschDesc: Clip
InternBDB:
InternKon:
SerienBem:
Zwhead_Deu:
Zwhead_Eng:
? 0443451610 Clip 18
EnglischBem:
DeutschBem:
DeutschDesc: Clip
InternBDB:
InternKon:
SerienBem:
Zwhead_Deu:
Zwhead_Eng:
? 958 963 40 Plug assy. 5
EnglischBem:
DeutschBem:
DeutschDesc: Steckdose kpl.
InternBDB:
InternKon:
SerienBem:
Zwhead_Deu:
Zwhead_Eng:
? 0819213820 Plug assy. 2
EnglischBem:
DeutschBem:
DeutschDesc: Steckdose kpl.
InternBDB:
InternKon:
SerienBem:
Zwhead_Deu:
Zwhead_Eng:
? 952 005 40 Retainer 2
EnglischBem:
DeutschBem:
DeutschDesc: Halter
InternBDB:
InternKon:
SerienBem:
Zwhead_Deu:
Zwhead_Eng:
? 952 004 40 Retainer 4
EnglischBem:
DeutschBem:
DeutschDesc: Halter
InternBDB:
InternKon:
SerienBem:
Zwhead_Deu:
Zwhead_Eng:
? 507 596 98 Washer 23
EnglischBem:
DeutschBem:
DeutschDesc: Scheibe
InternBDB:
InternKon:
SerienBem:
Zwhead_Deu:
Zwhead_Eng:
? 516 143 98 Resilient sleeve 1
EnglischBem:
DeutschBem:
DeutschDesc: Dehnhьlse
InternBDB:
InternKon:
SerienBem:
Zwhead_Deu:
Zwhead_Eng:
? 307 779 99 Bolt 1
EnglischBem:
DeutschBem:
DeutschDesc: Schraube
InternBDB:
InternKon:
SerienBem:
Zwhead_Deu:
Zwhead_Eng:
? 307 445 99 Bolt 11
EnglischBem:
DeutschBem:
DeutschDesc: Schraube
InternBDB:
InternKon:
SerienBem:
Zwhead_Deu:
Zwhead_Eng:
? 518 547 98 Lock washer 20
EnglischBem:
DeutschBem:
DeutschDesc: Sicherungsscheibe
InternBDB:
InternKon:
SerienBem:
Zwhead_Deu:
Zwhead_Eng:
? 340 463 99 Washer 12
EnglischBem:
DeutschBem:
DeutschDesc: Scheibe
InternBDB:
InternKon:
SerienBem:
Zwhead_Deu:
Zwhead_Eng:
? 944 642 40 Retainer 1
EnglischBem:
DeutschBem:
DeutschDesc: Halter
InternBDB:
InternKon:
SerienBem:
Zwhead_Deu:
Zwhead_Eng:
? 942 710 40 Retainer 1
EnglischBem:
DeutschBem:
DeutschDesc: Halter
InternBDB:
InternKon:
SerienBem:
Zwhead_Deu:
Zwhead_Eng:
? 319 135 99 Screw 2
EnglischBem:
DeutschBem:
DeutschDesc: Schraube
InternBDB:
InternKon:
SerienBem:
Zwhead_Deu:
Zwhead_Eng:
? 319 136 99 Screw 4
EnglischBem:
DeutschBem:
DeutschDesc: Schraube
InternBDB:
InternKon:
SerienBem:
Zwhead_Deu:
Zwhead_Eng:
? 507 025 98 Nut 6
EnglischBem:
DeutschBem:
DeutschDesc: Mutter
InternBDB:
InternKon:
SerienBem:
Zwhead_Deu:
Zwhead_Eng:

Excavators Mining Komatsu / PC4000-6 S/N 58127(G58127) / Cables - Control- and Filter Plate(355-2283d : 355-2283d)
?
?
?
?
?
?
?
?
?
?
?
?
?
?
?
?
?
?
?
?
?
?
?
?
?
?
?
?
?
?
?
?
?
?
?
?
?
?
Excavators Mining Komatsu / PC4000-6 S/N 58127(G58127) / Cables - Control- and Filter Plate(355-2283d : 355-2283d)
?
?
?
?
?
?
?
?
?
?
?
?
?
?
?
?
?
?
?
?
?
?
Excavators Mining Komatsu / PC4000-6 S/N 58127(G58127) / Cables - Control- and Filter Plate(355-2283d : 355-2283d)
?
?
?
?
?
?
?
?
?