k-part
Номер на схеме Каталожный номер Название Количество Детали
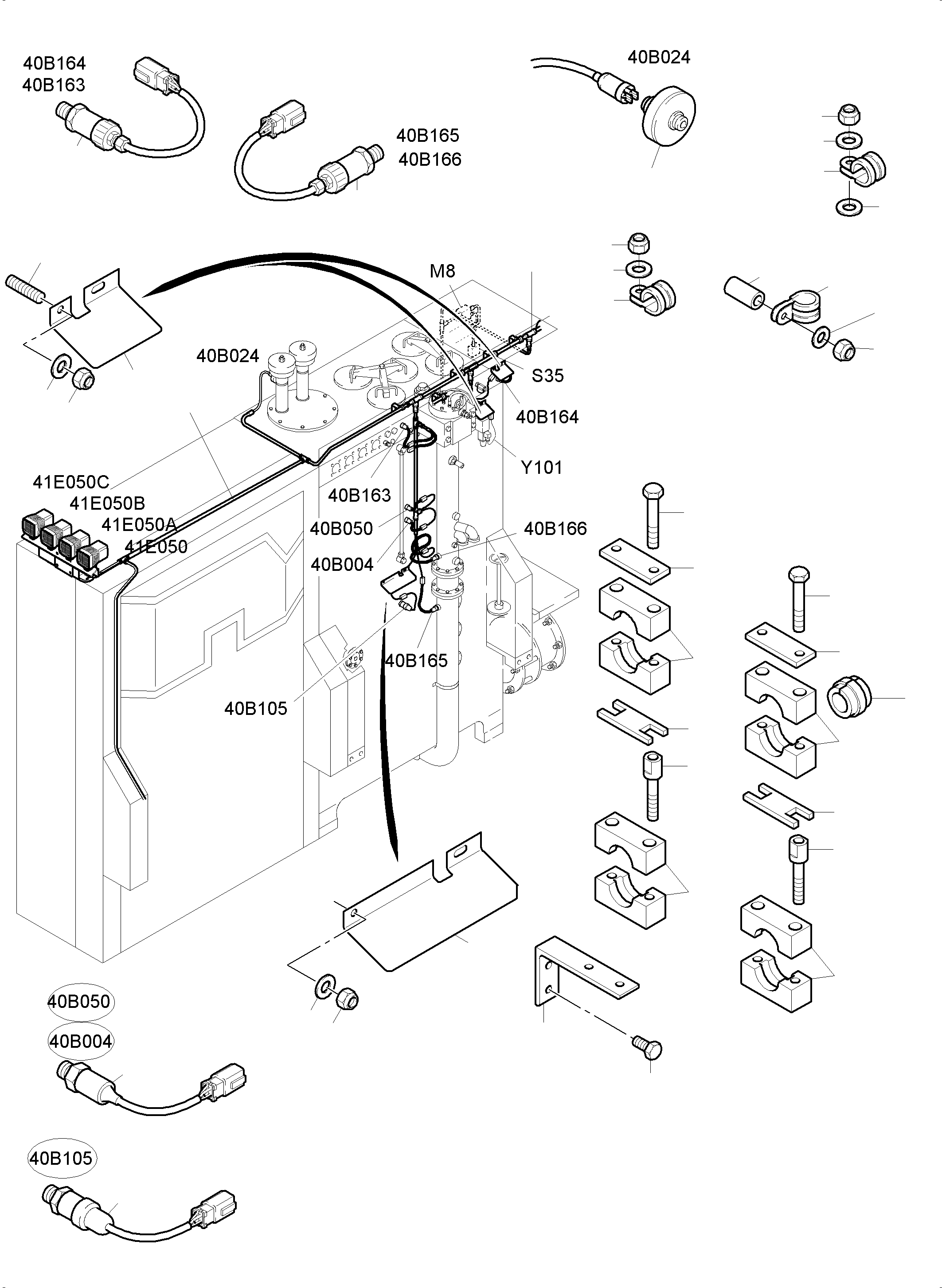
? 960 186 40 Harness - hydraulic tank 1
EnglischBem:
DeutschBem:
DeutschDesc: Kabelbaum - Hydrauliktank
InternBDB:
InternKon:
SerienBem:
Zwhead_Deu:
Zwhead_Eng:
? 960 188 40 Harness - oil cooler 1
EnglischBem:
DeutschBem:
DeutschDesc: Kabelbaum - Цlkьhler
InternBDB:
InternKon:
SerienBem:
Zwhead_Deu:
Zwhead_Eng:
? 950 346 40 Level probe 2
EnglischBem:
DeutschBem:
DeutschDesc: Niveau-Sonde
InternBDB:
InternKon:
SerienBem:
Zwhead_Deu:
Zwhead_Eng:
? 941 798 40 Pressure measuring transducer 0-60bar 2
EnglischBem:
DeutschBem:
DeutschDesc: DruckmeЯumformer 0-60bar
InternBDB:
InternKon:
SerienBem:
Zwhead_Deu:
Zwhead_Eng:
? 941 797 40 Pressure measuring transducer 0-6bar 2
EnglischBem:
DeutschBem:
DeutschDesc: DruckmeЯumformer 0-6bar
InternBDB:
InternKon:
SerienBem:
Zwhead_Deu:
Zwhead_Eng:
? 654 652 40 Maintenance switch 1
EnglischBem:
DeutschBem:
DeutschDesc: Wartungsschalter
InternBDB:
InternKon:
SerienBem:
Zwhead_Deu:
Zwhead_Eng:
? 941 812 40 Pressure measuring transducer 1
EnglischBem:
DeutschBem:
DeutschDesc: DruckmeЯumformer
InternBDB:
InternKon:
SerienBem:
Zwhead_Deu:
Zwhead_Eng:
? 944 609 40 Plate 1
EnglischBem:
DeutschBem:
DeutschDesc: Schutzblech
InternBDB:
InternKon:
SerienBem:
Zwhead_Deu:
Zwhead_Eng:
? 0443452110 Clip DN 21,5 10
EnglischBem:
DeutschBem:
DeutschDesc: Clip DN 21,5
InternBDB:
InternKon:
SerienBem:
Zwhead_Deu:
Zwhead_Eng:
? 340 508 99 Washer 46
EnglischBem:
DeutschBem:
DeutschDesc: Scheibe
InternBDB:
InternKon:
SerienBem:
Zwhead_Deu:
Zwhead_Eng:
? 507 037 98 Nut 66
EnglischBem:
DeutschBem:
DeutschDesc: Mutter
InternBDB:
InternKon:
SerienBem:
Zwhead_Deu:
Zwhead_Eng:
? 321 016 99 Bolt 4
EnglischBem:
DeutschBem:
DeutschDesc: Schraube
InternBDB:
InternKon:
SerienBem:
Zwhead_Deu:
Zwhead_Eng:
? 0443452711 Clip 6
EnglischBem:
DeutschBem:
DeutschDesc: Clip
InternBDB:
InternKon:
SerienBem:
Zwhead_Deu:
Zwhead_Eng:
? 0443451610 Clip 15
EnglischBem:
DeutschBem:
DeutschDesc: Clip
InternBDB:
InternKon:
SerienBem:
Zwhead_Deu:
Zwhead_Eng:
? 0443450810 Clip 2
EnglischBem:
DeutschBem:
DeutschDesc: Clip
InternBDB:
InternKon:
SerienBem:
Zwhead_Deu:
Zwhead_Eng:
? 516 143 98 Resilent sleeve 6
EnglischBem:
DeutschBem:
DeutschDesc: Dehnhьlse
InternBDB:
InternKon:
SerienBem:
Zwhead_Deu:
Zwhead_Eng:
? 507 596 98 Washer 24
EnglischBem:
DeutschBem:
DeutschDesc: Scheibe
InternBDB:
InternKon:
SerienBem:
Zwhead_Deu:
Zwhead_Eng:
? 0819320010 Clip 11
EnglischBem:
DeutschBem:
DeutschDesc: Clip
InternBDB:
InternKon:
SerienBem:
Zwhead_Deu:
Zwhead_Eng:
? 944 608 40 Plate 2
EnglischBem:
DeutschBem:
DeutschDesc: Schutzblech
InternBDB:
InternKon:
SerienBem:
Zwhead_Deu:
Zwhead_Eng:
? 907 854 40 Thread pin 3
EnglischBem:
DeutschBem:
DeutschDesc: Gewindebolzen
InternBDB:
InternKon:
SerienBem:
Zwhead_Deu:
Zwhead_Eng:
? 516 095 98 Clamp set 6
EnglischBem:
DeutschBem:
DeutschDesc: Klemmpaar
InternBDB:
InternKon:
SerienBem:
Zwhead_Deu:
Zwhead_Eng:
? 518 042 98 Clamp set 5
EnglischBem:
DeutschBem:
DeutschDesc: Klemmpaar
InternBDB:
InternKon:
SerienBem:
Zwhead_Deu:
Zwhead_Eng:
? 534 004 99 Cover plate 6
EnglischBem:
DeutschBem:
DeutschDesc: Deckplatte
InternBDB:
InternKon:
SerienBem:
Zwhead_Deu:
Zwhead_Eng:
? 308 581 99 Bolt 12
EnglischBem:
DeutschBem:
DeutschDesc: Schraube
InternBDB:
InternKon:
SerienBem:
Zwhead_Deu:
Zwhead_Eng:
? 504 789 98 Catch 6
EnglischBem:
DeutschBem:
DeutschDesc: Verdrehsicherung
InternBDB:
InternKon:
SerienBem:
Zwhead_Deu:
Zwhead_Eng:
? 504 788 98 Build-up screw 12
EnglischBem:
DeutschBem:
DeutschDesc: Aufbauschraube
InternBDB:
InternKon:
SerienBem:
Zwhead_Deu:
Zwhead_Eng:
? 960 588 40 Angle 1
EnglischBem:
DeutschBem:
DeutschDesc: Winkel
InternBDB:
InternKon:
SerienBem:
Zwhead_Deu:
Zwhead_Eng:
? 307 777 99 Bolt 2
EnglischBem:
DeutschBem:
DeutschDesc: Schraube
InternBDB:
InternKon:
SerienBem:
Zwhead_Deu:
Zwhead_Eng:
? 518 032 98 Clamp set 1
EnglischBem:
DeutschBem:
DeutschDesc: Klemmpaar
InternBDB:
InternKon:
SerienBem:
Zwhead_Deu:
Zwhead_Eng:
? 510 452 98 Rubber gromment 1
EnglischBem:
DeutschBem:
DeutschDesc: Gummieinsatz
InternBDB:
InternKon:
SerienBem:
Zwhead_Deu:
Zwhead_Eng:
? 510 746 98 Resilent sleeve 12
EnglischBem:
DeutschBem:
DeutschDesc: Dehnhьlse
InternBDB:
InternKon:
SerienBem:
Zwhead_Deu:
Zwhead_Eng:
? 0443453211 Clip 12
EnglischBem:
DeutschBem:
DeutschDesc: Schelle
InternBDB:
InternKon:
SerienBem:
Zwhead_Deu:
Zwhead_Eng:
? 518 547 98 Lock washer 12
EnglischBem:
DeutschBem:
DeutschDesc: Sicherungsscheibe
InternBDB:
InternKon:
SerienBem:
Zwhead_Deu:
Zwhead_Eng:
? 952 675 40 Plug, assy. 1
EnglischBem:
DeutschBem:
DeutschDesc: Stecker kpl.
InternBDB:
InternKon:
SerienBem:
Zwhead_Deu:
Zwhead_Eng:
? 955 627 40 Plug assy. with rubber grommet 8
EnglischBem:
DeutschBem:
DeutschDesc: Stecker kpl. mit Gummitьlle
InternBDB:
InternKon:
SerienBem:
Zwhead_Deu:
Zwhead_Eng:
? 941 777 40 Plate 21
EnglischBem:
DeutschBem:
DeutschDesc: Schild
InternBDB:
InternKon:
SerienBem:
Zwhead_Deu:
Zwhead_Eng:
? 174 411 40 Cable strap 42
EnglischBem:
DeutschBem:
DeutschDesc: Kabelband
InternBDB:
InternKon:
SerienBem:
Zwhead_Deu:
Zwhead_Eng:
? 950 112 40 Plug 2
EnglischBem:
DeutschBem:
DeutschDesc: Stecker
InternBDB:
InternKon:
SerienBem:
Zwhead_Deu:
Zwhead_Eng:
? 0819105320 Pin contakt 37
EnglischBem:
DeutschBem:
DeutschDesc: Stiftkontakt
InternBDB:
InternKon:
SerienBem:
Zwhead_Deu:
Zwhead_Eng:
? 0819100770 Sealing plug 29
EnglischBem:
DeutschBem:
DeutschDesc: Dichtverschraubung
InternBDB:
InternKon:
SerienBem:
Zwhead_Deu:
Zwhead_Eng:
? 950 133 40 Plug 1
EnglischBem:
DeutschBem:
DeutschDesc: Stecker
InternBDB:
InternKon:
SerienBem:
Zwhead_Deu:
Zwhead_Eng:
? 651 461 40 Housing assy. 1
EnglischBem:
DeutschBem:
DeutschDesc: Gehдuse kpl.
InternBDB:
InternKon:
SerienBem:
Zwhead_Deu:
Zwhead_Eng:
? 896 520 40 End pin 8
EnglischBem:
DeutschBem:
DeutschDesc: VerschluЯbolzen
InternBDB:
InternKon:
SerienBem:
Zwhead_Deu:
Zwhead_Eng:
? 955 339 40 Terminal box assy. 1
EnglischBem:
DeutschBem:
DeutschDesc: Klemmenkasten kpl
InternBDB:
InternKon:
SerienBem:
Zwhead_Deu:
Zwhead_Eng:
? 944 781 40 Switch assy. 1
EnglischBem:
DeutschBem:
DeutschDesc: Schalter kpl
InternBDB:
InternKon:
SerienBem:
Zwhead_Deu:
Zwhead_Eng:
? 940 661 40 Seal 1
EnglischBem:
DeutschBem:
DeutschDesc: Dichtung
InternBDB:
InternKon:
SerienBem:
Zwhead_Deu:
Zwhead_Eng:
? 517 322 98 Cable nut 1
EnglischBem:
DeutschBem:
DeutschDesc: Kabelmutter
InternBDB:
InternKon:
SerienBem:
Zwhead_Deu:
Zwhead_Eng:
? 907 934 40 Bushing contakt 8
EnglischBem:
DeutschBem:
DeutschDesc: Buchsenkontakt
InternBDB:
InternKon:
SerienBem:
Zwhead_Deu:
Zwhead_Eng:
? 270 282 40 Housing, empty 1
EnglischBem:
DeutschBem:
DeutschDesc: Leergehдuse
InternBDB:
InternKon:
SerienBem:
Zwhead_Deu:
Zwhead_Eng:
? 505 940 99 Assembly rail A/R
EnglischBem:
DeutschBem:
DeutschDesc: Tragschiene
InternBDB:
InternKon:
SerienBem:
Zwhead_Deu:
Zwhead_Eng:
? 906 612 40 Through clamp 2.5 2
EnglischBem:
DeutschBem:
DeutschDesc: Durchgangsklemme 2,5
InternBDB:
InternKon:
SerienBem:
Zwhead_Deu:
Zwhead_Eng:
? 940 878 40 Distribution block 2
EnglischBem:
DeutschBem:
DeutschDesc: Verteilerblock
InternBDB:
InternKon:
SerienBem:
Zwhead_Deu:
Zwhead_Eng:
? 940 673 40 Clamp 3
EnglischBem:
DeutschBem:
DeutschDesc: Endklammer
InternBDB:
InternKon:
SerienBem:
Zwhead_Deu:
Zwhead_Eng:
? 319 056 99 Screw 2
EnglischBem:
DeutschBem:
DeutschDesc: Schraube
InternBDB:
InternKon:
SerienBem:
Zwhead_Deu:
Zwhead_Eng:
? 906 613 40 Cover plate 2
EnglischBem:
DeutschBem:
DeutschDesc: AbschluЯplatte
InternBDB:
InternKon:
SerienBem:
Zwhead_Deu:
Zwhead_Eng:
? 940 726 40 Switch 2
EnglischBem:
DeutschBem:
DeutschDesc: Schalter
InternBDB:
InternKon:
SerienBem:
Zwhead_Deu:
Zwhead_Eng:
? 321 010 99 Screw 4
EnglischBem:
DeutschBem:
DeutschDesc: Schraube
InternBDB:
InternKon:
SerienBem:
Zwhead_Deu:
Zwhead_Eng:
? 950 113 40 Plug 1
EnglischBem:
DeutschBem:
DeutschDesc: Stecker
InternBDB:
InternKon:
SerienBem:
Zwhead_Deu:
Zwhead_Eng:
? 950 136 40 Plug 1
EnglischBem:
DeutschBem:
DeutschDesc: Stecker
InternBDB:
InternKon:
SerienBem:
Zwhead_Deu:
Zwhead_Eng:
? 0819105420 Bushing contakt 31
EnglischBem:
DeutschBem:
DeutschDesc: Buchsenkontakt
InternBDB:
InternKon:
SerienBem:
Zwhead_Deu:
Zwhead_Eng:
? 940 852 40 Plug 12
EnglischBem:
DeutschBem:
DeutschDesc: Blindstopfen
InternBDB:
InternKon:
SerienBem:
Zwhead_Deu:
Zwhead_Eng:
? 903 422 40 Plug assy. 4
EnglischBem:
DeutschBem:
DeutschDesc: Stecker kpl.
InternBDB:
InternKon:
SerienBem:
Zwhead_Deu:
Zwhead_Eng:
? 621 548 40 Plug 1
EnglischBem:
DeutschBem:
DeutschDesc: Stecker
InternBDB:
InternKon:
SerienBem:
Zwhead_Deu:
Zwhead_Eng:
? 906 696 40 Protection cap 1
EnglischBem:
DeutschBem:
DeutschDesc: Schutzkappe
InternBDB:
InternKon:
SerienBem:
Zwhead_Deu:
Zwhead_Eng:

Excavators Mining Komatsu / PC4000-6 S/N 58127(G58127) / Cables - Oil Tank and Switch - transfusing pump(355-2238a : 355-2238a)
?
?
?
?
?
?
?
?
?
?
?
?
?
?
?
?
?
?
?
?
?
?
?
?
?
?
?
?
?
?
?
?
?
?
?
?
?
?
?
?
?
?
?
?
?
Excavators Mining Komatsu / PC4000-6 S/N 58127(G58127) / Cables - Oil Tank and Switch - transfusing pump(355-2238a : 355-2238a)
?
?
?
?
?
?
?
?
?
?
?
?
?
?
?
?
?
?
?
?
?
?
?
?
?
?
?
?
?
?
?
?
?
?
?
?
?
?
?
?
?
?
?
?
?
?
?
?
?
?
?
?
?
?
?
?