| Номер на схеме | Каталожный номер | Название | Количество | Детали | |||
|---|---|---|---|---|---|---|---|
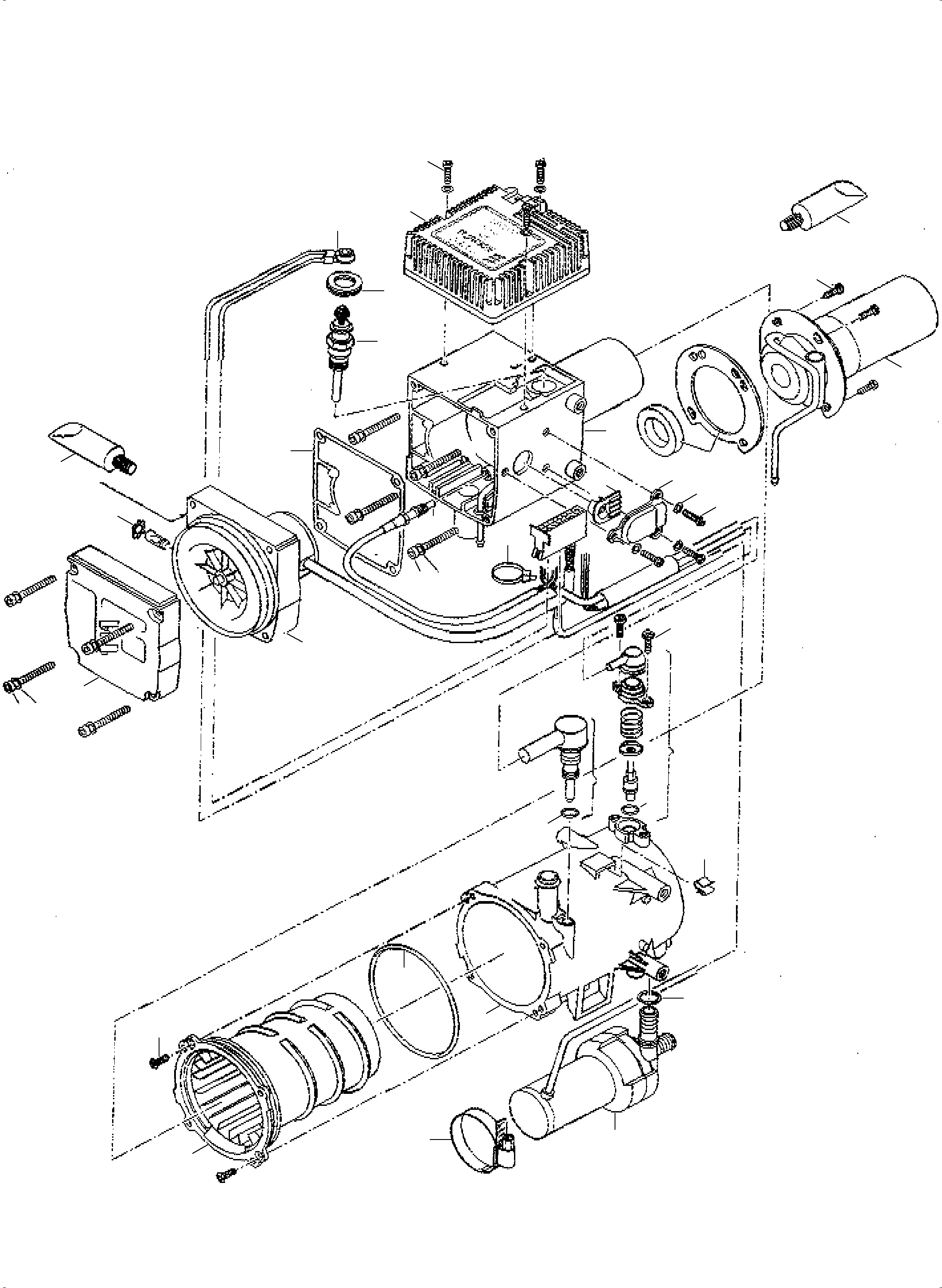
| ? | 943 698 40 | Water heater | 1 | EnglischBem: DeutschBem: DeutschDesc: Wasserheizgerдt InternBDB: InternKon: SerienBem: Zwhead_Deu: Zwhead_Eng: |
|||
| ? | 769 975 73 | Coating | 1 | EnglischBem: DeutschBem: DeutschDesc: Mantel InternBDB: InternKon: SerienBem: Zwhead_Deu: Zwhead_Eng: |
|||
| ? | 795 795 73 | Blower | 1 | EnglischBem: DeutschBem: DeutschDesc: Verbrennungsluftgeblдse InternBDB: InternKon: SerienBem: Zwhead_Deu: Zwhead_Eng: |
|||
| ? | 795 796 73 | Cover | 1 | EnglischBem: DeutschBem: DeutschDesc: Deckel InternBDB: InternKon: SerienBem: Zwhead_Deu: Zwhead_Eng: |
|||
| ? | 795 797 73 | Burner | 1 | EnglischBem: DeutschBem: DeutschDesc: Brenner InternBDB: InternKon: SerienBem: Zwhead_Deu: Zwhead_Eng: |
|||
| ? | 769 961 73 | Burner slot | 1 | EnglischBem: DeutschBem: DeutschDesc: Brennkammer InternBDB: InternKon: SerienBem: Zwhead_Deu: Zwhead_Eng: |
|||
| ? | 769 962 73 | Seal kit | 1 | EnglischBem: DeutschBem: DeutschDesc: Dichtungssatz InternBDB: InternKon: SerienBem: Zwhead_Deu: Zwhead_Eng: |
|||
| ? | 766 148 73 | Heat exchanger | 1 | EnglischBem: DeutschBem: DeutschDesc: Wдrmetauscher InternBDB: InternKon: SerienBem: Zwhead_Deu: Zwhead_Eng: |
|||
| ? | 795 798 73 | Control unit 24 V | 1 | EnglischBem: DeutschBem: DeutschDesc: Steuergerдt 24 V InternBDB: InternKon: SerienBem: Zwhead_Deu: Zwhead_Eng: |
|||
| ? | 766 142 73 | Water pump | 1 | EnglischBem: DeutschBem: DeutschDesc: Wasserpumpe InternBDB: InternKon: SerienBem: Zwhead_Deu: Zwhead_Eng: |
|||
| ? | 795 799 73 | Sensor | 1 | EnglischBem: DeutschBem: DeutschDesc: Temperaturfьhler InternBDB: InternKon: SerienBem: Zwhead_Deu: Zwhead_Eng: |
|||
| ? | 769 964 73 | Overheat sensor | 1 | EnglischBem: DeutschBem: DeutschDesc: Ьberhitzungsfьhler InternBDB: InternKon: SerienBem: Zwhead_Deu: Zwhead_Eng: |
|||
| ? | 766 145 73 | Flame probe | 1 | EnglischBem: DeutschBem: DeutschDesc: Flammfьhler InternBDB: InternKon: SerienBem: Zwhead_Deu: Zwhead_Eng: |
|||
| ? | 769 965 73 | Glow plug | 1 | EnglischBem: DeutschBem: DeutschDesc: Glьhkerze InternBDB: InternKon: SerienBem: Zwhead_Deu: Zwhead_Eng: |
|||
| ? | 769 966 73 | Harness | 1 | EnglischBem: DeutschBem: DeutschDesc: Kabelstrang InternBDB: InternKon: SerienBem: Zwhead_Deu: Zwhead_Eng: |
|||
| ? | 769 976 73 | Spout | 1 | EnglischBem: DeutschBem: DeutschDesc: Tьlle InternBDB: InternKon: SerienBem: Zwhead_Deu: Zwhead_Eng: |
|||
| ? | 766 154 73 | Spout | 1 | EnglischBem: DeutschBem: DeutschDesc: Tьlle InternBDB: InternKon: SerienBem: Zwhead_Deu: Zwhead_Eng: |
|||
| ? | 769 967 73 | Cover | 1 | EnglischBem: DeutschBem: DeutschDesc: Abdeckung InternBDB: InternKon: SerienBem: Zwhead_Deu: Zwhead_Eng: |
|||
| ? | 769 968 73 | Bolt | 8 | EnglischBem: DeutschBem: DeutschDesc: Schraube InternBDB: InternKon: SerienBem: Zwhead_Deu: Zwhead_Eng: |
|||
| ? | 769 969 73 | Washer | 8 | EnglischBem: DeutschBem: DeutschDesc: Scheibe InternBDB: InternKon: SerienBem: Zwhead_Deu: Zwhead_Eng: |
|||
| ? | 766 152 73 | Seal | 1 | EnglischBem: DeutschBem: DeutschDesc: Dichtung InternBDB: InternKon: SerienBem: Zwhead_Deu: Zwhead_Eng: |
|||
| ? | 778 755 73 | Clamp | 1 | EnglischBem: DeutschBem: DeutschDesc: Schelle InternBDB: InternKon: SerienBem: Zwhead_Deu: Zwhead_Eng: |
|||
| ? | 971 124 | O-ring | 1 | EnglischBem: DeutschBem: DeutschDesc: O-Ring InternBDB: InternKon: SerienBem: Zwhead_Deu: Zwhead_Eng: |
|||
| ? | 511 515 98 | O-ring | 2 | EnglischBem: DeutschBem: DeutschDesc: O-Ring InternBDB: InternKon: SerienBem: Zwhead_Deu: Zwhead_Eng: |
|||
| ? | 769 971 73 | O-ring | 1 | EnglischBem: DeutschBem: DeutschDesc: O-Ring InternBDB: InternKon: SerienBem: Zwhead_Deu: Zwhead_Eng: |
|||
| ? | 500 294 98 | Bolt | 3 | EnglischBem: DeutschBem: DeutschDesc: Schraube InternBDB: InternKon: SerienBem: Zwhead_Deu: Zwhead_Eng: |
|||
| ? | 343 174 99 | Washer | 3 | EnglischBem: DeutschBem: DeutschDesc: Scheibe InternBDB: InternKon: SerienBem: Zwhead_Deu: Zwhead_Eng: |
|||
| ? | 795 800 73 | Screw | 2 | EnglischBem: DeutschBem: DeutschDesc: Schraube InternBDB: InternKon: SerienBem: Zwhead_Deu: Zwhead_Eng: |
|||
| ? | 795 801 73 | Screw | 2 | EnglischBem: DeutschBem: DeutschDesc: Schraube InternBDB: InternKon: SerienBem: Zwhead_Deu: Zwhead_Eng: |
|||
| ? | 769 972 73 | Clasp | 1 | EnglischBem: DeutschBem: DeutschDesc: Klammer InternBDB: InternKon: SerienBem: Zwhead_Deu: Zwhead_Eng: |
|||
| ? | 766 159 73 | Ring | 1 | EnglischBem: DeutschBem: DeutschDesc: Ring InternBDB: InternKon: SerienBem: Zwhead_Deu: Zwhead_Eng: |
|||
| ? | 795 802 73 | Screw | 7 | EnglischBem: DeutschBem: DeutschDesc: Schraube InternBDB: InternKon: SerienBem: Zwhead_Deu: Zwhead_Eng: |
|||
| ? | 769 974 73 | Cable strap | 1 | EnglischBem: DeutschBem: DeutschDesc: Kabelband InternBDB: InternKon: SerienBem: Zwhead_Deu: Zwhead_Eng: |
|||
| ? | 766 160 73 | Surface sealing | 1 | EnglischBem: DeutschBem: DeutschDesc: Flдchendichtung InternBDB: InternKon: SerienBem: Zwhead_Deu: Zwhead_Eng: |
|||
| ? | 795 803 73 | Sealing compound | 1 | EnglischBem: DeutschBem: DeutschDesc: Dichtungsmasse InternBDB: InternKon: SerienBem: Zwhead_Deu: Zwhead_Eng: |
|||
| ? | 795 804 73 | Cable harness | 1 | EnglischBem: DeutschBem: DeutschDesc: Leitungsbaum InternBDB: InternKon: SerienBem: Zwhead_Deu: Zwhead_Eng: |
|||
| ? | 795 805 73 | Socket housing | 1 | EnglischBem: DeutschBem: DeutschDesc: Steckergehдuse mit Kontakten InternBDB: InternKon: SerienBem: Zwhead_Deu: Zwhead_Eng: |
|||
| ? | 778 791 73 | Cable | 1 | EnglischBem: DeutschBem: DeutschDesc: Leitungsbaum InternBDB: InternKon: SerienBem: Zwhead_Deu: Zwhead_Eng: |
|||
| ? | 778 804 73 | Bottom section | 3 | EnglischBem: DeutschBem: DeutschDesc: Unterteil InternBDB: InternKon: SerienBem: Zwhead_Deu: Zwhead_Eng: |
|||
| ? | 778 805 73 | Cover | 3 | EnglischBem: DeutschBem: DeutschDesc: Abdeckung InternBDB: InternKon: SerienBem: Zwhead_Deu: Zwhead_Eng: |
|||
| ? | 795 806 73 | Fuse 15A | 1 | EnglischBem: DeutschBem: DeutschDesc: Sicherungseinsatz 15A InternBDB: InternKon: SerienBem: Zwhead_Deu: Zwhead_Eng: |
|||
| ? | 795 807 73 | Fuse 5A | 1 | EnglischBem: DeutschBem: DeutschDesc: Sicherungseinsatz 5A InternBDB: InternKon: SerienBem: Zwhead_Deu: Zwhead_Eng: |
|||
| ? | 778 808 73 | Fuse 25A | 1 | EnglischBem: DeutschBem: DeutschDesc: Sicherungseinsatz 25A InternBDB: InternKon: SerienBem: Zwhead_Deu: Zwhead_Eng: |
|||
| ? | 975 340 | Relay | 1 | EnglischBem: DeutschBem: DeutschDesc: Relais InternBDB: InternKon: SerienBem: Zwhead_Deu: Zwhead_Eng: |
|||
| ? | 795 808 73 | Eylet | 1 | EnglischBem: DeutschBem: DeutschDesc: Kabelschuh InternBDB: InternKon: SerienBem: Zwhead_Deu: Zwhead_Eng: |
|||
| ? | 795 809 73 | Twin leaf-spring contact | 2 | EnglischBem: DeutschBem: DeutschDesc: Doppel-Flachfederkontakt InternBDB: InternKon: SerienBem: Zwhead_Deu: Zwhead_Eng: |
|||
| ? | 795 810 73 | Socket housing | 1 | EnglischBem: DeutschBem: DeutschDesc: Steckhьlsengehдuse InternBDB: InternKon: SerienBem: Zwhead_Deu: Zwhead_Eng: |
|||
| ? | 795 811 73 | Twin leaf spring contact | 2 | EnglischBem: DeutschBem: DeutschDesc: Kontakt Junior InternBDB: InternKon: SerienBem: Zwhead_Deu: Zwhead_Eng: |
|||
| ? | 795 812 73 | Seal | 2 | EnglischBem: DeutschBem: DeutschDesc: Einzeldichtung InternBDB: InternKon: SerienBem: Zwhead_Deu: Zwhead_Eng: |
|||
| ? | 794 111 73 | Cable band | 1 | EnglischBem: DeutschBem: DeutschDesc: Kabelband InternBDB: InternKon: SerienBem: Zwhead_Deu: Zwhead_Eng: |
|||
| ? | 795 813 73 | Cable band | 1 | EnglischBem: DeutschBem: DeutschDesc: Kabelband InternBDB: InternKon: SerienBem: Zwhead_Deu: Zwhead_Eng: |
|||
| ? | 769 977 73 | Fuel metering pump | 1 | EnglischBem: DeutschBem: DeutschDesc: Brennstoffdosierpumpe InternBDB: InternKon: SerienBem: Zwhead_Deu: Zwhead_Eng: |
|||
| ? | 778 283 73 | Socket | 1 | EnglischBem: DeutschBem: DeutschDesc: Stutzen InternBDB: InternKon: SerienBem: Zwhead_Deu: Zwhead_Eng: |
|||
| ? | 794 347 73 | Strainer | 1 | EnglischBem: DeutschBem: DeutschDesc: Sieb InternBDB: InternKon: SerienBem: Zwhead_Deu: Zwhead_Eng: |
|||
| ? | 778 793 73 | Pipe 4x1 | A/R | EnglischBem: DeutschBem: DeutschDesc: Rohr 4x1 InternBDB: InternKon: SerienBem: Zwhead_Deu: Zwhead_Eng: |
|||
| ? | 766 175 73 | Pipe 6x1 | A/R | EnglischBem: DeutschBem: DeutschDesc: Rohr 6x1 InternBDB: InternKon: SerienBem: Zwhead_Deu: Zwhead_Eng: |
|||
| ? | 769 978 73 | Hose | A/R | EnglischBem: DeutschBem: DeutschDesc: Schlauch InternBDB: InternKon: SerienBem: Zwhead_Deu: Zwhead_Eng: |
|||
| ? | 778 822 73 | Hose | A/R | EnglischBem: DeutschBem: DeutschDesc: Schlauch InternBDB: InternKon: SerienBem: Zwhead_Deu: Zwhead_Eng: |
|||
| ? | 778 810 73 | Clamp | 4 | EnglischBem: DeutschBem: DeutschDesc: Schelle InternBDB: InternKon: SerienBem: Zwhead_Deu: Zwhead_Eng: |
|||
| ? | 778 286 73 | Clamp | 4 | EnglischBem: DeutschBem: DeutschDesc: Schelle InternBDB: InternKon: SerienBem: Zwhead_Deu: Zwhead_Eng: |
|||
| ? | 778 798 73 | Clamp | 1 | EnglischBem: DeutschBem: DeutschDesc: Schelle InternBDB: InternKon: SerienBem: Zwhead_Deu: Zwhead_Eng: |
|||
| ? | 778 269 73 | Metal rubber buffer | 1 | EnglischBem: DeutschBem: DeutschDesc: Metallgummipuffer InternBDB: InternKon: SerienBem: Zwhead_Deu: Zwhead_Eng: |
|||
| ? | 778 270 73 | Angle | 1 | EnglischBem: DeutschBem: DeutschDesc: Winkelstьck InternBDB: InternKon: SerienBem: Zwhead_Deu: Zwhead_Eng: |
|||
| ? | 766 163 73 | Intake muffler | 1 | EnglischBem: DeutschBem: DeutschDesc: Ansaugschalldдmpfer InternBDB: InternKon: SerienBem: Zwhead_Deu: Zwhead_Eng: |
|||
| ? | 795 389 73 | Hose | 1 | EnglischBem: DeutschBem: DeutschDesc: Schlauch InternBDB: InternKon: SerienBem: Zwhead_Deu: Zwhead_Eng: |
|||
| ? | 769 979 73 | Coil tube Ш 30 | A/R | EnglischBem: DeutschBem: DeutschDesc: Wendelrohr Ш 30 InternBDB: InternKon: SerienBem: Zwhead_Deu: Zwhead_Eng: |
|||
| ? | 766 161 73 | End | 1 | EnglischBem: DeutschBem: DeutschDesc: Endhьlse InternBDB: InternKon: SerienBem: Zwhead_Deu: Zwhead_Eng: |
|||
| ? | 770 042 73 | Exhaust silencer | 1 | EnglischBem: DeutschBem: DeutschDesc: Abgasschalldдmpfer InternBDB: InternKon: SerienBem: Zwhead_Deu: Zwhead_Eng: |
|||
| ? | 450 334 40 | Hose | 1 | EnglischBem: DeutschBem: DeutschDesc: Schlauch InternBDB: InternKon: SerienBem: Zwhead_Deu: Zwhead_Eng: |
|||
| ? | 450 333 40 | Hose | 1 | EnglischBem: DeutschBem: DeutschDesc: Schlauch InternBDB: InternKon: SerienBem: Zwhead_Deu: Zwhead_Eng: |
|||
| ? | 795 388 73 | Connection piese | 3 | EnglischBem: DeutschBem: DeutschDesc: Stutzen InternBDB: InternKon: SerienBem: Zwhead_Deu: Zwhead_Eng: |
|||
| ? | 778 797 73 | Clamp | 12 | EnglischBem: DeutschBem: DeutschDesc: Schelle InternBDB: InternKon: SerienBem: Zwhead_Deu: Zwhead_Eng: |
|||
| ? | 761 845 73 | Clamp | 3 | EnglischBem: DeutschBem: DeutschDesc: Schelle InternBDB: InternKon: SerienBem: Zwhead_Deu: Zwhead_Eng: |
|||
| ? | 766 164 73 | Clamp | 2 | EnglischBem: DeutschBem: DeutschDesc: Schelle InternBDB: InternKon: SerienBem: Zwhead_Deu: Zwhead_Eng: |