| Наименование | Страница | Код страницы |
|---|---|---|
| Electric Heater (collectorless) | 991-0882 | 991-0882 |
| Номер на схеме | Каталожный номер | Название | Количество | Детали | |||
|---|---|---|---|---|---|---|---|
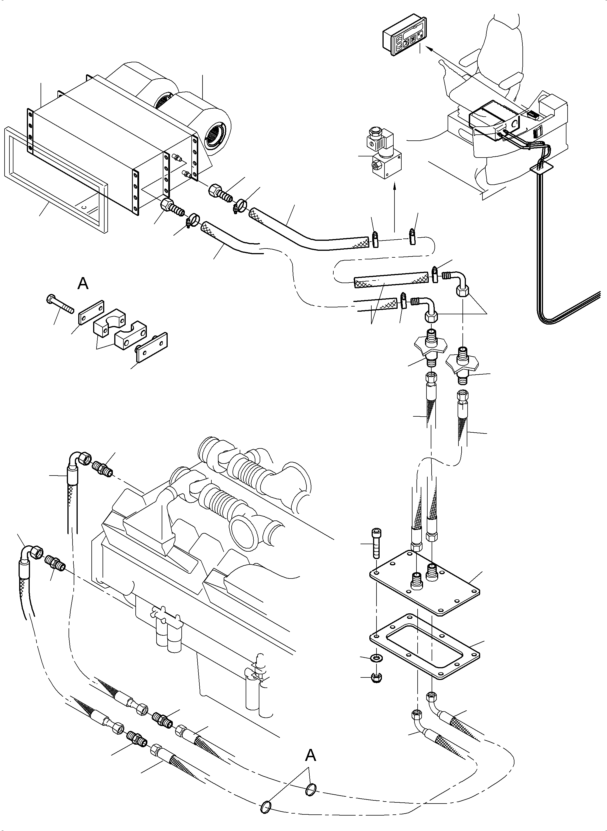
| ? | 795 954 73 | Control unit | 1 | EnglischBem: DeutschBem: DeutschDesc: Bedienelement InternBDB: InternKon: SerienBem: Zwhead_Deu: Zwhead_Eng: |
|||
| ? | 794 715 73 | Valve | 1 | EnglischBem: DeutschBem: DeutschDesc: Ventil InternBDB: InternKon: SerienBem: Zwhead_Deu: Zwhead_Eng: |
|||
| ? | 372 366 99 | Union | 6 | EnglischBem: DeutschBem: DeutschDesc: Verschraubung InternBDB: InternKon: SerienBem: Zwhead_Deu: Zwhead_Eng: |
|||
| ? | 255 899 40 | Hose fittings, straight | 2 | EnglischBem: DeutschBem: DeutschDesc: Schlaucharmatur, gerade InternBDB: InternKon: SerienBem: Zwhead_Deu: Zwhead_Eng: |
|||
| ? | 255 898 40 | Hose fittings 90 ? | 2 | EnglischBem: DeutschBem: DeutschDesc: Schlaucharmatur 90 ? InternBDB: InternKon: SerienBem: Zwhead_Deu: Zwhead_Eng: |
|||
| ? | 908 047 40 | Cover assy. | 1 | EnglischBem: DeutschBem: DeutschDesc: Deckel kpl. InternBDB: InternKon: SerienBem: Zwhead_Deu: Zwhead_Eng: |
|||
| ? | 902 183 40 | Seal | 1 | EnglischBem: DeutschBem: DeutschDesc: Dichtung InternBDB: InternKon: SerienBem: Zwhead_Deu: Zwhead_Eng: |
|||
| ? | 256 626 40 | Hose DN 16 | A/R | EnglischBem: DeutschBem: DeutschDesc: Schlauchleitung DN 16 InternBDB: InternKon: SerienBem: Zwhead_Deu: Zwhead_Eng: |
|||
| ? | 500 078 98 | Hose clip | 6 | EnglischBem: DeutschBem: DeutschDesc: Schlauchschelle InternBDB: InternKon: SerienBem: Zwhead_Deu: Zwhead_Eng: |
|||
| ? | 319 421 99 | Bolt | 8 | EnglischBem: DeutschBem: DeutschDesc: Schraube InternBDB: InternKon: SerienBem: Zwhead_Deu: Zwhead_Eng: |
|||
| ? | 340 507 99 | Washer | 8 | EnglischBem: DeutschBem: DeutschDesc: Scheibe InternBDB: InternKon: SerienBem: Zwhead_Deu: Zwhead_Eng: |
|||
| ? | 334 599 99 | Nut | 8 | EnglischBem: DeutschBem: DeutschDesc: Mutter InternBDB: InternKon: SerienBem: Zwhead_Deu: Zwhead_Eng: |
|||
| ? | 514 665 98 | Hose assy. DN16x5970 | 3 | EnglischBem: DeutschBem: DeutschDesc: Schlauchleitung DN16x5970 InternBDB: InternKon: SerienBem: Zwhead_Deu: Zwhead_Eng: |
|||
| ? | 517 807 98 | Hose assy. DN16x9000 | 1 | EnglischBem: DeutschBem: DeutschDesc: Schlauchleitung DN16x9000 InternBDB: InternKon: SerienBem: Zwhead_Deu: Zwhead_Eng: |
|||
| ? | 501 796 98 | Socket | 2 | EnglischBem: DeutschBem: DeutschDesc: Stutzen InternBDB: InternKon: SerienBem: Zwhead_Deu: Zwhead_Eng: |
|||
| ? | 941 410 40 | Socket | 1 | EnglischBem: DeutschBem: DeutschDesc: Stutzen InternBDB: InternKon: SerienBem: Zwhead_Deu: Zwhead_Eng: |
|||
| ? | 518 472 98 | Hose assy. DN16x700 | 2 | EnglischBem: DeutschBem: DeutschDesc: Schlauchleitung DN16x700 InternBDB: InternKon: SerienBem: Zwhead_Deu: Zwhead_Eng: |
|||
| ? | 372 475 99 | Union | 1 | EnglischBem: DeutschBem: DeutschDesc: Verschraubung InternBDB: InternKon: SerienBem: Zwhead_Deu: Zwhead_Eng: |
|||
| ? | 518 055 98 | Clamp set | 14 | EnglischBem: DeutschBem: DeutschDesc: Klemmpaar InternBDB: InternKon: SerienBem: Zwhead_Deu: Zwhead_Eng: |
|||
| ? | 534 018 99 | Weld on plate | 6 | EnglischBem: DeutschBem: DeutschDesc: AnschweiЯplatte InternBDB: InternKon: SerienBem: Zwhead_Deu: Zwhead_Eng: |
|||
| ? | 534 017 99 | Cover plate | 14 | EnglischBem: DeutschBem: DeutschDesc: Deckplatte InternBDB: InternKon: SerienBem: Zwhead_Deu: Zwhead_Eng: |
|||
| ? | 308 555 99 | Bolt | 28 | EnglischBem: DeutschBem: DeutschDesc: Schraube InternBDB: InternKon: SerienBem: Zwhead_Deu: Zwhead_Eng: |
|||
| ? | Air box | 1 | EnglischBem: DeutschBem: DeutschDesc: Luftkasten InternBDB: InternKon: SerienBem: Zwhead_Deu: Zwhead_Eng: |
||||
| ? | 372 378 40 | Seal | 1 | EnglischBem: DeutschBem: DeutschDesc: Dichtung InternBDB: InternKon: SerienBem: Zwhead_Deu: Zwhead_Eng: |